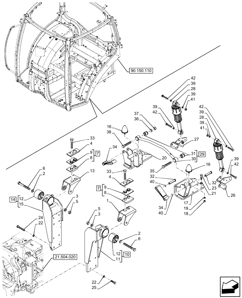
Запчасти Case IH OPTUM 300 CVT (90.150.010) - VAR - 391184 - CAB, SUSPENSION (90) - PLATFORM, CAB, BODYWORK AND DECALS

Схема запчастей Case IH OPTUM 300 CVT - (90.150.010) - VAR - 391184 - CAB, SUSPENSION (90) - PLATFORM, CAB, BODYWORK AND DECALS
21.504.020
42
34
1
41
42
21
19
2
8
2
4
7
35
8
27
13
22
16
33
42
9
42
7
23
32
40
29
14
34
41
18
22
28
12
11
33
9
5
39
39
28
6
32
15
20
38
3
39
16
40
10
26
5
30
36
17
39
3
4
37
6
39
12
39
31
24
25
90.150.110
FIT
1:1
100%

Артикул

Название

Примечание

Количество

1

47744297

SUPPORT

1шт.

2

86511327

WASHER,21mm ID x 37mm OD x 3mm Thk

2шт.

3

11191774

BELLEVILLE WASHER,M20 Bolt Size x 38mm OD x 4.6mm Thk

2шт.

4

47619387

PAD

2шт.

5

9706694

NUT,Hex, M20, Cl 8

2шт.

6

84444625

BOLT,Hex, M20 x 170mm, Cl 8.8

1шт.

7

47619390

INSULATING PLATE

2шт.

8

NSS

NOT SOLD SEPARAT

Clamp, Plate, Incl in 7

1шт.

9

47619388

GROMMET,2x31mm HD, 72mm H x 124mm L x 4mm Thk

2шт.

10

47702278

SUPPORT

ASSY, Incl 11, 12 (Qty 1)

1шт.

11

NSS

NOT SOLD SEPARAT

Front Suspension, Left, Incl in 10

1шт.

12

87396965

INSULATOR,100mm OD x 85.3mm L

1шт.

13

47744291

SUPPORT

1шт.

14

47702293

SUPPORT

ASSY, Incl 11, 12 (Qty 1)

1шт.

15

NSS

NOT SOLD SEPARAT

Front Suspension, Right, Incl in 14

1шт.

16

82025784

RUBBER PAD,M12 x 1.75

2шт.

17

47702311

SUPPORT

1шт.

18

12577511

NUT,M12 x 1.75, Cl 8

2шт.

19

14496701

WASHER,13.00mm ID x 24.00mm OD x 2.50mm, CST, ZND

2шт.

20

47702324

SUPPORT

1шт.

21

14496901

WASHER,17mm ID x 30mm OD x 3mm Thk

8шт.

22

47630556

WASHER,17.0mm ID x 25.4mm OD x 3.4mm Thk

17mm ID x 25.4mm OD x 3.4mm Thk

8шт.

23

9843611

BOLT,Hex, M16 x 2.0 x 55mm, Cl 10.9

8шт.

24

11369631

BOLT,Hex, M16 x 1.5 x 110, 10.9

4шт.

25

15981134

BOLT,Hex, M16 x 1.5 x 60mm, Cl 10.9

4шт.

26

47878626

SUPPORT

Spring Damper Lower Mounting, LH

1шт.

27

47878623

SUPPORT

Spring Damper Lower Mounting, RH

1шт.

28

47736684

SHOCK ABSORBER

2шт.

29

87591850

TIE-ROD,2 x 38.9mm ID

ASSY, Incl 30, 31

1шт.

30

NSS

NOT SOLD SEPARAT

Tie Rod, Incl in 29

1шт.

31

82039256

BUSHING,20mm ID x 50mm OD x 49.95mm L

2шт.

32

87543582

PIN,20mm OD x 104mm L

4шт.

33

87737521

SCREW,Hex, M20 X 120, 8.8

Hex, M20 X 120, 8.8

4шт.

34

87357896

STRAP,165mm L

2шт.

35

11126121

BOLT,Hex, M20 x 120, 8.8

1шт.

36

14497101

WASHER,M20 x 37 x 3

2шт.

37

82020635

NUT,Prevailing Torque, M20 x 2.5 x 20mm, Cl8

2шт.

38

11125721

BOLT,Hex, M20 x 100, 8.8

1шт.

39

12646001

WASHER,14.4mm ID x 24mm OD x 2mm Thk

6шт.

40

11066871

CIRCLIP,M20

4шт.

41

12577311

LOCK NUT,Prevailing Torque, M14 x 2.0 x 16.6mm, Cl8, ZND

2шт.

42

11116831

BOLT,Hex, M14 x 80, 10.9

4шт.

Выбрано товаров: 0