Запчасти Case IH 1066 (14-03) - SUSPENSION, ADJUSTABLE WIDE TREAD, FRONT AXLE STANDARD Suspension

Схема запчастей Case IH 1066 - (14-03) - SUSPENSION, ADJUSTABLE WIDE TREAD, FRONT AXLE STANDARD Suspension
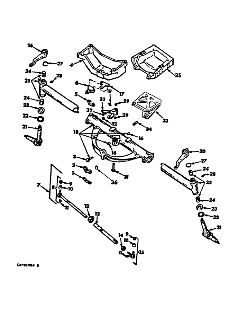
17
28
23
29
27
11
30
21
14
23
2
32
31
19
20
16
9
26
3
34
24
22
24
29
18
7
24
15
6
10
11
28
25
8
27
1
4
36
10
9
22
35
21
16
5
24
32
13
33
25
12
FIT
1:1
100%

Артикул

Название

Примечание

Количество

1

380008R1

PLATE ASSY.

PLATE, stay rod ball socket cap lock

1шт.

2

379953R1

CAP

stay rod ball socket

1шт.

3

65320C3

BALL

front axle stay rod

1шт.

refer #3 65320C3 - .922" dia

1шт.

Ref #3 (65320C3) : Where this stay rod enters into the front end housing, no bushing was ever manufactured into the housing. (Per Marv Hood) SMA 9/24/98

1шт.

390310C1

WASHER,Flat, 3/4" Bolt, 13/16" ID x 1 1/2" OD x 0.134", HDN, ZND

3/4 x 1-1/2 x 10 ga znd

1шт.

274640

LOCK NUT,3/4"-16, GC

NUT, 5/8-11 hex.

4шт.

4

531256R2

SUPPORT ASSY.

SUPPORT, stay rod ball socket

1шт.

20661R1

BOLT,Hex, 5/8" - 11 x 2", Gr 8

SCREW, 5/8-11 x 2 hex-hd cap

4шт.

102639

NUT,5/8"-11, G5

4шт.

5

379954R1

SHIM

stay rod ball socket cap

1шт.

6

533808R1

FIXING BRACKET

SOCKET, stay rod ball

1шт.

20065R1

BOLT,Hex, 5/8" - 11 x 2 1/2", Gr 8

SCREW, 5/8-11 x 2-1/2 hex-hd cap

1шт.

223441

BOLT,Hex, 5/8" - 11 x 3 1/4", Gr 8

SCREW, 5/8-11 x 3-1/4 hex-hd cap

2шт.

7

NSS

NOT SOLD SEPARAT

ROD ASSY, tie, axles w/52 to 76 in. tread, not serviced separately order component parts

2шт.

7

NSS

NOT SOLD SEPARAT

ROD ASSY, tie, axles w/58 to 82 in. tread, not serviced separately order component parts

2шт.

32-822

COTTER PIN,1/8" x 1 3/8"

Pin, Split (Cotter), 1/8" x 1 3/8"

4шт.

8

384441R93

ROD

ASSY, tie LH, axles w/52 to 76 in. tread

1шт.

8

359984R93

TIE-ROD

ROD ASSY, tie LH, axles w/58 to 82 in. tread

1шт.

9

359983R1

NUT

tie rod end

2шт.

10

358900R1

SEAL

COVER, dust

2шт.

11

109461

LUBE NIPPLE,1/8"-27 x .66 lg

FITTING, 1/8-27 PTF str-lub

2шт.

12

359986R1

CLAMP

tie rod

1шт.

25-118

NUT,1/2"-20, G5

1/2-20 hex.

1шт.

414-836

BOLT,Hex, 1/2" - 20 x 2-1/4", Gr 5

SCREW, 1/2-20 x 2-1/4 hex-hd cap

1шт.

13

384439R1

TUBE,0.937" ID, 1.187" OD, 15.312" Length

tie rod, axles w/52 to 76 in. tread

1шт.

13

383917R1

TUBE

tie rod, axles w/58 to 82 in. tread

1шт.

14

384442R1

JAM NUT

NUT, jam, axles w/52 to 76 in. tread

1шт.

14

374062R1

JAM NUT

NUT, jam, axles w/58 to 82 in. tread

1шт.

15

384440R92

END

ASSY, tie rod RH thread, axles w/52 to 76 in. tread

1шт.

15

384006R92

END

ASSY, tie rod RH thread, axles w/58 to 82 in. tread

1шт.

16

531242R1

BUSHING,50.89mm ID x 54.113mm OD x 38.1mm L

front axle pivot pin

2шт.

17

531250R1

SHIM

stay rod socket .0097 (or as required)

1шт.

17

531251R1

SHIM

stay rod socket .0897 (or as required)

1шт.

17

531252R1

SHIM

stay rod socket .0299 (or as required)

1шт.

18

71818C91

AXLE

W/STAY ROD ASSY, front, axles w/52 to 76 in. tread, replaces 531241R12

1шт.

18

71816C91

CENTER AXLE

AXLE W/STAY ROD ASSY, front, axles w/58 to 82 in. tread, replaces 531259R12 on 766, Serial Range: -17393

1шт.

On order for 531259R12 or 531241R12 furnish (1) axle 71816C91, 58 to 82 in., (1) axle 71818C91, 52 to 76 in., (1) rod end 71820C91, (1) washer 614451C1, (1) nut 272322, (1) pin 103399, (1) screw 179847, (1) nut 69981R1, (2) fittings 273359, (1) body assy 63865C91, (1) kit 533290R91

1шт.

18

71816C91

CENTER AXLE

AXLE W/STAY ROD ASSY, front, axles w/58 to 82 in. tread, replaces 531259R12 on 966, Serial Range: -32805

1шт.

On order for 531259R12 or 531241R12 furnish (1) axle 71816C91, 58 to 82 in., (1) axle 71818C91, 52 to 76 in., (1) rod end 71820C91, (1) washer 614451C1, (1) nut 272322, (1) pin 103399, (1) screw 179847, (1) nut 69981R1, (2) fittings 273359, (1) body assy 63865C91, (1) kit 533290R91

1шт.

18

71816C91

CENTER AXLE

AXLE W/STAY ROD ASSY, front, axles w/58 to 82 in. tread, replaces 531259R12 on 1066, Serial Range: -58875

1шт.

On order for 531259R12 or 531241R12 furnish (1) axle 71816C91, 58 to 82 in., (1) axle 71818C91, 52 to 76 in., (1) rod end 71820C91, (1) washer 614451C1, (1) nut 272322, (1) pin 103399, (1) screw 179847, (1) nut 69981R1, (2) fittings 273359, (1) body assy 63865C91, (1) kit 533290R91

1шт.

18

71816C91

CENTER AXLE

AXLE W/STAY ROD ASSY, front, axles w/58 to 82 in. tread, replaces 531259R12 on 1466, Serial Range: -30725

1шт.

On order for 531259R12 or 531241R12 furnish (1) axle 71816C91, 58 to 82 in., (1) axle 71818C91, 52 to 76 in., (1) rod end 71820C91, (1) washer 614451C1, (1) nut 272322, (1) pin 103399, (1) screw 179847, (1) nut 69981R1, (2) fittings 273359, (1) body assy 63865C91, (1) kit 533290R91

1шт.

18

71816C91

CENTER AXLE

AXLE W/STAY ROD ASSY, front, axles w/58 to 82 in. tread, replaces 531259R12 on hydro 100, Serial Range: -12694

1шт.

On order for 531259R12 or 531241R12 furnish (1) axle 71816C91, 58 to 82 in., (1) axle 71818C91, 52 to 76 in., (1) rod end 71820C91, (1) washer 614451C1, (1) nut 272322, (1) pin 103399, (1) screw 179847, (1) nut 69981R1, (2) fittings 273359, (1) body assy 63865C91, (1) kit 533290R91

1шт.

24998R1

BOLT,Hex, 3/4" - 16 x 4", Gr 8

3/4-16 x 4 hex-hd

4шт.

218404

NUT,3/4"-16, G8

3/4-nf pln type 8

4шт.

650247R1

HEADED PIN,19.05mm OD x 165.1mm L

PIN, 3/4 x 6-1/2 std-hd

2шт.

432-1620

COTTER PIN,1/4" x 1 1/4"

Pin, Split (Cotter), 1/4" x 1 1/4"

2шт.

19

109461

LUBE NIPPLE,1/8"-27 x .66 lg

FITTING, 1/8 PTF str lubrication, center steering arm

1шт.

20

531249R2

ARM

RH steering knuckle

1шт.

20

531249R2GV

STEERING ARM

Value, Steering Knuckle

1шт.

427546

JAM NUT,Jam, 1 3/8"-12, G5

1-3/8-12 hex. jam

1шт.

Q326

WASHER

1-13/32 x 2-3/4 x 18 ga

1шт.

21

401768R92

STEERING KNUCKLE

KNUCKLE W/SEAL, 370254R91 and shield, 487014D, steering

2шт.

427645

SLOTTED NUT,7/8"-14, G5

NUT, 7/8-14 slt hex.

2шт.

108643

COTTER PIN,5/32" x 1 3/8"

Pin, Split (Cotter), 5/32" x 1 3/8"

2шт.

22

15943DA

SEALING WASHER,60.33mm ID x 72.23mm OD x 4.76mm Thk

Steering, Knuckle pivot felt

2шт.

23

405831R91

BEARING

steering knuckle pivot thrust

2шт.

24

376099R1

BUSHING

4шт.

25

531258R92

EXTENSION

ASSY, front axle, axles w/52 to 76 in. tread

2шт.

25

531260R92

AXLE

EXTENSION ASSY, front axle, axles w/58 to 82 in. tread

2шт.

26

531248R2

ARM

LH steering knuckle

1шт.

26

531248R2GV

STEERING ARM

Value, Steering Knuckle

1шт.

427546

JAM NUT,Jam, 1 3/8"-12, G5

1-3/8-12 hex. jam

1шт.

Q326

WASHER

1-13/32 x 2-3/4 x 18 ga

1шт.

27

146008R1

SNAP RING,M41.15 x 2.46mm Thk, Ext

RING, steering knuckle retainer

2шт.

28

80722

LUBE NIPPLE,3/16" x .55" lg, Drive

FITTING, 3/16 drive type str lub, steering knuckle pivot pin

2шт.

29

531236R1

BUSHING

2шт.

30

531235R11

ARM

ASSY, center steering

1шт.

31

531239R1

PIN,50.8mm OD x 193.42mm L

center arm pivot

1шт.

19534R1

PIN,1/4" x 1 1/2", Coiled

1шт.

Q175

WASHER

1.031 x 1.75 x .042 (or as required)

1шт.

71421C1

WASHER

1.631 x 1.75 x .156 (or as required)

3шт.

32

531237R1

CAP

trunnion

2шт.

531238R1

BOLT,Hex, 5/8" - 18 x 1.6", Cl 8

trunnion cap

2шт.

575812R1

WASHER

21/32 x 1-1/2 x 11 ga

2шт.

33

531263R1

BOLSTER

lower

1шт.

20661R1

BOLT,Hex, 5/8" - 11 x 2", Gr 8

SCREW, 5/8-11 x 2 hex-hd cap type 8

4шт.

U5360

AXLE PIN

PIN, 3/8 x 6-1/8 headed

1шт.

103384

COTTER PIN,1/8" x 3/4"

Pin, Split (Cotter), 1/8" x 3/4"

1шт.

34

531240R1

AXLE PIN,50.77mm OD x 177.04mm L

PIN, front axle pivot

1шт.

109461

LUBE NIPPLE,1/8"-27 x .66 lg

FITTING, 1/8 PTF str lubrication, front axle pivot pin

1шт.

193-12

LOCK WASHER,Ext Tooth, 0.52" ID x 0.89" OD, STL, PLN

WASHER, LOCK, Ext Tooth, 1/2"

1шт.

35

531244R3

DRIVE SPROCKET

BOLSTER ASSY, upper

1шт.

36

71306C1

BUSHING

steering cylinder mounting pin

1шт.

64519C91

KIT

PACKAGE, frt. axle & strg service, refer to power steering, group 10, for list of components

1шт.

Выбрано товаров: 88