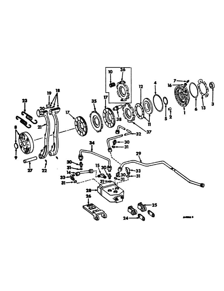
Запчасти Case IH 1256 (H-12) - CONTROLS, BRAKES Controls

Схема запчастей Case IH 1256 - (H-12) - CONTROLS, BRAKES Controls
10
5
9
14
36
31
7
29
31
3
4
38
22
17
32
15
21
35
34
30
12
31
26
2
30
16
8
31
27
25
6
18
11
33
28
31
19
31
30
23
30
13
37
20
1
33
17
24
FIT
1:1
100%

Артикул

Название

Примечание

Количество

1

397340R1

HOUSING

brake piston

2шт.

2

403285R2

DOWEL

PIN, 5/8 x 3-1/4 dowel

4шт.

3

384156R91

SEAL

brake piston housing oil

2шт.

4

384365R1

RING

O-RING, 8-1/4 x 8-1/2 x 1/8, piston outer seallng

2шт.

5

354836R1

O-RING,0.139" Thk x 3.234" ID, -236, Cl 5, 75 Duro

3-1/4 x 3-1/2 x 1/8, piston inner sealing

2шт.

6

285453R1

O-RING,0.139" Thk x 6.734" ID, -261, Cl 5, 75 Duro

6-3/4 x 7 x 1/8

2шт.

7

82301R1

BLEEDER,3/8" - 24 x 117mm

bleed

2шт.

8

392780R11

HOUSING

ASSY, brake, Farmall tractors, Serial Range: -14270

2шт.

8

392780R11

HOUSING

ASSY, brake, International tractors, Serial Range: -8698

2шт.

8

527443R11

HOUSING

ASSY, brake, Farmall tractors, Start Serial: 14271

2шт.

8

527443R11

HOUSING

ASSY, brake, International tractors, Start Serial: 8699

2шт.

393158R1

BOLT,Hex, 5/8" - 11 x 4 3/4", w/ Nylon Pellet

SCREW W/NYLON PELLET

8шт.

413-1060

BOLT,Hex, 5/8" - 11 x 3-3/4", Gr 5

SCREW, 5/8-11 x 3-3/4 hex-hd cap

4шт.

20172R1

PIN, 1/2 x 1-5/8 slotted spring, used w/392780R11

8шт.

9

384339R1

PLUG,Cup, 2 3/16"

brake housing cup

2шт.

10

384367R2

SPRING

brake piston return, Farmall tractors, Serial Range: -14270

8шт.

10

384367R2

SPRING

brake piston return, International tractors, Serial Range: -8698

8шт.

11

384368R12

PISTON ASSY.

PISTON ASSY, brake

2шт.

12

384161R1

FRICTION WASHER

INSULATOR, brake piston

2шт.

Item #11 & #12 - This insulator pad needs to be assembled w/ the groove away from the piston. Use 3M Co. cement #EC-1300 or 345-23 (pint) or 345-22 (5 oz. tube) covering a minimum of 75% of the surface involved to insure a good bond. Not necessary to bake. CR 4/30/99 TSG

1шт.

13

SHIM, piston housing, available in the following size options

1шт.

13

391816R1

SHIM

.035

2шт.

13

391817R1

SHIM

.012

4шт.

13

391818R1

SHIM

.007

6шт.

13

391819R1

SHIM

.004

1шт.

13

391820R1

SHIM

.003

1шт.

14

384224R11

HYD TUBE,0.375" OD, 4.24, 1.88" Length

PIPE ASSY, hyd brake return

1шт.

15

333934R1

ELBOW,90 Degree, 9/16"-18, 37 Degree x 3/8"-18, NPTF

ADAPTER, male elbow, 37 deg flare to NPTF

1шт.

16

397338R1

CONNECTOR, ELEC

CONNECTOR, bleeder valve

1шт.

17

394463R91

DISC

ASSY, heavy duty brake friction

1шт.

18

397681R1

PEDAL, LH brake, includes nut and screw

1шт.

114503

JAM NUT,Jam, 3/8"-16, G5

1шт.

223095

SCREW, 3/8-16 x 1-1/4 hex-soc-hd

1шт.

19

43751DB

LATCH, PEDALS

PLATE, brake pedal lock

1шт.

20

51293D

SPRING

brake pedal lock tension

1шт.

20895R1

PIN,1/4" x 1", Coiled

1шт.

21

397682R1

PEDAL, RH brake

1шт.

114503

JAM NUT,Jam, 3/8"-16, G5

1шт.

223095

SCREW, 3/8-16 x 1-1/4 hex-soc-hd half dog-pt set

1шт.

22

80722

LUBE NIPPLE,3/16" x .55" lg, Drive

FITTING, 3/16 drive, type str lub

2шт.

23

59315D

SPRING

brake pedal return

2шт.

24

384082R1

LINK

brake operating

2шт.

108630

COTTER PIN,1/8" x 7/8"

Pin, Split (Cotter), 1/8" x 7/8"

4шт.

21623R1

PIN, 1/2 x 1-11/16 C-Z rod end

4шт.

395-11053

WASHER,0.53" ID x 1.06" OD x 0.1" Thk

17/32 x 1-1/16 x .095

4шт.

25

384083R1

NO LONGER SERVICED

YOKE, brake operating

2шт.

179818

BOLT,Hex, 5/16" - 18 x 1", Gr 5

2шт.

26

384084R1

ADAPTER, brake shaft & hydraulic valve mounting

1шт.

432-1240

COTTER PIN,3/16" x 2 1/2"

Pin, Split (Cotter), 3/16" x 2 1/2"

1шт.

179881

BOLT,1/2" - 13 x 1", Gr 5

3шт.

27

384085R1

SHAFT

brake pedal

1шт.

28

384186R93

VALVE

ASSY, power brake, for components, see list of parts under detail of power brake valve

1шт.

280161

BOLT,Hex, 3/8" - 16 x 3", Gr 5

1шт.

186283

BOLT,Hex, 3/8" - 16 x 3 1/2", Gr 5

SCREW, 3/8-16 x 3-1/2 hex hd cap

1шт.

103321

LOCK WASHER,3/8"

WASHER, LOCK, 3/8"

2шт.

29

384221R11

TUBE

PIPE ASSY, hyd brake pressure

1шт.

30

9410202

HYD CONNECTOR,9/16"-18, 37 Degree x 9/16"-18, O-Ring

UNION, 9/16-18 C-Z 37 deg hyd flared tube short swivel

4шт.

31

364839R1

O-RING,0.078" Thk x 0.468" ID, -906, Cl 6, 90 Duro

6-1, 90 Duro, .468" ID x .078" Thk

6шт.

32

384222R11

TUBE

PIPE ASSY, LH brake

1шт.

33

9410976

ELBOW,90 Degree, 9/16"-18, 37 Degree x 9/16"-18, O-Ring

9/16-18 37 deg hyd flared tube adj str thd 90 deg

2шт.

34

529038R1

TUBE

PIPE ASSY, RH brake

1шт.

34

384223R11

PIPE

ASSY, RH brake, tractors with cab

1шт.

35

392777R2

PLATE ASSY.

PLATE, intermediate brake

2шт.

36

392776R21

PLATE ASSY.

PLATE ASSY, primary brake, Farmall tractors, composed of (1) plate 392776R2 (NSS), (2) screw 228320, (2) screw 384163R2 (NSS), (2) spring 384164R4 (NSS), (2) spring 384164R4 (NSS), Serial Range: -14270

1шт.

36

392776R21

PLATE ASSY.

PLATE ASSY, primary brake, International tractors, composed of (1) plate 392776R2 (NSS), (2) screw 228320, (2) screw 384163R2 (NSS), (2) spring 384164R4 (NSS), (2) spring 384164R4 (NSS), Serial Range: -8698

1шт.

228320

SCREW, w/ext tooth lock washer, 8-32 x 1/4 C-Z slt-rd-hd-mach

4шт.

37

527444R1

PLATE ASSY.

PLATE, primary brake, Farmall tractors, Start Serial: 14271

2шт.

37

527444R1

PLATE ASSY.

PLATE, primary brake, International tractors, Start Serial: 8699

2шт.

37

527444R1GV

BRAKE PLATE

Value, Brake Plate

2шт.

38

527445R1

TUBE

ASSY, brake adjuster, Farmall tractors, Start Serial: 14271

8шт.

38

527445R1

TUBE

ASSY, brake adjuster, International tractors, Start Serial: 8699

8шт.

391297R91

VALVE SPRING

PACKAGE, 4 ea. self adjusting screw and 4 ea. lock spring service, for plate assy, 392776R21, Farmall tractors, Serial Range: -14270

1шт.

391297R91

VALVE SPRING

PACKAGE, 4 ea. self adjusting screw and 4 ea. lock spring service, for plate assy, 392776R21, International tractors, Serial Range: -8698

1шт.

406726R91

PACKAGE, power brake piston housing o-ring and seal service, consists of

1шт.

285453R1

O-RING,0.139" Thk x 6.734" ID, -261, Cl 5, 75 Duro

6-3/4 x 7 x 1/8, brake piston housing seal

2шт.

354836R1

O-RING,0.139" Thk x 3.234" ID, -236, Cl 5, 75 Duro

3-1/4 x 3-1/2 x 1/8, piston inner seal

2шт.

384365R1

RING

O-RING, 8-1/4 x 8-1/2, piston outer seal

2шт.

384156R91

SEAL

brake piston housing oil

2шт.

531066R91

PARTS ACCESSORY, self adjusting brake overhaul, Farmall tractors, consists of (2) housing 527443R11, (2) o-ring 530789R1, (2) o-ring 530807R1, (2) o-ring 530808R1, (2) plate 527444R1, (2) plug 384339R1, (2) seal 530806R91, (8) tube 527445R1, Serial Range: -14270

1шт.

531066R91

PARTS ACCESSORY, self adjusting brake overhaul, International tractors, consists of (2) housing 527443R11, (2) o-ring 530789R1, (2) o-ring 530807R1, (2) o-ring 530808R1, (2) plate 527444R1, (2) plug 384339R1, (2) seal 530806R91, (8) tube 527445R1, Serial Range: -8698

1шт.

Выбрано товаров: 80