Запчасти Case IH 1256 (B-07) - POWER TRAIN, TRANSMISSION, TRACTORS WITH ALL WHEEL DRIVE (03) - POWER TRAIN

Схема запчастей Case IH 1256 - (B-07) - POWER TRAIN, TRANSMISSION, TRACTORS WITH ALL WHEEL DRIVE (03) - POWER TRAIN
8
4
7
19
11
28
12
22
1
5
26
15
23
2
6
25
24
10
7
3
18
14
17
16
14
9
20
16
27
12
21
13
FIT
1:1
100%

Артикул

Название

Примечание

Количество

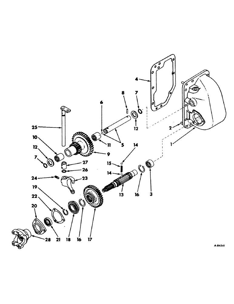
1

385754R21

HOUSING

ASSY, transmission drive

1шт.

444788

DRAIN PLUG,Sq Soc, 1/2"-14 NPTF

PLUG, 1/2-14 auto sq-soc pipe

1шт.

179883

BOLT,Hex, 1/2" - 13 x 1 1/4", Gr 5

8шт.

2

20024R1

PIN

3/8 x 1 dowel

2шт.

3

385755R91

BEARING

output shaft rear needle

1шт.

4

385756R1

GASKET

housing, .011, .019

1шт.

4

385757R1

GASKET

housing, .016, .024

1шт.

5

385758R11

SHAFT

ASSY, spool gear

1шт.

6

16010R1

BALL

5/16 cr-stl

1шт.

7

372821R1

O-RING,0.103" Thk x 1.049" ID, -121, Cl 5, 75 Duro

1-1/6 x 1-1/4 x 3/32, spool gear shaft

2шт.

8

19479R1

PIN,1/4" x 2", Coiled

1шт.

9

392544R1

PINION

GEAR, spool, 37 & 17T

1шт.

10

914455R91

NEEDLE BEARING,1.25" ID x 1.5" OD x 1.25"

spool gear front needle

1шт.

11

102613R91

NEEDLE BEARING

spool gear rear needle

1шт.

12

385761R1

THRUST WASHER

spool gear thrust

2шт.

13

385762R1

SHAFT

output driven

1шт.

14

17010R1

BALL,5/16" Dia

2шт.

15

385763R1

VALVE SPRING

SPRING, ball poppet

1шт.

16

381486R1

SNAP RING,#187, 1.759", Ext

RING, output driven shaft ext snap

2шт.

17

392545R1

GEAR WHEEL

GEAR, output driven, 37T

1шт.

18

ST239

BALL BEARING,40 mm ID x 80 mm OD x 18 mm

BEARING, output shaft front ball

1шт.

19

555570R1

SNAP RING

RING, output shaft brg retainer snap

1шт.

20

385765R1

CAGE

output shaft oil seal

1шт.

179839

BOLT,Hex, 3/8" - 16 x 1", Gr 5

3шт.

21

385766R91

OIL SEAL,38.1mm ID x 60.45mm OD x 8.13mm Thk

SEAL, output shaft oil

1шт.

22

385767R1

GASKET

output shaft oil seal retainer

1шт.

23

385768R11

FORK TEDDER

FORK ASSY, shifter

1шт.

24

377921R1

SCREW,Sl, 3/8" - 16 x 0.88"

shifter fork lock

1шт.

114503

JAM NUT,Jam, 3/8"-16, G5

1шт.

25

385770R11

SHAFT

ASSY, shifter

1шт.

26

352221R1

O-RING,0.103" Thk x 0.549" ID, -113, Cl 5, 75 Duro

9/16 x 3/4 x 3/32, shifter shaft

1шт.

27

385772R1

SPACER

shifter shaft

1шт.

28

385773R1

YOKE

output driven shaft end

1шт.

18501R1

LOCK NUT,7/8"-14

NUT, 7/8-14 ESNA stop

1шт.

103347

WASHER

15/16 x 1-3/4 x .134

1шт.

Выбрано товаров: 35