Запчасти Case IH 1456 (06-03) - COOLING, OIL COOLER AND CONNECTIONS, INTERNATIONAL TRACTORS Cooling

Схема запчастей Case IH 1456 - (06-03) - COOLING, OIL COOLER AND CONNECTIONS, INTERNATIONAL TRACTORS Cooling
20
18
11
5
1
22
16
6
2
19
9
22
15
8
23
3
21
25
10
4
12
22
17
22
9
21
5
7
13
24
14
FIT
1:1
100%

Артикул

Название

Примечание

Количество

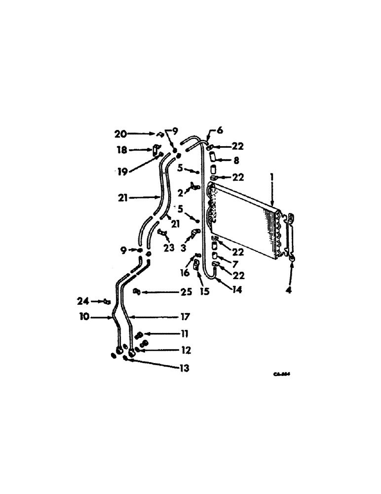
1

387323R91

COOLER ASSY, oil

1шт.

2

387324R2

BRACKET, oil cooler mounting upper

1шт.

324235R1

12 PT SCREW,Flg, 3/8"-16 x 3/4"

SCREW, 12-pt

1шт.

3

387325R2

BRACKET, oil cooler mounting lower

1шт.

324235R1

12 PT SCREW,Flg, 3/8"-16 x 3/4"

SCREW, 12-pt

1шт.

4

387326R1

SUPPORT, oil cooler

1шт.

14994R1

CARRIAGE BOLT,Sq Nk, 5/16" - 18 x 3/4", Gr 2

BOLT, CARRIAGE, Short NK, 5/16"-18 x 3/4", G2

2шт.

324235R1

12 PT SCREW,Flg, 3/8"-16 x 3/4"

SCREW, 12-pt

2шт.

129-419

WING NUT,5/16"-18

NUT, 5/16-18 wing

2шт.

Q397

WASHER

11/32 x 3/4 x .06

1шт.

5

387327R1

BUSHING

oil cooler pivot

2шт.

6

387328R1

PIPE, oil cooler inlet front

1шт.

7

387329R1

HOSE, oil cooler inlet pipe short

1шт.

8

387330R1

HOSE, oil cooler inlet pipe long

1шт.

9

261498R91

COLLAR CLAMP,nasp

CLAMP, oil cooler inlet pipe hose, optional w/274085R91

4шт.

9

274085R91

HOSE CLAMP,#10, 0.56/1.06 Type F Worm

CLAMP, oil cooler inlet pipe hose, optional w/261498R91

4шт.

10

399921R1

TUBE

PIPE ASSY, oil cooler inlet rear

1шт.

11

384577R1

NIPPLE, LUBE

PLUG, inlet rear pipe union

2шт.

12

384578R1

O-RING,0.07" Thk x 0.801" ID, -19, Cl 6, 90 Duro

13/16 x 15/16 x 1/16, inlet rear pipe union plug

2шт.

13

570828R1

O-RING,0.087" Thk x 0.644" ID, -908, Cl 6, 90 Duro

1/2 OD tube, inlet rear pipe union

2шт.

14

387337R1

PIPE, oil cooler outlet front

1шт.

15

387338R1

SUPPORT, oil cooler outlet pipe clamp

1шт.

179837

BOLT,Hex, 3/8" - 16 x 3/4", Gr 5

1шт.

16

341670R1

CLAMP, oil cooler outlet pipe

1шт.

179793

BOLT,Hex, 1/4" - 20 x 5/8", Gr 5, Full Thd

1шт.

109084

NUT,1/4"-20, G5

1шт.

17

399919R2

TUBE

PIPE ASSY, oil cooler outlet rear

1шт.

18

384581R1

BRACKET, oil cooler front pipe

1шт.

179816

BOLT,Hex, 5/16" - 18 x 3/4", Gr 5

1шт.

19

351549R1

WASHER

SPACER, oil cooler tube support

1шт.

20

381448R1

CLAMP

oil cooler tube

1шт.

179797

BOLT,Hex, 1/4" - 20 x 1", Gr 5

1шт.

103319

LOCK WASHER,1/4"

WASHER, LOCK, 1/4"

1шт.

109084

NUT,1/4"-20, G5

1шт.

21

391259R1

HYDRAULIC HOSE,12.70 mm ID, SAE 100R6, SAE J517

HOSE, oil cooler

2шт.

22

261498R91

COLLAR CLAMP,nasp

CLAMP, oil cooler hose, optional w/274085R91

4шт.

22

274085R91

HOSE CLAMP,#10, 0.56/1.06 Type F Worm

CLAMP, oil cooler inlet pipe hose, optional w/261498R91

4шт.

23

384586R1

GUIDE

oil cooler hose

1шт.

88574

BOLT,Hex, 5/16" - 18 x 1/2", Gr 5, Full Thd

SCREW, 5/16-18 x 1/2 hex-hd cap

1шт.

24

384855R11

CLAMP

ASSY, oil cooler rear pipes

1шт.

25

384855R1

CLAMP

oil cooler rear pipes

1шт.

179795

TILLAGE BLADE

SCREW, 1/4-20 x 3/4 hex-hd cap

1шт.

103319

LOCK WASHER,1/4"

WASHER, LOCK, 1/4"

1шт.

Выбрано товаров: 43