Запчасти Case IH 1456 (13-06) - SUPERSTRUCTURE, STEERING AND GEAR SELECTOR SUPPORTS (05) - SUPERSTRUCTURE

Схема запчастей Case IH 1456 - (13-06) - SUPERSTRUCTURE, STEERING AND GEAR SELECTOR SUPPORTS (05) - SUPERSTRUCTURE
7
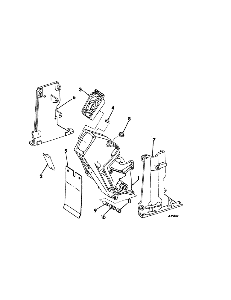
2
10
4
9
3
6
1
8
11
5
FIT
1:1
100%

Артикул

Название

Примечание

Количество

1

533306R91

BRACKET

SUPPORT ASSY, steering and gear selector, also order adapter 534656R1, adapter 534659R1, cover 534654R1 & two screw 179816, composed of (1) pin 20024R1 (1) pin 406070R1 (1) support 533307R1 (NSS)

1шт.

179840

BOLT,Hex, 3/8" - 16 x 1 1/8", Gr 5

SCREW, 3/8-16 x 1-1/8 hex-hd cap, 2 for Farmall tractors, 3 for International tractors

1шт.

179841

BOLT,Hex, 3/8" - 16 x 1 1/4", Gr 5

3/8-16 x 1-1/4 hex-hd cap, 2 for Farmall tractors, 1 for International tractors

1шт.

95-11041

WASHER,3/8"

(13/32 x 13/16 x .065), 2 for Farmall tractors, 1 for International tractors 3/8"

1шт.

2

(Not used in this application)

1шт.

3

398276R1

COVER, steering & gear selector support

1шт.

385528R1

PIN

3/16 x 1/2 CDP dowel

1шт.

21327R1

SCREW

5/16-18 x 1-1/4 C-Z hex-soc-hd cap

4шт.

4

382638R2

BUSHING,19.07mm ID x 22.24mm OD x 19.05mm L

range transmission selector cross shaft

1шт.

5

538548R1

COVER

W/LINER, 534448R1 and product graphic, gear selector support

1шт.

386858R1

SCREW,Hex Wshr Hd, 3/8" - 16 x 0.75"

3/8-16 x 3/4 CDP hex. washer hd cap

2шт.

354825R1

WASHER

steering support rear opening cover

1шт.

6

398108R3

SUPPORT ASSY.

SUPPORT, gear selector left

1шт.

280161

BOLT,Hex, 3/8" - 16 x 3", Gr 5

4шт.

7

398109R2

SUPPORT, gear selector right

1шт.

280161

BOLT,Hex, 3/8" - 16 x 3", Gr 5

3шт.

186282

BOLT,Hex, 3/8" - 16 x 3 1/4", Gr 5

SCREW, 3/8-16 x 3-1/4 hex-hd cap

1шт.

8

398283R1

INSERT, governor control rod

1шт.

19955R1

PIN,1/4" x 1/2", Coiled

1шт.

9

404855R1

SLEEVE CYLINDER

SLEEVE, transmission shift support

1шт.

10

398274R1

BUSHING,19.07mm ID x 22.24mm OD x 31.75mm L

transmission cross shaft

1шт.

11

(Not used in application)

1шт.

Выбрано товаров: 22