Запчасти Case IH 1456 (13-18) - SUPERSTRUCTURE, TRACTOR CAB (05) - SUPERSTRUCTURE

Схема запчастей Case IH 1456 - (13-18) - SUPERSTRUCTURE, TRACTOR CAB (05) - SUPERSTRUCTURE
FIT
1:1
100%

Артикул

Название

Примечание

Количество

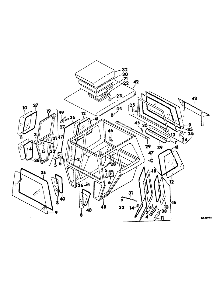
1

533512R1

LARGE PLATE

PLATE, striker

2шт.

120375

NUT,Hex, 1/4" - 20, Gr 5

4шт.

470-12510

SCREW,Slotted Pan Hd, 1/4"-20 x 5/8"

1/4-20 x 5/8 znd slt-pan-hd mach

4шт.

121637

LOCK WASHER

WASHER, 1/4 znd light lock

4шт.

2

533513R1

SHIM, striker plate, use as required

1шт.

3

533523R1

HANDLE

W/KEY, outside door

2шт.

179355

SCREW, 10-24 x 3/4 cr-rec-ov-hd mach

4шт.

4

533857R1

KEY, door handle

2шт.

5

533510R1

BRACKET, mirror mounting

2шт.

6

533511R1

MIRROR

rear view

2шт.

120367

NUT,Hex, 1/4" - 28, Gr 5

1/4-28 znd hex.

2шт.

121637

LOCK WASHER

WASHER, 1/4 znd light lock

2шт.

7

533529R1

GLASS, lower rear panel, refer to tractor cab glass dimensions, this section

1шт.

8

533531R1

GLASS

lower windshield, refer to tractor cab glass dimensions, this section

2шт.

9

533504R1

GLASS, windshield and rear window, refer to tractor cab glass dimensions, this section

2шт.

10

533519R1

GLASS

upper door, refer to tractor cab glass dimensions, this section

2шт.

11

533521R1

GLASS, lower door, refer to tractor cab glass dimensions, this section

2шт.

12

533533R1

GLASS

side panel, refer to tractor cab glass dimensions, this section

2шт.

13

533501R91

WINDOW ASSY, rear

1шт.

120375

NUT,Hex, 1/4" - 20, Gr 5

4шт.

88542

BOLT,Hex, 1/4"-20 x 1/2", Gr 5

SCREW, 1/4-20 x 1/2 znd hex-hd cap

4шт.

121637

LOCK WASHER

WASHER, 1/4 znd light lock

4шт.

14

533525R2

LATCH

inside LH door

1шт.

440502

SCREW,Hex Hd, #10-24 x 5/8"

10-24 x 5/8 C-Z hex-hd cap

2шт.

131183

WASHER, no. 10 znd lt lock

2шт.

15

533524R2

LATCH

inside RH door

1шт.

440502

SCREW,Hex Hd, #10-24 x 5/8"

10-24 x 5/8 C-Z hex-hd cap

2шт.

131183

WASHER, no. 10 znd lt lock

2шт.

16

533514R91

DOOR ASSY, LH cab

1шт.

120375

NUT,Hex, 1/4" - 20, Gr 5

4шт.

180018

CONNECTING LINK

SCREW, 1/4-20 x 5/8 znd hex-hd cap

4шт.

121637

LOCK WASHER

WASHER, 1/4 znd light lock

8шт.

120392

WASHER,1/4", SAE

9/32 x 5/8 x .051 C-Z flat

8шт.

17

533515R91

DOOR ASSY, RH

1шт.

120375

NUT,Hex, 1/4" - 20, Gr 5

4шт.

413-410

BOLT,Hex, 1/4" - 20 x 5/8", Gr 5

SCREW, 1/4-20 x 5/8 znd hex-hd cap

4шт.

121637

LOCK WASHER

WASHER, 1/4 znd light lock

8шт.

120392

WASHER,1/4", SAE

9/32 x 5/8 x .051 C-Z flat

8шт.

18

533517R91

FRAME, LH door

1шт.

19

533518R91

FRAME, RH door

1шт.

20

533502R91

FRAME ASSY, rear window

1шт.

21

533499R1

SCREEN, filter

1шт.

22

533500R91

PANEL ASSY, blower, refer to cab pressurizer listing, this section

1шт.

120375

NUT,Hex, 1/4" - 20, Gr 5

2шт.

23

533497R1

LATCH, pressurizer cover

1шт.

120361

NUT,Hex Mach Screw, #10 - 24

2шт.

436732

SCREW,Slotted Pan Hd, #10-24 x 1/2"

10-24 x 1/2 C-Z slt-pan-hd mach

2шт.

120217

LOCK WASHER,#10

WASHER, LOCK, #10

2шт.

24

533506R1

ADJUSTER

sash LH

1шт.

231-1446

NUT,3/8" - 16, Gr 5

NUT LOCK, 3/8"-16, GB

2шт.

477242R1

WASHER

13/32 x 1 x .030 C-Z flat

4шт.

25

533507R1

ADJUSTER, sash RH

1шт.

231-1446

NUT,3/8" - 16, Gr 5

NUT LOCK, 3/8"-16, GB

2шт.

477242R1

WASHER

13/32 x 1 x .030 C-Z flat

4шт.

26

533528R1

CLIP, cowl shroud, Farmall tractors, Serial Range: -12997

4шт.

26

533528R1

CLIP, cowl shroud, International tractors, Serial Range: -10183

4шт.

120361

NUT,Hex Mach Screw, #10 - 24

4шт.

436734

SCREW,Slotted Pan Hd, #10-24 x 3/4"

10-24 x 3/4 C-Z slt-pan-hd mach

4шт.

120217

LOCK WASHER,#10

WASHER, LOCK, #10

4шт.

495-11022

WASHER,5.56mm ID x 11.13mm OD x 1.25mm Thk

7/32 x 7/16 x .036 C-Z

4шт.

27

537465R1

DOOR

CHECK, RH, also order two bolts 537467R1, nut 19296R1 & spring 537466R1 unless already so equipped

1шт.

537467R1

BOLT (SPREADER),Shoulder, 5/16" - 18

BOLT, 5/16-18 shoulder

2шт.

19296R1

NUT,5/16"-18, G5

5/16-18 CDP hex.

1шт.

28

537464R1

DOOR

CHECK, LH, also order two bolts 537467R1, nut 19296R1 & spring 537466R1 unless already so equipped

1шт.

537467R1

BOLT (SPREADER),Shoulder, 5/16" - 18

BOLT, 5/16-18 shoulder

2шт.

19296R1

NUT,5/16"-18, G5

5/16-18 CDP hex.

1шт.

29

533495R1

SHIELD, rear window rain

1шт.

30

533498R1

FILTER

pressurizer

1шт.

31

533508R1

ADJUSTER, door

2шт.

32

533496R1

COVER, pressurizer

1шт.

120375

NUT,Hex, 1/4" - 20, Gr 5

4шт.

88542

BOLT,Hex, 1/4"-20 x 1/2", Gr 5

SCREW, 1/4-20 x 1/2 znd hex-hd cap

4шт.

121637

LOCK WASHER

WASHER, 1/4 znd light lock

4шт.

33

533509R1

GROMMET

plastic

4шт.

34

533503R1

SEAL, rear window frame weather, 174 in. long, purchase locally

1шт.

35

533505R1

SEAL, rear window glass & windshield moulding, 145 in. long, purchase locally

2шт.

36

533516R1

SEAL, door weather, 149 in. long, purchase locally

2шт.

37

533520R1

SEAL, upper door glass moulding, 86 in. long, purchase locally

2шт.

38

533522R1

SEAL, lower door glass moulding, 52 in. long, purchase locally

2шт.

39

533530R1

SEAL, lower rear panel glass moulding, 75 in. long, purchase locally

1шт.

40

533532R1

SEAL, lower windshield glass moulding, 58 in. long, purchase locally

2шт.

41

533534R1

SEAL, side panel glass moulding, 102 in. long, purchase locally

2шт.

42

533494R1

ROOF ASSY, tractor cab

1шт.

120376

NUT,5/16"-18, G5

11шт.

180077

BOLT,Hex, 5/16" - 18 x 3/4", Gr 5

SCREW, 5/16-18 x 3/4 znd hex-hd cap

11шт.

80681

LOCK WASHER,5/16"

WASHER, LOCK, 5/16"

11шт.

43

535736R1

PANEL, rear reinforcement

1шт.

202107C1

BOLT,Hex Serr Flg, 5/16" - 18 x 3/4"

5/16-18 x 3/4 znd hex. washer hd lock

15шт.

22512R1

SCREW, 5/16-18 x 2-1/4 CDP hex-hd cap

4шт.

120393

BEARING WASHER,5/16", SAE

WASHER, 11/32 x 11/16 x .051 C-Z, under bolt head

4шт.

938017R1

FLANGE NUT,Flg, USR, 5/16"-18

5/16-18 C-Z hex. washer hd lock

19шт.

44

535737R1

GUSSET, rear upper RH

1шт.

202107C1

BOLT,Hex Serr Flg, 5/16" - 18 x 3/4"

5/16-18 x 3/4 znd hex. washer hd lock

4шт.

938017R1

FLANGE NUT,Flg, USR, 5/16"-18

5/16-18 C-Z hex. washer hd lock

4шт.

45

535738R1

GUSSET, rear upper LH

1шт.

202107C1

BOLT,Hex Serr Flg, 5/16" - 18 x 3/4"

5/16-18 x 3/4 znd hex. washer hd lock

4шт.

938017C1

NUT, 5/16-18 C-Z hex. washer hd lock

4шт.

46

535739R1

GUSSET, rear lower RH

1шт.

202107C1

BOLT,Hex Serr Flg, 5/16" - 18 x 3/4"

5/16-18 x 3/4 znd hex. washer hd lock

3шт.

938017R1

FLANGE NUT,Flg, USR, 5/16"-18

5/16-18 C-Z hex. washer hd lock

3шт.

47

535740R1

GUSSET, rear lower LH

1шт.

202107C1

BOLT,Hex Serr Flg, 5/16" - 18 x 3/4"

5/16-18 x 3/4 znd hex. washer hd lock

3шт.

938017R1

FLANGE NUT,Flg, USR, 5/16"-18

5/16-18 C-Z hex. washer hd. lock

3шт.

48

536036R91

FRAME ASSY, cab

1шт.

49

537466R1

SPRING

door check

2шт.

Выбрано товаров: 105