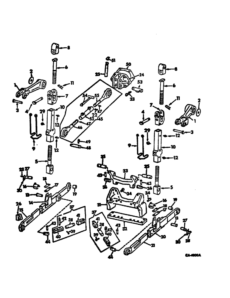
Запчасти Case IH 1466 (09-16) - FRAME, THREE POINT HITCH TRACTORS WITH DRAFT CONTROL & SENSING & WITHOUT CAM SWAY LIMITING SYSTEM (12) - FRAME

Схема запчастей Case IH 1466 - (09-16) - FRAME, THREE POINT HITCH TRACTORS WITH DRAFT CONTROL & SENSING & WITHOUT CAM SWAY LIMITING SYSTEM (12) - FRAME
41
48
13
15
16
43
43
45
7
40
5
47
40
35
18
3
35
22
30
55
33
44
18
47
10
20
7
39
5
16
17
43
4
17
4
27
53
26
19
12
31
41
50
46
30
21
27
51
44
49
12
42
24
39
32
34
9
9
3
36
37
8
25
1
12
6
8
54
10
28
6
34
43
29
36
38
28
1
42
38
52
2
14
37
29
12
11
23
11
19
2
FIT
1:1
100%

Артикул

Название

Примечание

Количество

1

108589C1

ARM

rockshaft

2шт.

2

388574R1

WASHER,16.51mm ID x 82.55mm OD x 4.78mm Thk

rockshaft arm retainer

2шт.

271556

WHEEL CYLINDER,Hex, 5/8" - 11 x 1 1/4", Gr 5

SCREW, 5/8-11 x 1-3/4 hex-hd cap

2шт.

3

108590C1

PIN,19.05mm OD x 120.65mm L

headed

2шт.

432-1620

COTTER PIN,1/4" x 1 1/4"

Pin, Split (Cotter), 1/4" x 1 1/4"

2шт.

4

108582C1

PIN

3/4 x 3-3/4 headed

2шт.

27357R1

HEADED PIN,3/4" x 3 3/4"

PIN, 3/4 x 3-3/4 headed

2шт.

5

108583C1

ROD

lower leveling

2шт.

6

108584C1

ROD

upper leveling

2шт.

7

108585C1

YOKE

lift link

2шт.

8

108586C1

TRUNNION

SWIVEL, lift link

1шт.

86504104

LUBE NIPPLE,1/4" x .56" lg, Drive

FITTING, 1/4 drive-type str lub

2шт.

9

123464C1

CLAMP

BAIL, turnbuckle lock, replaces 108744C1, on order for 108744C1 furnish 1 bail 123464C1, 1 bolt 189304, 1 nut 9411655 and 2 washers 120394

1шт.

189304

BOLT,Hex, 3/8" - 16 x 3 1/4", Gr 5

3/8 x 3-1/4 type 5

2шт.

120394

WASHER,3/8", SAE

WASHER, .406 x .812 x .051

4шт.

9411655

LOCK NUT,3/8"-16, GB

NUT, 3/8 cad p/t lock type 5

2шт.

10

108588C1

TURNBUCKLE

lift link

2шт.

86504104

LUBE NIPPLE,1/4" x .56" lg, Drive

FITTING, 1/4 drive-type str lub

2шт.

576485R1

LOCK PIN,1/4" x 1 1/4", Slotted

24шт.

11

480523R1

HAIR PIN COTTER

quick attachable

2шт.

103397

COTTER PIN,5/32" x 1 1/4"

Pin, Split (Cotter), 5/32" x 1 1/4"

2шт.

12

86504104

LUBE NIPPLE,1/4" x .56" lg, Drive

FITTING, 1/4 drive-type str lub, leveling screw housing

2шт.

13

392915R1

AXLE PIN

PIN, leveling screw housing

2шт.

432-1624

COTTER PIN,1/4" x 1 1/2"

Pin, Split (Cotter), 1/4" x 1 1/2"

2шт.

14

398387R92

ARM

LINK W/BUSHING, front section lower LH

1шт.

the sping pin that goes into the 2, 1/2 inch holes are 238-2000

1шт.

15

398395R1

LINK

ASSY, rear section LH

1шт.

16

398399R1

LATCH

lower link

2шт.

17

382192R1

SPRING

lower latch

2шт.

18

382193R1

SPRING

stiffener

2шт.

181331

BOLT,Hex, 5/16" - 24 x 1/2", Gr 5

SCREW, 5/16-24 x 1/2 hex-hd cap

2шт.

20126R1

PIN,1/2" x 2", Coiled

2шт.

19

392180R1

BUSHING

front lower link ball

2шт.

557273R1

WASHER

1-1/32 x 2 x 11 ga

2шт.

20

398388R92

ARM

LINK W/BUSHING, front section lower RH

1шт.

21

398396R1

LINK

ASSY, rear section lower RH

1шт.

22

517843R1

COTTER PIN

PIN, quick attachable cotter

1шт.

23

591107R1

COTTER PIN

quick attachable cot

1шт.

24

392210R3

ASSEMBLY

BRACKET ASSY, upper link

1шт.

570879R1

BOLT,Hex, 5/8" - 11 x 2 1/4", Gr 8

SCREW, 5/8-11 x 2-1/4 hex-hd cap

5шт.

614636R1

SCREW,Hex, 5/8"-11 x 1 7/8", G8, Full Thd

5/8-11 x 1-7/8 hex-hd cap

1шт.

25

393002R11

TUBE

ASSY, upper link storage

1шт.

26

404788R1

SHIELD

linch pin

2шт.

27

406686R1

PIN

lower link

2шт.

28

219-8

LUBE NIPPLE,1/4" - 28 NPTF

NIPPLE, LUBE, , Straight, Lower link pin 1/4"-28 NPT x .54" lg

2шт.

29

392181R91

PIN

ASSY, lower link drawbar

2шт.

30

406687R1

RETAINER

lower link pin

2шт.

179882

PIN

SCREW, 1/2-13 x 1-1/8 hex-hd cap

2шт.

103323

LOCK WASHER,1/2"

WASHER, LOCK, 1/2"

2шт.

31

108500C1

SUPPORT

drawbar

1шт.

20065R1

BOLT,Hex, 5/8" - 11 x 2 1/2", Gr 8

SCREWBAR, 5/8-11 x 2-1/2 hex-hd cap

2шт.

223442

BOLT,Hex, 5/8" - 11 x 3 1/2", Gr 8

SCREW, 5/8-11 x 3-1/2 hex-hd cap

6шт.

32

393777R1

BAR, drawbar support

1шт.

20094R1

BOLT,Hex, 3/4" - 10 x 2 1/2", Gr 8

SCREW, 3/4-10 x 2-1/2 hex-hd cap

4шт.

33

392183R1

ARM

stabilizer control

1шт.

34

383261R2

ADJUSTMENT SCREW

draft adjusting

2шт.

396467R1

NUT

adjusting

2шт.

35

67693C1

SHAFT

stabilizer control arm

2шт.

19684R1

LOCK PIN,1/2" x 2 3/4", Slotted

Pin, 1/2" x 2 3/4", Slotted

2шт.

36

392185R1

BOLT,1 3/8" - 6 x 2.50"

stabilizer front eye

2шт.

37

STABILIZER ASSY, lateral limiter, not serviced as an assembly, order component parts

2шт.

38

69133C1

STUD

lateral limiter

2шт.

39

527370R1

PIN

5/8 x 2-1/2 headed

2шт.

496-21066

WASHER,16.6mm ID x 33.5mm OD x 3.8mm Thk

21/32 x 1-5/16 x .095

1шт.

364436R1

PIN,3/16" x 1", Coiled

1шт.

40

406248R2

YOKE

lateral limiter

2шт.

41

406249R1

YOKE

limiter front

2шт.

42

392193R21

PIN

ASSY, lockout

2шт.

520175R1

CLIP

PIN, quick attachable cot

2шт.

43

392194R1

HEADED PIN,3/4" x 2 3/8"

PIN, stabilizer

4шт.

432-1624

COTTER PIN,1/4" x 1 1/2"

Pin, Split (Cotter), 1/4" x 1 1/2"

4шт.

44

392195R1

BOLT,1 3/8" - 6 x 2.62", Full Thd

stabilizer rear eye

2шт.

45

404632R91

TURNBUCKLE

W/SCREWS, upper link

1шт.

46

398401R1

SCREW

ASSY, LH thread

1шт.

47

19689R1

PIN,1/4" x 1 1/4", Coiled

2шт.

48

392211R1

AXLE PIN

PIN, upper link implement

1шт.

49

392181R91

PIN

ASSY, upper hitch

2шт.

50

383330R1

GASKET

draft control adj opening cover

1шт.

51

393004R1

SUPPORT

CLIP, upper link storage bracket

1шт.

179837

BOLT,Hex, 3/8" - 16 x 3/4", Gr 5

1шт.

52

404633R1

BUCKLE

TURNBUCKLE, upper link

1шт.

53

70804C1

AXLE PIN

PIN ASSY, upper link bracket

1шт.

54

392204R1

HANDLE

upper link turnbuckle

1шт.

SB191

HEADED PIN,3/8" x 1 3/4"

PIN, 3/8 x 1-3/4 standard head

1шт.

107763

COTTER PIN,1/8" x 5/8"

PIN, SPLIT (COTTER), 1/8" x 5/8"

1шт.

55

398404R1

SCREW

ASSY, RH thread

1шт.

Выбрано товаров: 86