Запчасти Case IH 1468 (10-25) - HYDRAULICS, POWER STEERING, 1468 TRACTOR (07) - HYDRAULICS

Схема запчастей Case IH 1468 - (10-25) - HYDRAULICS, POWER STEERING, 1468 TRACTOR (07) - HYDRAULICS
18
28
24
33
37
14
39
38
20
21
28
2
39
31
12
22
16
9
41
21
43
23
1
32
20
15
5
6
40
20
29
34
26
10
3
25
35
19
27
30
31
21
42
20
13
36
4
17
26
21
FIT
1:1
100%

Артикул

Название

Примечание

Количество

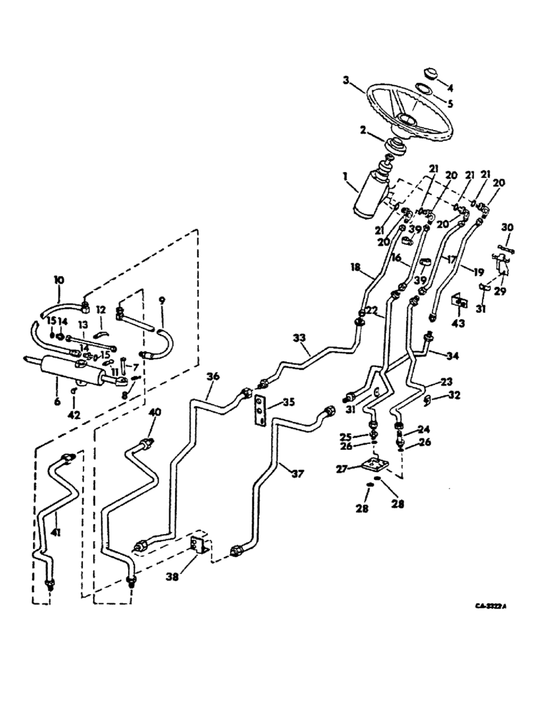
1

534994R92

PUMP

ASSY, power steering hand, order pump assy, 70111C93, for components, see list of parts under details of hydrostatic power steering hand pump

1шт.

179820

BOLT,Hex, 5/16" - 18 x 1 1/4", Gr 5

4шт.

115548

LOCK WASHER,Int Tooth, 5/16"

WASHER, LOCK, Int Tooth, 5/16"

4шт.

2

382587R1

SEAL

power steering hand pump shaft

1шт.

3

385156R1

WHEEL (STEERING)

WHEEL, 16 in. diameter steering

1шт.

3

385156R1GV

STEERING WHEEL

Value, Steering Wheel

1шт.

4

378395R1

CAP

steering wheel

1шт.

5

295204R1

O-RING,0.103" Thk x 2.8" ID, -149, Cl 5, 75 Duro

2-13/16 x 3 x 3/32, steering wheel cap

1шт.

6

533279R93

CYLINDER BLOCK

CYLINDER ASSY, hydraulic power supply, also order ref. nos. 11 & 12, for components, see list of parts under details of power steering cylinder, order steering service package 64519C91

1шт.

6

533279R94GV

STEERING CYLINDER

Value, Steering Cylinder

1шт.

7

533580R2

PIN,25.3mm OD x 142.24mm L

cylinder mount

1шт.

20340R1

COTTER PIN,1/4" x 1 1/2"

Pin, Split (Cotter), 1/4" x 1 1/2"

1шт.

8

109461

LUBE NIPPLE,1/8"-27 x .66 lg

NIPPLE, LUBE, , PTF 1/8"-27 x .66 lg

1шт.

9

537828R1

HOSE ASSY.,9.53mm ID x 577.85mm L, SAE 100R1

HOSE ASSY, power steering LH

1шт.

10

536032R2

HYDRAULIC HOSE,9.53mm ID x 22.75mm L, SAE 100R1

- Power steering, RH 9.52 mm ID x 577.80 mm, SAE 100R1 Class 7

1шт.

11

533578R2

CLAMP

tube

1шт.

12

533577R2

CLAMP

hose

1шт.

181331

BOLT,Hex, 5/16" - 24 x 1/2", Gr 5

SCREW, 5/16-24 x 1/2 hex-hd cap

1шт.

13

533579R2

TUBE

ASSY, cylinder RH port to steering LH hose

1шт.

14

9410202

HYD CONNECTOR,9/16"-18, 37 Degree x 9/16"-18, O-Ring

UNION, 9/16-18 C-Z 37 deg hyd flared tube short swivel

2шт.

15

364839R1

O-RING,0.078" Thk x 0.468" ID, -906, Cl 6, 90 Duro

6-1, 90 Duro, .468" ID x .078" Thk, 3/8 OD tube

2шт.

16

534582R1

HYD TUBE

TUBE ASSY, power steering pressure upper section, Serial Range: -7488

1шт.

16

65371R1

TUBE ASSY, power steering pressure upper section, Start Serial: 7489

1шт.

17

534547R1

TUBE ASSY, power steering return upper section, Serial Range: -7488

1шт.

17

65372C1

TUBE

ASSY, power steering return upper section, Start Serial: 7489

1шт.

18

534549R1

HYD TUBE

TUBE ASSY, hand pump to cyl right upper section

1шт.

19

534548R1

HYD TUBE

TUBE ASSY, hand pump to cyl left upper section

1шт.

20

531711R1

ELBOW UNION

ELBOW, 9/16-18 37 deg hyd flared tube adj str thd 90 deg

4шт.

21

364839R1

O-RING,0.078" Thk x 0.468" ID, -906, Cl 6, 90 Duro

6-1, 90 Duro, .468" ID x .078" Thk, 3/8 OD tube

4шт.

22

537833R1

HYD TUBE

TUBE ASSY, power steering pressure lower, Serial Range: -7488

1шт.

22

65373C1

TUBE ASSY.

TUBE ASSY, power steering pressure lower, Start Serial: 7489

1шт.

23

537834R1

HYD TUBE

TUBE ASSY, power steering return lower, Serial Range: -7488

1шт.

23

65374C1

TUBE ASSY.

TUBE ASSY, power steering return lower, Start Serial: 7489

1шт.

24

9410228

HYD CONNECTOR,9/16"-18, 37 Degree x 9/16"-18, Pipe

UNION, 9/16-18 C-Z 37 deg hyd flared tube long swivel

1шт.

25

9410202

HYD CONNECTOR,9/16"-18, 37 Degree x 9/16"-18, O-Ring

UNION, 9/16-18 C-Z 37 deg hyd flared tube short swivel

1шт.

26

364839R1

O-RING,0.078" Thk x 0.468" ID, -906, Cl 6, 90 Duro

6-1, 90 Duro, .468" ID x .078" Thk, 3/8 OD tube

2шт.

27

537840R1

BLOCK

power steering manifold

1шт.

NLS

NO LONGER SERVICED

3шт.

28

369908R1

O-RING,0.103" Thk x 0.799" ID, -117, Cl 5, 75 Duro

13/16 x 1 x 3/32

2шт.

29

537846R1

SUPPORT

ASSY, power steering tube rear

1шт.

179795

TILLAGE BLADE

SCREW, 1/4-20 x 3/4 hex-hd cap

1шт.

Q286

WASHER, 9/32 x 1 x .048

1шт.

30

537842R1

CLAMP

ASSY, power steering tubes rear

1шт.

103319

LOCK WASHER,1/4"

WASHER, LOCK, 1/4"

2шт.

179795

TILLAGE BLADE

SCREW, 1/4-20 x 3/4 hex-hd cap

2шт.

31

535307R1

CLAMP

tube

1шт.

179795

TILLAGE BLADE

SCREW, 1/4-20 x 3/4 hex-hd cap

1шт.

103319

LOCK WASHER,1/4"

WASHER, LOCK, 1/4"

1шт.

32

535306R1

CLAMP

ASSY, tube

1шт.

33

538108R1

TUBE ASSY, power steering center section RH

1шт.

9410059

LOCK NUT,Blkhd, 9/16"-18

NUT, 9/16-18 adj str thd fitting lock

1шт.

34

538107R1

TUBE ASSY, power steering center section LH

1шт.

9410059

LOCK NUT,Blkhd, 9/16"-18

NUT, 9/16-18 adj str thd fitting lock

1шт.

35

538109R1

SUPPORT, power steering center section bulkhead

1шт.

36

538111R1

TUBE ASSY, power steering front section & cylinder RH

1шт.

37

538110R2

TUBE ASSY, power steering front section & cylinder LH

1шт.

38

538112R2

BRACKET ASSY, power steering tube support front channel

1шт.

179818

BOLT,Hex, 5/16" - 18 x 1", Gr 5

1шт.

95-11034

WASHER,1/4"

11/32 x 11/16 x .051

1шт.

39

155850H1

CLAMP,3/8", 1/4" Bolt

power steering tube, Start Serial: 7489

2шт.

179791

BOLT,Hex, 1/4" - 20 x 1/2", Gr 5

2шт.

40

538114R2

TUBE ASSY, cylinder left turn

1шт.

9410059

LOCK NUT,Blkhd, 9/16"-18

NUT, 9/16-18 adj str thd fitting lock

1шт.

124939

NUT,Jam, 9/16"-18, G5

9/16-NF jam type 5

1шт.

41

538115R1

TUBE ASSY, cylinder right turn

1шт.

9410059

LOCK NUT,Blkhd, 9/16"-18

NUT, 9/16-18 adj str thd fitting lock

1шт.

124939

NUT,Jam, 9/16"-18, G5

9/16-NF jam type 5

1шт.

42

219-53

LUBE NIPPLE,65 Degree Elbow, 3/16" NPTF

FITTING, 3/16 65 deg angle drive type lub

2шт.

43

65379C1

BRACKET ASSY, upper tube mounting, Start Serial: 7489

1шт.

Выбрано товаров: 69