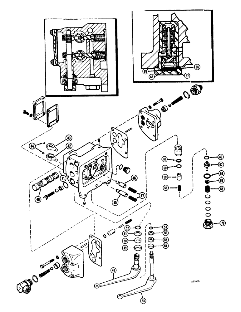
Запчасти Case IH 1470 (148) - A57571 AUXILIARY VALVE (08) - HYDRAULICS

Схема запчастей Case IH 1470 - (148) - A57571 AUXILIARY VALVE (08) - HYDRAULICS
60
56
61
68
40
60
70
63
49
45
44
55
57
51
52
48
46
43
41
65
69
53
62
54
58
64
50
42
66
59
67
47
FIT
1:1
100%

Артикул

Название

Примечание

Количество

A57571

VALVE

ASSY. - aux., non-float (Cont'd. from Figure 146), Includes: Ref. 40 - 70

1шт.

40

A57538

SPOOL

ASSY. - hyd. valve

2шт.

41

211-5

BALL,3/16" Dia

- (3/16" steel)

1шт.

42

A57546

ARM

ASSY. - inner, valve spool shifter, Includes: Ref. 44

1шт.

43

A57547

ARM

ASSY. - outer, valve spool shifter, Includes: Ref. 44

1шт.

44

178-875

SET SCREW,Hex Soc, 1/4"-20 x 1/4"

SCREW - set, valve spool shifter arm

1шт.

45

A57554

PLUNGER

- inner, hyd. valve spool

1шт.

46

A57555

PLUNGER

- outer, hyd. valve spool

1шт.

47

A30883

SPRING

- plunger, hyd. valve spool

2шт.

48

A57540

SHAFT

LEVER - spool shifter, inner

1шт.

49

A30880

RETAINER

- felt seal

1шт.

50

A30879

WASHER

SEAL - (3/4" x 1-3/16" x 1/4" felt)

1шт.

51

A30881

SEALING WASHER,19.45mm ID x 31.35mm OD

WASHER - felt seal, (49/64" x 1-15/64" x 20 ga.)

1шт.

52

A64837

O-RING,0.103" Thk x 0.75" ID, -116, Cl 5, 75 Duro

"O" RING - lever, (3/4 x 15/16 x 3/32") (Replaces A60499)

1шт.

53

A57541

LEVER - spool shifter, outer

1шт.

54

A30875

RETAINER

- felt seal

1шт.

55

A30853

WASHER

SEAL - (1/2" x 15/16" x 1/4" felt)

1шт.

56

A27409

WASHER

- felt seal, (23/64" x 63/64" x 20 ga.)

1шт.

57

A64836

O-RING,0.487" ID x 0.693" OD

"O" RING - lever, (1/2 x 11/16 x 3/32") (Replaces A60498)

1шт.

58

A34382

SPRING

- valve, inner (1" free length)

1шт.

59

A57553

PISTON

- pilot relief valve

1шт.

60

A17526

O-RING,0.614" ID x 0.754" OD x 0.7"

"O" RING - sleeve & ret. (5/8" x 3/4" x 1/16")

2шт.

61

A34493

RING,16.33mm ID x 19.02mm OD x 1.25mm Thk

SEAL - sleeve, (Inner)

1шт.

62

A57556

PISTON

ASSY. - pilot relief valve

1шт.

63

218-5008

O-RING,0.116" Thk x 0.924" ID, -912, Cl 6, 90 Duro

"O" RING - hyd. fitting, (3/4" O.D.)

1шт.

64

A57558

RETAINER

- pilot relief valve spring

1шт.

65

A34492

SPRING

- valve, outer (23/32" free length)

1шт.

66

A34817

SHIM,.0149" Thk

Pilot relief spring (Blue Japan) .0149" Thk

1шт.

67

A34694

SHIM,.0201" Thk

Pilot relief spring .0201" Thk

1шт.

68

A34390

SHIM,.0329" Thk

Pilot relief spring .0329" Thk

1шт.

68

A34391

SHIM,.0149" Thk

Pilot relief spring .0149" Thk

1шт.

69

A34849

SHIM,.0105" Thk

Pilot relief spring .0105" Thk

1шт.

70

A34392

PLUG

- pilot relief valve

1шт.

A25264

SEAL

KIT - (Incl. Refs. 49, 50, 51, 52, 54, 55, 56 and 57)

1шт.

Выбрано товаров: 0