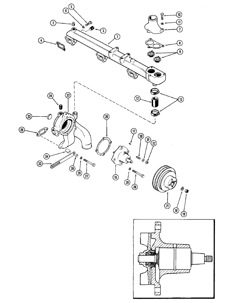
Запчасти Case IH 1470 (004) - WATER PUMP AND MANIFOLD, (504BDT) DIESEL ENGINE (02) - ENGINE

Схема запчастей Case IH 1470 - (004) - WATER PUMP AND MANIFOLD, (504BDT) DIESEL ENGINE (02) - ENGINE
21
11
24
2
18
32
34
29
8
26
4
13
25
17
23
30
10
31
29
27
19
20
33
22
6
1
3
16
12
28
9
7
5
FIT
1:1
100%

Артикул

Название

Примечание

Количество

1

A58909

MANIFOLD

MANIFOLD - water

1шт.

2

221-4

DRAIN PLUG,Sq Hd, 1/2"-14 NPTF

PLUG - pipe, 1/2" sq. hd.

1шт.

3

221-1845

DRAIN PLUG,Hex Soc, 3/4"-14, NPTF

PLUG - 3/4" hex. sckt. hd. pipe

2шт.

4

A58637

MANIFOLD GASKET

GASKET - water manifold (See gasket kits, Figure 24)

3шт.

5

13-624

BOLT,Hex, 3/8" - 16 x 1-1/2", Gr 5

BOLT - manifold mtg., 3/8 x 1-1/2" N.C. hex.

3шт.

5

413-632

BOLT,Hex, 3/8" - 16 x 2", Gr 5

BOLT, , Manifold mtg Hex, 3/8"-16 x 2", G5

3шт.

6

92-6

LOCK WASHER,3/8"

LOCK WASHER, 3/8"

6шт.

7

A58638

HOUSING

HOUSING - thermostat

1шт.

8

A58639

GASKET

GASKET - thermostat housing (See gasket kits, Figure 24)

1шт.

9

A57641

THERMOSTAT

THERMOSTAT ASSY. - (180 degrees)

2шт.

10

13-618

BOLT,Hex, 3/8" - 16 x 1-1/8", Gr 5

BOLT, , Housing Hex, 3/8"-16 x 1 1/8", G5, Full Thd

3шт.

11

92-6

LOCK WASHER,3/8"

LOCK WASHER, 3/8"

3шт.

12

A58640

HOSE

HOSE - water by-pass

1шт.

13

214-256

HOSE CLAMP,#20, 0.81" - 1.75", Type F Worm

CLAMP - hose, 1-3/16" to 1-3/4"

2шт.

16

A62974

PUMP

PUMP ASSY. - water (Replaced A58641)

1шт.

Ref. 16 - Use A155047 Spacer, 199352A1 W. Pump, 414-820 Bolt.

1шт.

16

1342818C1R

REMAN-WATER PUMP

Remanufactured Water Pump

1шт.

16

A48335

CORE-WATER PUMP

Return Part Number, Water Pump

1шт.

17

126-116

WOODRUFF KEY,#9, 3/16" x 3/4", HT

WOODRUFF KEY, , Pulley #9, 3/16" x 3/4", HT

1шт.

18

A58651

WASHER

WASHER - pulley, 17/32 x 1-1/16 x 3/32"

1шт.

19

131-1106

LOCK NUT,1/2"-20, GB

NUT, LOCK, , Pulley 1/2"-20, GB

1шт.

20

A58646

GASKET

GASKET - pump to body (See gasket kits, Figure 24)

1шт.

21

A58650

PULLEY

PULLET - water pump

1шт.

22

A58856

HOUSING

BODY ASSY. - water pump, Includes: Ref. 23

1шт.

23

A58568

PLUG,Cup, 1 3/8", Stainless

PLUG - 1-25/64" cup type

1шт.

24

221-4

DRAIN PLUG,Sq Hd, 1/2"-14 NPTF

PLUG - 1/2" P.T. sq. hd.

1шт.

25

A58649

GASKET

GASKET - body to block (See gasket kits, Figure 24)

1шт.

26

13-618

BOLT,Hex, 3/8" - 16 x 1-1/8", Gr 5

BOLT, , Body to block Hex, 3/8"-16 x 1 1/8", G5, Full Thd

2шт.

27

13-660

BOLT,Hex, 3/8" - 16 x 3-3/4", Gr 5

BOLT - body to block, 3/8 x 3-3/4" N.C. hex.

2шт.

28

95-6

WASHER,3/8"

WASHER - 7/16 x 1 x 5/64"

1шт.

29

92-6

LOCK WASHER,3/8"

LOCK WASHER, 3/8"

4шт.

30

A62234

STUD

STUD -, Serial Range: pump-body

4шт.

31

193-30

LOCK WASHER,Int Tooth, 3/8"

WASHER, LOCK, Int Tooth, 3/8"

4шт.

32

25-146

JAM NUT,Jam, 3/8"-16, G5

NUT - 3/8" N.C. hex., jam

4шт.

33

A59098

STRAP

STRAP - alternator adjusting

1шт.

34

A27328

SPACER

SPACER - alternator adjusting strap

1шт.

Выбрано товаров: 36