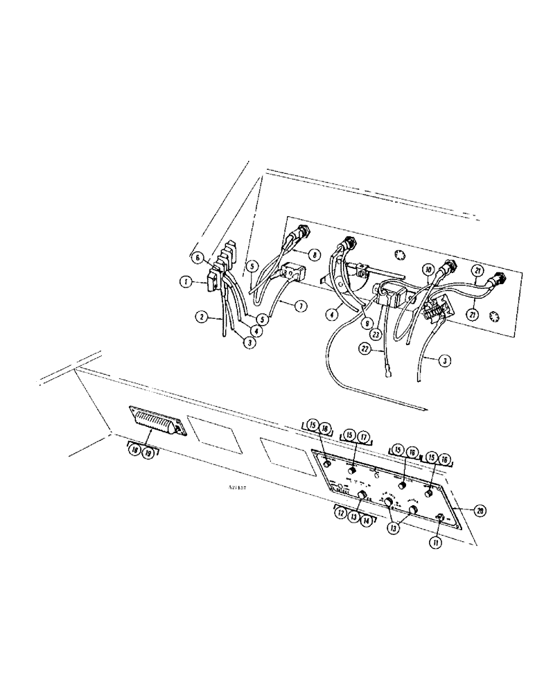
Запчасти Case IH 1470 (185A) - CONTROL PANEL, CAB, WITH AIR CONDITIONER (09) - CHASSIS

Схема запчастей Case IH 1470 - (185A) - CONTROL PANEL, CAB, WITH AIR CONDITIONER (09) - CHASSIS
20
1
15
5
4
18
21
3
16
13
2
3
15
6
10
15
7
23
8
12
21
16
14
4
6
15
22
16
17
5
19
13
11
FIT
1:1
100%

Артикул

Название

Примечание

Количество

1

T39485

TERMINAL BLOCK - panel assembly

1шт.

187-825

SCREW - sheet metal #8 x 1/2" pan hd.

2шт.

2

T39529

WIRE ASSEMBLY - main lead, (Brown)

1шт.

3

T39482

WIRE ASSEMBLY - terminal block to blower switch (Brown)

1шт.

4

T39531

CYLINDER END CAP

WIRE ASSY. - terminal block to dome light fuse (White)

1шт.

5

T39530

WIRE ASSY. - terminal block to wiper fuse (Yellow)

1шт.

6

T39486

JUMPER - terminal block

2шт.

7

T39491

WIRE ASSY. - wiper switch to wiper (Yellow)

1шт.

8

T39537

JUMPER WIRE ASSY. - fuse to wiper switch (Yellow)

1шт.

9

T39532

WIRE ASSY. - dome light fuse to dome light (White)

1шт.

10

T39538

JUMPER WIRE ASSY. - fuse to blower switch (Dark blue)

1шт.

11

T39477

SWITCH

- toggle, wiper

1шт.

12

A43485

SWITCH

- resistor, blower

1шт.

13

T39313

KNOB

- resistor switch

3шт.

14

T39314

NUTS - jam

2шт.

15

A22874

HOLDER

FUSE HOLDER - wiper, blower, dome light and air conditioner

4шт.

16

223-6

FUSE,6 Amp, Type 3AG

- wiper, dome light and air conditioner (6 amp)

3шт.

17

L30080

FUSE

- blower (10 amp)

1шт.

18

T39464

DOME LIGHT ASSY., Includes: Ref. 19

1шт.

19

T39535

BULB

- dome light (24 volt)

1шт.

171-61

SCREW,Sl Flat Hd, #6 - 32 x 1/2"

- mach., #6-32 x 1/2" flat head

4шт.

195-507

WASHER,#6

- 5/32 x 3/8 x 3/64"

4шт.

192-15

LOCK WASHER,Helical Spring, #6, 0.145" ID, CST, ZND

Washer, Lock, #6

4шт.

129-15

NUT,#6-32

4шт.

20

T39521

PLATE - control panel, cab

1шт.

187-329

SELF-TAP SCREW,Pan, 0.19"-16 x 1/4"

SCREW - sheet metal, #10 x 1/2" flat head

6шт.

21

T39875

WIRE ASSEMBLY - resistor switch to fuse and fuse to thermostat, 13"

2шт.

22

T39876

BEARING ASSY

WIRE ASSEMBLY - thermostat to freon loss switch (Violet) 24"

1шт.

23

T39873

THERMOSTAT - air temp. control

1шт.

193-90

LOCK WASHER,Ext, #8

WASHER, LOCK, Ext, #8

2шт.

173-226

SCREW,Sl Rnd Hd, #8 - 32 x 3/8"

- #8-32 x 3/8"

2шт.

Выбрано товаров: 31