Запчасти Case IH 1470 (029C) - FUEL FILTER CONVERSION KIT, (504BDT) DIESEL ENGINE (03) - FUEL SYSTEM

Схема запчастей Case IH 1470 - (029C) - FUEL FILTER CONVERSION KIT, (504BDT) DIESEL ENGINE (03) - FUEL SYSTEM
8
14
10
1
12
13
3
5
4
9
6
2
7
20
21
11
FIT
1:1
100%

Артикул

Название

Примечание

Количество

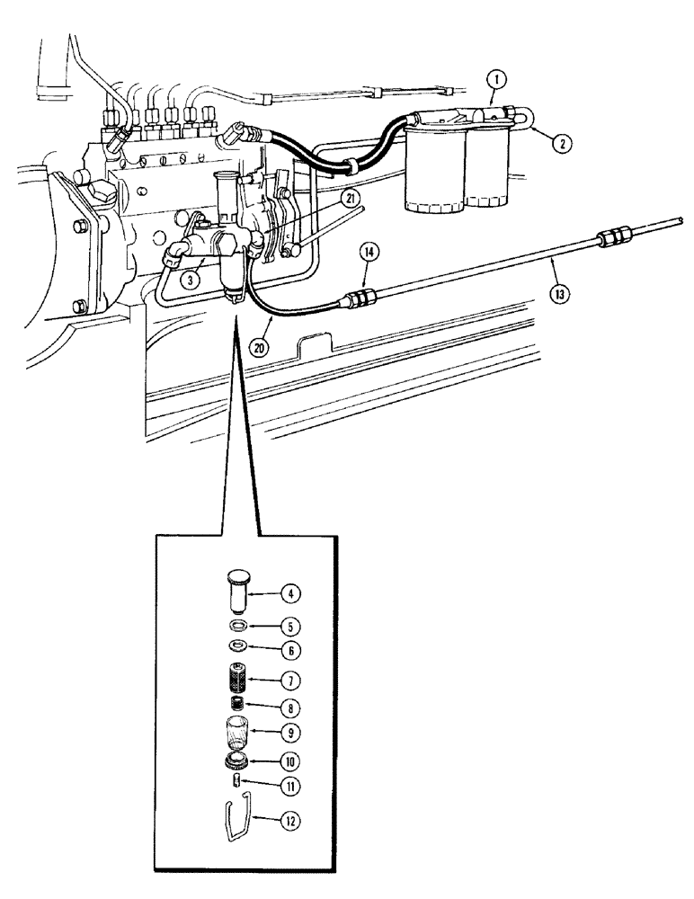
A75041

KIT

- fuel filter conversion, Includes: Ref. 1 - 14

1шт.

1

A62339

HEAD

ASSY. - filter mounting

1шт.

221-1041

PLUG

- pipe (1/8" hex. socket head) (Discard)

1шт.

2

A62342

TUBE

- transfer pump to filter head

1шт.

3

A75042

PUMP

ASSY. - fuel transfer, Includes: Ref. 4 - 12

1шт.

4

A43343

CARTRIDGE

PRIMER ASSY. - fuel, hand pump

1шт.

5

A43351

SEAL

- primer plug (Copper)

2шт.

6

A43346

GASKET

- transfer pump bowl

1шт.

7

A43344

FILTER, ELEMENT

ELEMENT - transfer pump filter

1шт.

8

A43345

SPRING

- element retaining

1шт.

9

A43347

BOWL

- transfer pump filter

1шт.

10

A43348

NUT

BAILNUT - transfer pump retaining

1шт.

11

A43349

STUD

- transfer pump bowl retaining

1шт.

12

A43350

CLAMP

BAIL -, Serial Range: bowl-body

1шт.

13

A75043

TUBE

- fuel line extension

1шт.

14

222-5

FITTING,5/8"-24 Flex Tube

UNION - (3/8" tube O.D.)

1шт.

20

A17221

HOSE

- tube to fuel transfer pump

1шт.

21

222-47

ELBOW,90 Degree, 5/8"-24 Fem x 1/4"-27 NPTF

ASSY. - fuel line

1шт.

222-104

SLEEVE,3/8" Tube

- for 3/8" Tube

1шт.

222-114

NUT,5/8"-24

NUT - for 3/8" tube

1шт.

Выбрано товаров: 0