Запчасти Case IH 1470 (048) - WARNING LAMP (04) - ELECTRICAL SYSTEMS

Схема запчастей Case IH 1470 - (048) - WARNING LAMP (04) - ELECTRICAL SYSTEMS
12
4
16
7
26
18
9
25
7
1
13
11
21
5
8
17
14
8
15
22
6
20
2
6
24
1
10
19
3
3
23
FIT
1:1
100%

Артикул

Название

Примечание

Количество

NSS

NOT SOLD SEPARAT

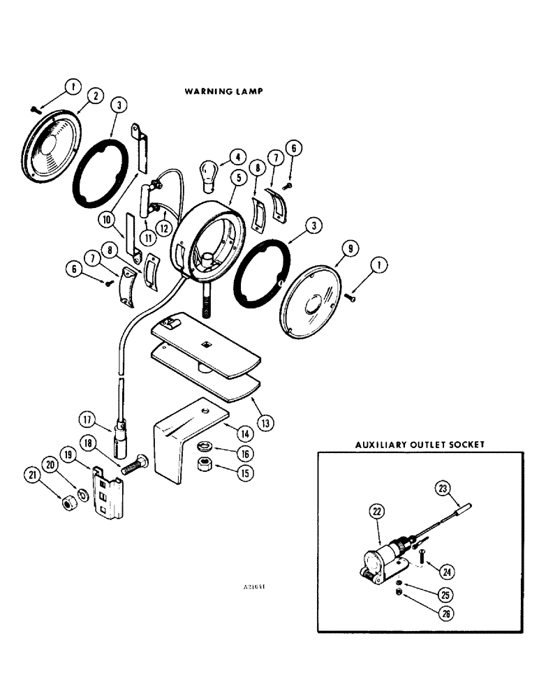
ATTACHMENT - warning lamp, Includes: Ref. 1 - 17

1шт.

A56422

LAMP ASSEMBLY - warning (24 volt)

1шт.

1

169-61

SCREW - lens mtg., #8 - 1/2" rd. hd. sltd.

6шт.

2

B53962

LENS

- (Red)

1шт.

3

B50317

GASKET - lens

2шт.

4

33686

BULB

- lamp (12 vo. 15, 21 C.P.)

1шт.

5

NSS

NOT SOLD SEPARAT

BODY ASSEMBLY - warning lamp (Order A56422)

1шт.

6

182-16

SCREW - side lens, #6 x 5/16" pan hd.

6шт.

7

B50328

LENS - side, lamp (White)

2шт.

8

B50329

GASKET - side lens

2шт.

9

B50337

LENS

- lamp (Amber)

1шт.

10

L10084

BRACKET - resistor

2шт.

11

L10302

RESISTOR - lamp voltage, (25 watt, 50 OHM)

1шт.

12

L10086

WIRE - voltage resistor

1шт.

13

B50330

SPOOL ASSEMBLY - lamp mtg.

1шт.

14

B50331

BRACKET - mounting spool and lamp

1шт.

15

25-107

NUT,7/16"-14, G5

- lamp mtg., 7/16" N.C. hex

1шт.

16

92-7

LOCK WASHER,7/16"

1шт.

17

B50259

PLUG

ASSEMBLY - warning lamp

1шт.

18

11-510

SCREW,Short Nk, 5/16" - 18 x 5/8", Gr 2

BOLT - socket mounting, 5/16" x 5/8" N.C. carriage

2шт.

19

A8179

SOCKET

- lamp bracket

1шт.

20

92-5

LOCK WASHER,5/16"

2шт.

21

9635082

NUT,5/16" - 18, Gr 5

- socket bolt, 5/16" N.C. hex.

2шт.

22

A8170

SOCKET

ASSEMBLY - auxiliary outlet

1шт.

23

A27213

CONNECTOR, auxiliary outlet socket

1шт.

24

173-204

SCREW,Sl Rnd Hd, #10 - 24 x 3/4"

- socket mtg., #10 x 3/4" N.C. rd. hd. Z.P., auxiliary outlet

2шт.

25

80684

LOCK WASHER,4.9mm ID x 8.48mm OD x 1.19mm Thk

WASHER, LOCK, , Auxiliary outlet socket #10

2шт.

26

126-17

WOODRUFF KEY,#91, 1/4" x 3/4"

NUT - socket mtg. screw, #10 N.C. hex. Z.P., auxiliary outlet

2шт.

195-513

WASHER,#10

- 7/32" I.D. Z.P. (Not shown), auxiliary outlet socket

2шт.

Выбрано товаров: 0