Запчасти Case IH 1470 (078) - CONTROL ASSEMBLY (06) - POWER TRAIN

Схема запчастей Case IH 1470 - (078) - CONTROL ASSEMBLY (06) - POWER TRAIN
19
14
8
5
6
13
7
17
18
20
7
4
3
6
16
9
1
15
10
11
12
2
FIT
1:1
100%

Артикул

Название

Примечание

Количество

NSS

NOT SOLD SEPARAT

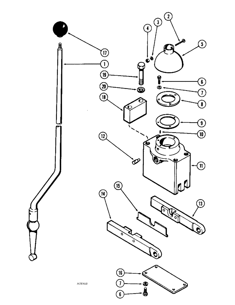
CONTROL ASSY. - transmission range, Includes: Ref. 1 - 16

1шт.

1

L30210

LEVER - shift control

1шт.

2

173-105

SCREW,Sl Rnd Hd, #10 - 24 x 1 1/2"

- dome, #10 x 1-1/2" N.C. rd. hd.

1шт.

3

192-107

LOCK WASHER,#10

WASHER - lock, #10

1шт.

4

129-7

NUT,Hex, #10 - 24

- #10 N.C. hex.

1шт.

5

L30200

DOME - control lever

1шт.

6

13-412

BOLT,Hex, 1/4" - 20 x 3/4", Gr 5, Full Thd

Cap and gasket Hex, 1/4"-20 x 3/4", G5, Full Thd

7шт.

7

192-109

LOCK WASHER,1/4"

WASHER - lock, 1/4"

7шт.

8

L30203

CAP - control dome

1шт.

9

L30199

GASKET - dome cap

1шт.

10

L30197

PIN - lock, control lever

1шт.

11

L30205

BODY - shift control

1шт.

12

L30198

PIN - guide, control lever

1шт.

13

L30393

BAR ASSEMBLY - shifting, R.H.

1шт.

14

L30392

BAR ASSEMBLY - shifting, L.H.

1шт.

15

L30207

SPACER

BAR - control spacer

1шт.

16

L30206

PLATE - control body bottom

1шт.

17

A18852

KNOB

- control lever

1шт.

18

L10543

BLOCK - control assembly mounting

2шт.

19

113-425

BOLT,Hex, 1/2" - 13 x 3", Gr 5

Block Hex, 1/2"-13 x 3", G5

4шт.

20

192-23

LOCK WASHER,1/2"

WASHER, LOCK, 1/2"

4шт.

Выбрано товаров: 0