Запчасти Case IH 1470 (086) - TRANSMISSION P.T.O. AND PUMP DRIVE (06) - POWER TRAIN

Схема запчастей Case IH 1470 - (086) - TRANSMISSION P.T.O. AND PUMP DRIVE (06) - POWER TRAIN
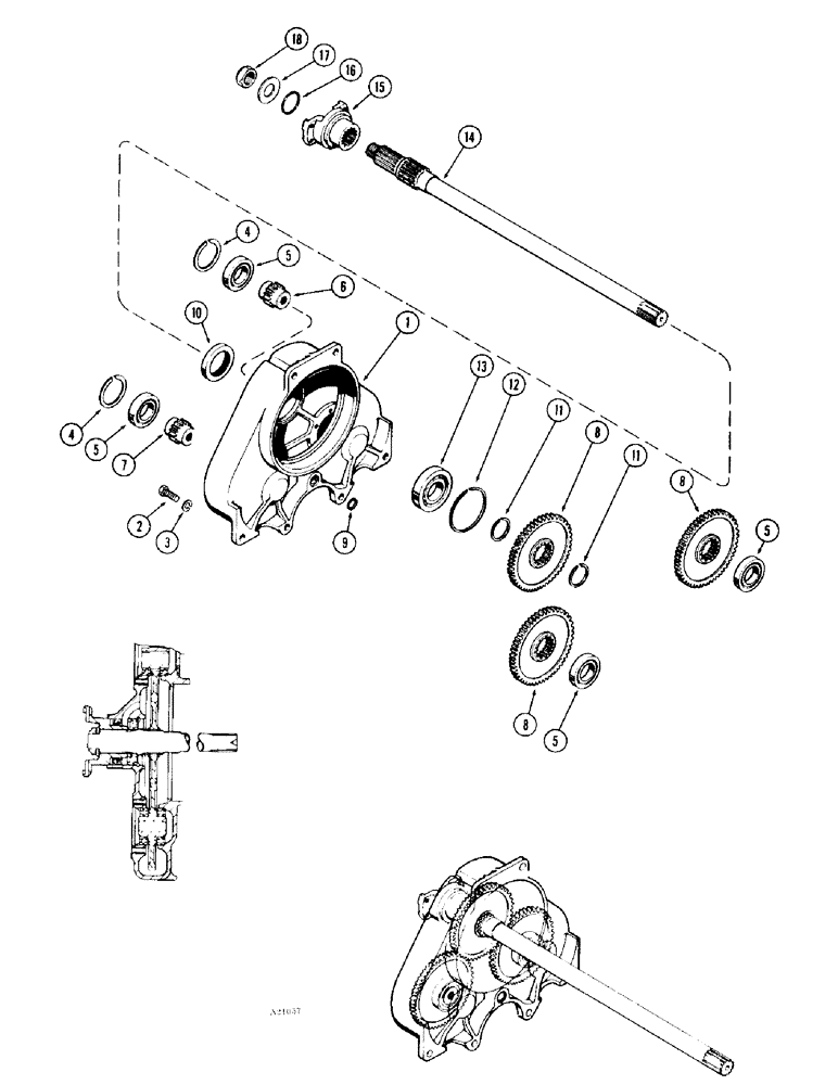
17
8
12
15
5
2
18
8
11
3
5
13
14
16
7
1
11
6
5
8
9
5
10
4
4
FIT
1:1
100%

Артикул

Название

Примечание

Количество

1

T39162

HOUSING - pump & P.T.O. drive

1шт.

2

13-720

BOLT,Hex, 7/16" - 14 x 1-1/4", Gr 5, Full Thd

Cover, Housing mounting Hex, 7/16"-14 x 1 1/4", G5, Full Thd

6шт.

3

92-7

LOCK WASHER,7/16"

6шт.

4

A55859

RING - hub & bearing retaining

2шт.

5

40025

BALL BEARING,1.378" ID x 2.4409" OD x 0.5512"

- charging & implement pump gear

4шт.

6

A55857

HUB - charging pump drive gear

1шт.

7

A55860

HUB - implement pump driven gear

1шт.

8

A55858

GEAR - oil pump & P.T.O. drive

3шт.

9

F62114

O-RING,0.103" Thk x 0.674" ID, -115, Cl 5, 75 Duro

"O" RING - drain hole

1шт.

10

L30014

OIL SEAL

- oil, P.T.O. shaft

1шт.

11

A55862

RING - pump drive gear retaining

2шт.

12

A17965

RING

- snap, P.T.O. shaft bearing

1шт.

13

B18215

BALL BEARING,1.5748" ID x 3.1496" OD x 0.7087"

BEARING - rear, P.T.O. shaft

1шт.

14

T39161

SHAFT - pump & P.T.O. drive

1шт.

15

A17939

FLANGE

- P.T.O. shaft

1шт.

16

A30915

O-RING,0.139" Thk x 1.359" ID, -220, Cl 5, 75 Duro

"O" RING - P.T.O. flange

1шт.

17

A17938

WASHER

- P.T.O. shaft flange nut

1шт.

18

A55863

LOCK NUT

- P.T.O. flange retaining

1шт.

Выбрано товаров: 0