Запчасти Case IH 1470 (168) - P.T.O. DRIVE HOUSING AND DRIVE (06) - POWER TRAIN

Схема запчастей Case IH 1470 - (168) - P.T.O. DRIVE HOUSING AND DRIVE (06) - POWER TRAIN
40
24
11
26
34
2
1
17
11
22
9
36
32
20
38
13
5
44
20
18
20
6
2
11
12
10
27
4
8
12
16
45
42
30
39
19
41
14
3
28
7
21
29
45
8
33
15
23
43
37
6
25
7
12
31
35
FIT
1:1
100%

Артикул

Название

Примечание

Количество

T88062

ATTACH. - P.T.O. (Mach. item), Includes: Ref. 1 - 46

1шт.

A55415

DIRVE & CLUTCH ASSY. - P.T.O., Includes: Ref. 1 - 46

1шт.

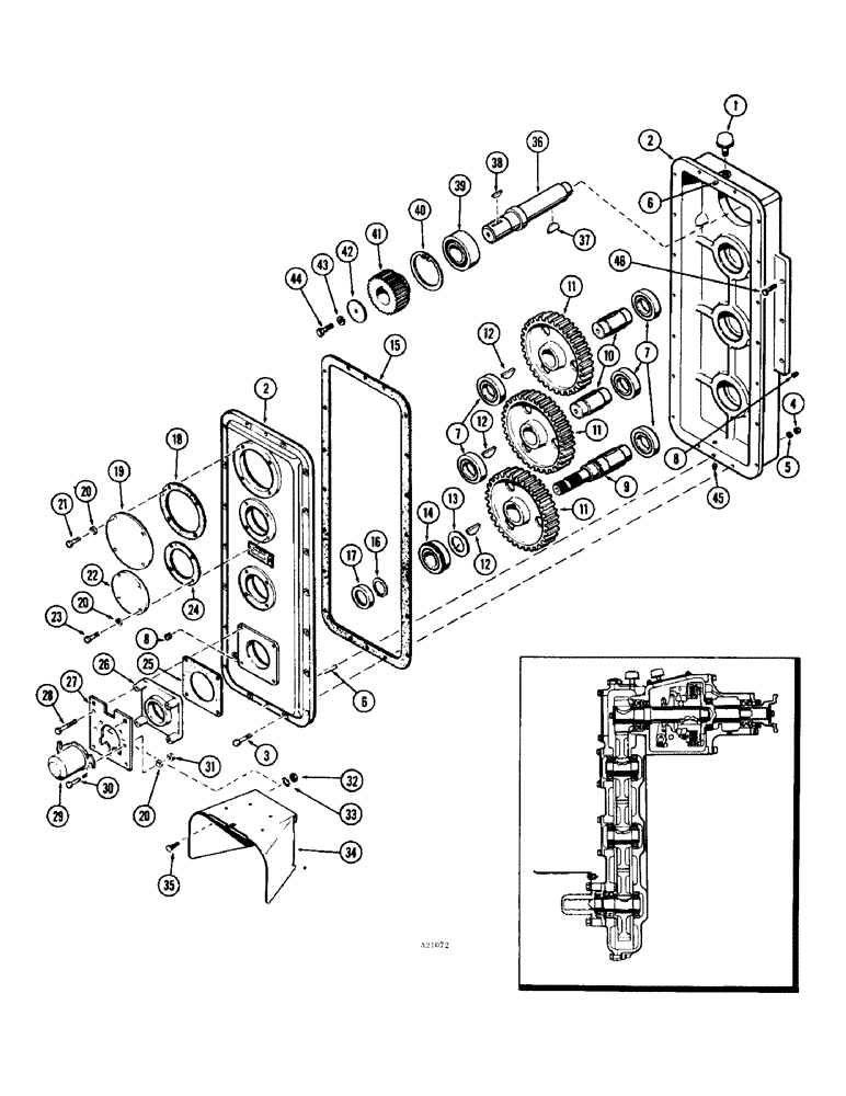
1

A27173

BREATHER

ASSY. - drive housing

1шт.

2

L10279

HOUSING ASSY. - drive, P.T.O. (Matched set), Includes: Ref. 3 - 6

1шт.

3

14-628

BOLT,Hex, 3/8" - 24 x 1-3/4", Gr 5

- hsg., 3/8" x 1-3/4" N.F. hex. hd.

18шт.

4

131-5

LOCK NUT,3/8"-16, GB

NUT - self-locking, 3/8" N.F. hex.

18шт.

5

195-25

WASHER,3/8"

- plain, 3/8"

36шт.

6

A55459

PIN

- dowel, P.T.O. housing

2шт.

7

40265

ROLLER BEARING

BEARING - roller, P.T.O. drive gear

5шт.

8

221-1013

DRAIN PLUG,Sq Hd, 3/8"-18 NPTF

PLUG - pipe, 3/8" sq. hd.

2шт.

9

A55445

SHAFT - output, P.T.O.

1шт.

10

A55442

SHAFT - idler, P.T.O.

2шт.

11

A55440

GEAR - drive, P.T.O.

3шт.

12

126-148

WOODRUFF KEY,#29, 3/8" x 2 1/8", HT

KEY - drive gear, #29 Woodruff

3шт.

13

A55447

SPACER - output shaft

1шт.

14

A55448

BEARING - ball, output shaft

1шт.

15

A55452

GASKET - housing, P.T.O.

1шт.

16

A7147

SNAP RING,#177, Ext

Ring, Snap, , output shaft #177, Ext

1шт.

17

A55446

OIL SEAL

SEAL - oil, output shaft

1шт.

18

A55436

GASKET - input cover

1шт.

19

A55437

COVER - input, P.T.O.

1шт.

20

92-6

LOCK WASHER,3/8"

14шт.

21

13-618

BOLT,Hex, 3/8" - 16 x 1-1/8", Gr 5

Cover Hex, 3/8"-16 x 1 1/8", G5, Full Thd

4шт.

22

A55444

RETAINER - bearing, idler

2шт.

23

13-620

BOLT,Hex, 3/8" - 16 x 1-1/4", Gr 5, Full Thd

Cover Hex, 3/8"-16 x 1 1/4", G5, Full Thd

8шт.

24

A55443

GASKET - bearing retainer

2шт.

25

A55449

GASKET - carrier, P.T.O.

1шт.

26

A55450

CARRIER - bearing & guard

1шт.

27

A26878

PLATE - P.T.O. guard mounting

1шт.

28

13-844

BOLT,Hex, 1/2" - 13 x 2-3/4", Gr 5

Hex, 1/2"-13 x 2 3/4", G5, Plate

4шт.

29

A20483

GUARD

- shaft, P.T.O.

1шт.

30

14-612

BOLT,Hex, 3/8" - 24 x 3/4", Gr 5, Full Thd

Guard Hex, 3/8"-24 x 3/4", G5, Full Thd

2шт.

31

25-116

NUT,Hex, 3/8"-24, G5

- 3/8" N.F. hex.

2шт.

32

129-103

NUT,Hex, 3/8" - 16, Gr 5

NUT, 3/8"-16, G5

4шт.

33

193-68

LOCK WASHER,Int Tooth, 3/8"

LOCKWASHER - 3/8" ext. int. Shakeproof

4шт.

34

A27335

GUARD

- power, take-off

1шт.

35

111-317

CARRIAGE BOLT,Short NK, 3/8"-16 x 1", G2

BOLT, CARRIAGE, , Guard Short NK, 3/8"-16 x 1", G2

4шт.

36

A55431

SHAFT - clutch, P.T.O.

1шт.

37

126-153

KEY - clutch shaft, VX Woodruff

1шт.

38

126-148

WOODRUFF KEY,#29, 3/8" x 2 1/8", HT

KEY - gear to shaft, #29 Woodruff

1шт.

39

A31065

BEARING, BALL,2.1654" ID x 3.937" OD x 1.3125"

BEARING - ball, clutch shaft

1шт.

40

A55435

SNAP RING,3.938", Int, #393

Ring, Snap, , clutch shaft 3.938", Int, #393

1шт.

41

A55439

GEAR - input, P.T.O.

1шт.

42

A55438

WASHER - clutch shaft

1шт.

43

92-6

LOCK WASHER,3/8"

1шт.

44

13-313

BOLT - gear, 3/8" x 2" N.F. hex.

1шт.

45

221-672

DRAIN PLUG,Sq Hd, 3/8" NPT

PLUG - pipe, 3/8" sq. hd. Magnetic

1шт.

46

13-1032

BOLT,Hex, 5/8" - 11 x 2", Gr 5

Housing mounting Hex, 5/8"-11 x 2", G5

6шт.

Выбрано товаров: 48