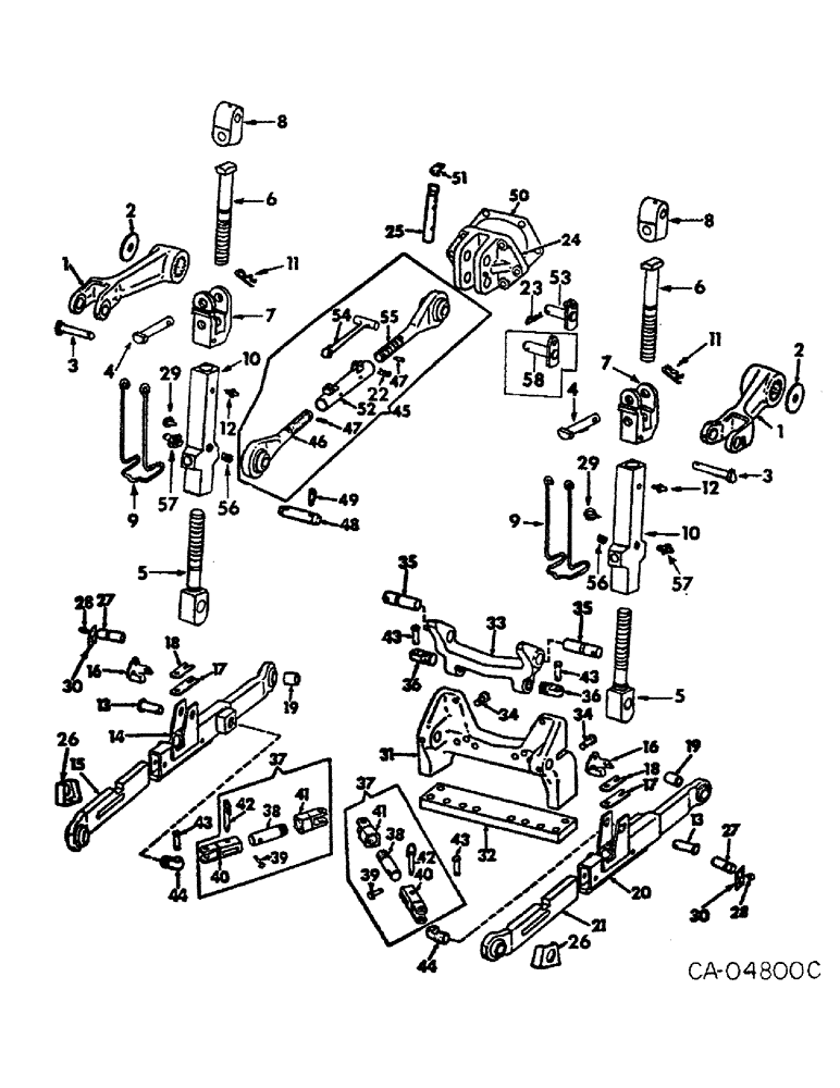
Запчасти Case IH 1486 (09-07) - FRAME, 3 POINT HITCH, MODELS WITH DRAFT CONTROL & SENSING & W/O CAM SWAY LIMITING SYSTEM 1086 & 1486 (12) - FRAME

Схема запчастей Case IH 1486 - (09-07) - FRAME, 3 POINT HITCH, MODELS WITH DRAFT CONTROL & SENSING & W/O CAM SWAY LIMITING SYSTEM 1086 & 1486 (12) - FRAME
56
25
4
28
13
42
36
32
4
44
17
28
49
29
7
10
39
56
20
33
57
2
22
8
44
55
2
12
43
6
50
14
1
11
9
52
24
39
26
27
47
48
30
38
53
21
5
38
34
15
54
9
19
41
57
10
27
31
34
46
13
16
18
40
51
41
5
30
23
37
29
42
11
12
18
47
58
1
17
16
3
43
8
45
43
36
43
37
3
40
35
7
19
35
26
6
FIT
1:1
100%

Артикул

Название

Примечание

Количество

1

145655C1

ARM

rockshaft, replaces 108589C1

2шт.

2

388574R1

WASHER,16.51mm ID x 82.55mm OD x 4.78mm Thk

rockshaft arm retainer

2шт.

271556

WHEEL CYLINDER,Hex, 5/8" - 11 x 1 1/4", Gr 5

SCREW, 5/8-11 x 1-3/4 hex-hd cap

2шт.

3

108590C1

PIN,19.05mm OD x 120.65mm L

headed

2шт.

432-1620

COTTER PIN,1/4" x 1 1/4"

Pin, Split (Cotter), 1/4" x 1 1/4"

2шт.

4

108582C1

PIN

3/4 x 3-3/4 headed

2шт.

27357R1

HEADED PIN,3/4" x 3 3/4"

PIN, 3/4 x 3-3/4 headed

2шт.

5

108583C1

ROD

lower leveling

2шт.

6

108584C1

ROD

upper leveling

2шт.

7

108585C1

YOKE

lift link

2шт.

8

1252115C91

PIVOT

SWIVEL ASSY, lift link

1шт.

1252114C1

BUSHING,19.25mm ID x 25.46mm OD x 23.5mm L

2шт.

86504104

LUBE NIPPLE,1/4" x .56" lg, Drive

FITTING, 1/4 drive-type str lub

2шт.

9

123464C1

CLAMP

BAIL, turnbuckle lock

2шт.

189304

BOLT,Hex, 3/8" - 16 x 3 1/4", Gr 5

3/8-16 x 3-1/4 hex-hd

2шт.

120394

WASHER,3/8", SAE

WASHER, .406 x .812 x .051

4шт.

9411655

LOCK NUT,3/8"-16, GB

NUT, 3/8-16 lock

2шт.

10

72877C1

TURNBUCKLE

lift link, replaces 108588C1, when replacing 108588C1 with 72877C1 furnish one 444693 pipe plug and one 273349 lube fitting

2шт.

576485R1

LOCK PIN,1/4" x 1 1/4", Slotted

2шт.

27357R1

HEADED PIN,3/4" x 3 3/4"

PIN, 3/4 x 3.750 pln hd type 5

2шт.

11

480523R1

HAIR PIN COTTER

quick attachable

2шт.

103397

COTTER PIN,5/32" x 1 1/4"

Pin, Split (Cotter), 5/32" x 1 1/4"

2шт.

12

86504104

LUBE NIPPLE,1/4" x .56" lg, Drive

FITTING, 1/4 drive-type str lub, leveling screw housing

2шт.

13

392915R1

AXLE PIN

PIN, leveling screw housing

2шт.

432-1624

COTTER PIN,1/4" x 1 1/2"

Pin, Split (Cotter), , Used with link assemblies 535792R92, 535793R92, 398387R92 and 398388R92 1/4" x 1 1/2"

2шт.

13

109088C2

PIN

square neck carriage, leveling screw housing

2шт.

432-1624

COTTER PIN,1/4" x 1 1/2"

Pin, Split (Cotter), , Used with link assemblies 109079C91, 109080C91, 109083C91 and 109084C91 1/4" x 1 1/2"

2шт.

14

109083C91

LINK

W/BUSHING front section lower LH, replaces 535792R92, also furnish pin, 109088C2, 1086 tractors

1шт.

14

109079C91

LINK

W/BUSHING front section lower LH, replaces 398387R92, also furnish pin, 109088C2, 1486 tractors

1шт.

15

398395R3

LINK

ASSY, rear section LH

1шт.

16

398399R1

LATCH

lower link

2шт.

17

382192R1

SPRING

lower latch

2шт.

18

382193R1

SPRING

stiffener

2шт.

181331

BOLT,Hex, 5/16" - 24 x 1/2", Gr 5

SCREW, 5/16-24 x 1/2 hex-hd cap

2шт.

20126R1

PIN,1/2" x 2", Coiled

2шт.

19

71808C1

BUSHING

front lower link ball

2шт.

557273R1

WASHER

1/2 x 2 HV coiled spring

2шт.

20

109084C91

LINK

W/BUSHING front section lower RH, replaces 535793R92, also furnish pin, 109088C2, 1086 tractors

1шт.

20

109080C91

LINK

W/BUSHING front section lower RH, replaces 398388C92, also furnish pin, 109088C2, 1486 tractors

1шт.

21

398396R3

LINK

ASSY, rear section lower RH

1шт.

22

517843R1

COTTER PIN

PIN, quick attachable cotter

1шт.

23

486830R1

COTTER PIN

PIN, quick attachable cot.

1шт.

24

392210R51

BRACKET

ASSY, upper link, replaces 392210R3 by also ordering pin 352208R11, 1086 w/serial no. 36377 & below, 1486 w/serial no. 19549 & below

1шт.

22390R1

PIN,7/16" x 1 3/4", Coiled

1шт.

570879R1

BOLT,Hex, 5/8" - 11 x 2 1/4", Gr 8

SCREW, 5/8-11 x 2-1/4 hex-hd cap

5шт.

614636R1

SCREW,Hex, 5/8"-11 x 1 7/8", G8, Full Thd

5/8-11 x 1-7/8 hex-hd cap

1шт.

25

(Not used in this application)

1шт.

26

404788R1

SHIELD

linch pin

2шт.

27

406686R2

PIN,25.4mm OD x 122.43mm L

lower link

2шт.

28

219-8

LUBE NIPPLE,1/4" - 28 NPTF

NIPPLE, LUBE, , Straight, Lower link pin 1/4"-28 NPT x .54" lg

2шт.

29

392181R91

PIN

ASSY, lower link drawbar

2шт.

30

406687R1

RETAINER

lower link pin

2шт.

179882

PIN

SCREW, 1/2-13 x 1-1/8 hex-hd cap

2шт.

103323

LOCK WASHER,1/2"

WASHER, LOCK, 1/2"

2шт.

31

108500C1

SUPPORT

drawbar, 1086, Serial Range: -15069

1шт.

31

108500C1

SUPPORT

drawbar, 1486, Serial Range: -9879

1шт.

31

72812C1

SUPPORT

drawbar, 1086, Start Serial: 15070

1шт.

31

72812C1

SUPPORT

drawbar, 1486, Start Serial: 9880

1шт.

20065R1

BOLT,Hex, 5/8" - 11 x 2 1/2", Gr 8

SCREW, 5/8-11 x 2-1/2 hex-hd cap

2шт.

223442

BOLT,Hex, 5/8" - 11 x 3 1/2", Gr 8

SCREW, 5/8-11 x 3-1/2 hex-hd cap

6шт.

32

393777R1

BAR, drawbar support, used with support 108500C1

1шт.

32

72398C1

SUPPORT

BAR, drawbar support, used with support 72812C1

1шт.

20094R1

BOLT,Hex, 3/4" - 10 x 2 1/2", Gr 8

SCREW, 3/4-10 x 2-1/2 hex-hd cap

4шт.

33

392183R1

ARM

stabilizer control

1шт.

34

383261R2

ADJUSTMENT SCREW

draft adjusting

2шт.

396467R1

NUT

adjusting

2шт.

35

67693C1

SHAFT

stabilizer control arm

2шт.

19684R1

LOCK PIN,1/2" x 2 3/4", Slotted

Pin, 1/2" x 2 3/4", Slotted

2шт.

36

392185R1

BOLT,1 3/8" - 6 x 2.50"

stabilizer front eye

2шт.

37

STABILIZER ASSY, lateral limiter, not serviced as an assembly, order component parts

2шт.

38

69133C1

STUD

lateral limiter

2шт.

39

527370R1

PIN

5/8 x 2-1/2 headed

2шт.

496-21066

WASHER,16.6mm ID x 33.5mm OD x 3.8mm Thk

21/32 x 1-5/16 x .095

1шт.

364436R1

PIN,3/16" x 1", Coiled

1шт.

40

406248R2

YOKE

lateral limiter

2шт.

41

406249R1

YOKE

limiter front

2шт.

42

392193R21

PIN

ASSY, lockout

2шт.

520175R1

CLIP

PIN, quick attachable cot.

2шт.

43

392194R1

HEADED PIN,3/4" x 2 3/8"

PIN, stabilizer

4шт.

432-1624

COTTER PIN,1/4" x 1 1/2"

Pin, Split (Cotter), 1/4" x 1 1/2"

4шт.

44

392195R1

BOLT,1 3/8" - 6 x 2.62", Full Thd

stabilizer rear eye

2шт.

45

1252108C92

KIT

TURNBUCKLE ASSY, upper link, replaces 108591C91

1шт.

46

1252109C2

LIFT LINK END ASSY

ASSY, LH thread, replaces 398401R1, on orders for 398401R1, furnish turnbuckle assy, 1252108C92

1шт.

47

19689R1

PIN,1/4" x 1 1/4", Coiled

Use w/turnbuckle 108591C91 1/4" x 1 1/4", Coiled

2шт.

47

30797R1

PIN,M6 x 36, Coiled

6 x 36 mm pln coiled spring, use w/turnbuckle 1252108C92

2шт.

48

392211R2

PIN

upper link implement

1шт.

49

392181R91

PIN

ASSY, upper hitch

2шт.

50

383330R1

GASKET

draft control adj opening cover

1шт.

51

(Not used in this application)

1шт.

52

404633R2

TURNBUCKLE

upper link, use w/turnbuckle 108591C91

1шт.

52

1252111C1

TURNBUCKLE

upper link, use w/turnbuckle 1252108C92

1шт.

53

135663C1

AXLE PIN

PIN ASSY, upper link bracket, replaces 70804C2, 1086, Serial Range: -36377

1шт.

53

135663C1

AXLE PIN

PIN ASSY, upper link bracket, replaces 70804C2, 1486, Serial Range: -19549

1шт.

54

108592C1

HANDLE

upper link turnbuckle

1шт.

SB191

HEADED PIN,3/8" x 1 3/4"

PIN, 3/8 x 1-3/4 standard head

1шт.

107763

COTTER PIN,1/8" x 5/8"

PIN, SPLIT (COTTER), 1/8" x 5/8"

1шт.

55

1252112C2

LIFT LINK END ASSY

ASSY, RH thread, replaces 398404R1, on orders for 398404R1, furnish turnbuckle assy, 1252108C92

1шт.

56

444693

PLUG,Hex Soc, 1/4"-18, Brass

1/4-18 auto hex-soc pipe, used w/turnbuckle 72877C1 only

2шт.

57

219-23

LUBE NIPPLE,1/4" - 18 NPTF

FITTING, 1/4-18 special ex. short lub, used w/turnbuckle 72877C1 only

2шт.

58

392208R11

PIN

ASSY, upper link bracket, replaces 70804C2, 1086, Start Serial: 36378

1шт.

58

392208R11

PIN

ASSY, upper link bracket, replaces 70804C2, 1486, Start Serial: 19550

1шт.

398406R1

BUSHING,26.29mm ID x 31.37mm OD x 50.8mm L

upper link rear ball, for use w/category II tools

1шт.

392004R1

SPACER,29.08mm ID x 36.2mm OD x 64.8mm L

lower link hitch point, for use w/category II tools

2шт.

374132R1

PIN

upper link implement, for use w/category II tools

1шт.

393208R93

ACCESSORIES

PARTS ACCESSORY, three point hitch sway limiter, for tractors equipped with three point hitch and dual rear wheel attachment, consists of (2) block (NSS), (2) pin 520175R1

1шт.

398622R91

STRIPPER PACKAGE

PARTS ACCESSORY, bushing and pin adapter, for use w/category II tools and implements when mounted on a category III three point hitch, consists of

1шт.

398406R1

BUSHING,26.29mm ID x 31.37mm OD x 50.8mm L

upper link rear

1шт.

374132R1

PIN

upper link implement

1шт.

392004R1

SPACER,29.08mm ID x 36.2mm OD x 64.8mm L

lower link hitch point

2шт.

Выбрано товаров: 109