Запчасти Case IH 1566 (07-17) - DRIVE TRAIN, GEAR SHIFT MECHANISM, RANGE TRANSMISSION (04) - Drive Train

Схема запчастей Case IH 1566 - (07-17) - DRIVE TRAIN, GEAR SHIFT MECHANISM, RANGE TRANSMISSION (04) - Drive Train
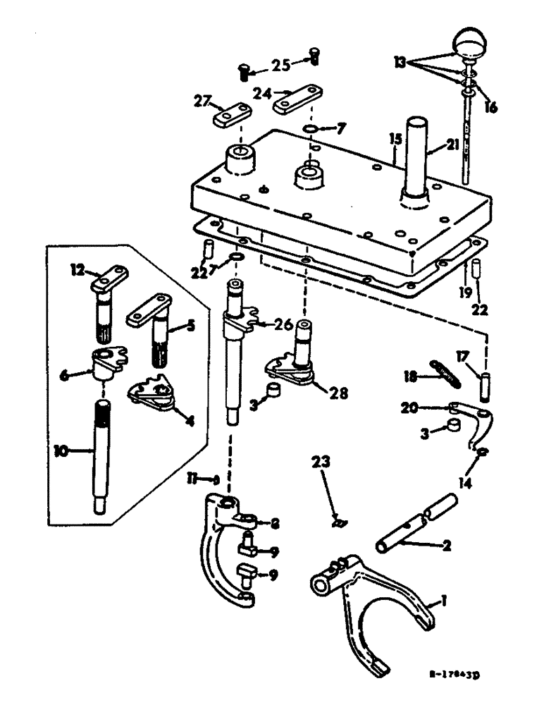
17
12
6
23
3
7
28
22
4
26
18
2
5
13
3
2
24
20
15
25
1
8
21
16
9
19
27
10
11
9
14
FIT
1:1
100%

Артикул

Название

Примечание

Количество

1

398279R2

FORK

hi-lo shift, also furnish pin, 104325C1 and ring, 378066R1

1шт.

2

398280R1

PIN

hi-lo shift fork, Used with fork 398279R1 only

1шт.

20648R1

BOLT,5/16" x 7/8", Gr 8

SCREW, 5/16-18 x 7/8 hex-hd cap

1шт.

2

104325C1

PIN

hi-lo shift fork, Used with fork 398279R2

1шт.

378066R1

SNAP RING,#X74, .616" Dia, E-Type

Ring, Retaining, #X74, .616" Dia, E-Type

1шт.

3

380115R2

ROLLER

detent

2шт.

4

398285R2

ARM

ASSY, hi-lo operating , 1566, Serial Range: -13051

1шт.

4

398285R2

ARM

ASSY, hi-lo operating , 1568, Serial Range: -7994

1шт.

591184R1

PIN,3/16" x 1 1/4", Coiled

1шт.

5

398281R3

SHAFT

ASSY, hi-lo shift, Used w/arm assm, 398285R2

1шт.

615168R1

WASHER

25/32 x 1-1/2 x 11 ga

1шт.

6

528183R1

SECTOR

ASSY, reverse detent plate

1шт.

591184R1

PIN,3/16" x 1 1/4", Coiled

used w/arm assy, 398285R2 3/16" x 1 1/4", Coiled

1шт.

7

128359

O-RING,0.07" Thk x 0.614" ID, -16, Cl 5, 75 Duro

9/16 x 3/4 x 1/16

2шт.

8

380308R2

FORK

reverse shift

1шт.

9

380309R1

PAD

reverse shift fork

2шт.

19371R1

PIN,1/8" x 3/4", Coiled

2шт.

10

398297R1

SHAFT

reverse shift lower, 1566, Serial Range: -13051

1шт.

10

398297R1

SHAFT

reverse shift lower, 1568, Serial Range: -7994

1шт.

11

218217

KEY

3/16 x 5/8 Woodruff 61

1шт.

12

398291R3

SHAFT

ASSY, reverse shift upper, 1566, Serial Range: -1301

1шт.

12

398291R3

SHAFT

ASSY, reverse shift upper, 1568, Serial Range: -7994

1шт.

615168R1

WASHER

23/32 x 1-1/2 x 11 ga

1шт.

13

398311R92

GAUGE ASSY.

GAUGE ASSY, oil level, Optional w/109009C91

1шт.

13

109009C91

GAUGE

ASSY, oil level, Optional w/398311R92

1шт.

14

370290R1

SNAP RING,#50, .392" Dia, E-Type

Ring, Retaining, , shift control arm pivot pin #50, .392" Dia, E-Type

1шт.

15

398298R41

COVER

ASSY, rear frame front

1шт.

179847

BOLT,Hex, 3/8" - 16 x 2", Gr 5

10шт.

16

350684R1

O-RING,0.139" Thk x 0.734" ID, -210, Cl 5, 75 Duro

3/4 x 1 x 1/8

2шт.

17

398299R1

PIN

shift control pivot

1шт.

18

398304R1

SPRING

shift control arm

1шт.

19

380315R1

GASKET

rear frame front cover

1шт.

20

398300R3

ARM

ASSY, shift control

2шт.

21

386450R1

GUIDE

oil level gauge

1шт.

22

19962R1

DOWEL,3/8" x 3/4"

PIN, 3/8 x 3/4 dowel

2шт.

23

538399R1

STOP

LOCK, plate

1шт.

24

71531C1

BAR

hi-lo shift lever, 1566, Start Serial: 13052

1шт.

24

71531C1

BAR

hi-lo shift lever, 1568, Start Serial: 7995

1шт.

25

71532C1

BOLT,Hex, 5/16" - 18 x 3/4", Gr 5

bar, Used with bar 71531C1

2шт.

120393

BEARING WASHER,5/16", SAE

WASHER, .344 x .688 x .051

2шт.

26

71533C1

SHAFT ASSY.

SHAFT ASSY, reverse shift, Used with bar 71531C1

1шт.

27

71536C1

LEVER

BAR, reverse shift arm, Used with bar 71531C1

1шт.

28

71526C1

SHAFT

ASSY, hi-lo shift lever, Used with bar 71531C1

1шт.

Выбрано товаров: 43