Запчасти Case IH 1568 (07-19) - DRIVE TRAIN, GEAR SHIFT LEVERS (04) - Drive Train

Схема запчастей Case IH 1568 - (07-19) - DRIVE TRAIN, GEAR SHIFT LEVERS (04) - Drive Train
15
7
10
22
1
6
18
3
14
12
21
10
1
20
25
11
5
26
16
16
4
8
28
17
9
24
2
27
8
23
19
21
FIT
1:1
100%

Артикул

Название

Примечание

Количество

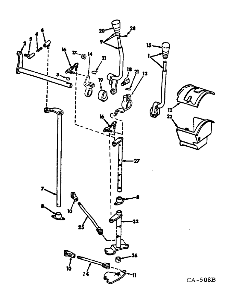
1

537108R12

HANDLE

ASSY, selective transmission shift

1шт.

179845

BOLT,Hex, 3/8" - 16 x 1 3/4", Gr 5

SCREW, 3/8-16 x 3-3/4 hex-hd cap

1шт.

2

397979R1

SHAFT

ASSY, selective transmission shift cross

1шт.

2

536796R1

SHAFT ASSY, selective transmission shift cross, tractors w/deluxe cab

1шт.

3

106751

KEY

3/16 x 3/4 Woodruff 9, Selective transmission shift cross shaft

1шт.

4

397982R2

STUD

LINK, selective transmission shift

1шт.

114493

JAM NUT,Jam, 5/16"-24, G5

RH thd Jam, 5/16"-24, G5

1шт.

455332

NUT,Jam, 5/16"-18, G5, LH

5/16-24 LH thd hex. jam

1шт.

5

393353R91

JOINT TURNING

JOINT, 5/16 C-Z RH thd ball, Selective transmission shift link

1шт.

6

393352R91

JOINT TURNING

JOINT, 5/16-24 LH thd ball selective, Transmission shift link

1шт.

7

398172R1

SHAFT

ASSY, selective transmission shift drive

1шт.

179816

BOLT,Hex, 5/16" - 18 x 3/4", Gr 5

4шт.

351549R1

WASHER

4шт.

8

382508R91

BEARING ASSY,0.752" ID x 0.81"

BUSHING, shaft

2шт.

369222R1

BOLT,Hex Wshr Hd, 5/16" - 18 x 5/8"

SCREW, washer hd cap

4шт.

9

537107R12

HANDLE

ASSY, range transmission lift

1шт.

372349R1

SCREW,Hex, 1/4" - 20 x 7/16", W/ Nylon Pellet

w/nylon pellet insert, 1/4-20 x 7/16 hex-hd cap

1шт.

10

213-316

ADJUSTABLE CLEVIS,3/8" - 24

CLEVIS, 3/8-24 x 2-3/16 short adj rod

2шт.

140549

PIN

3/8 x 1-3/32 rod end

4шт.

103373

COTTER PIN,3/32" x 3/4"

Pin, Split (Cotter), 3/32" x 3/4"

4шт.

11

527900R1

LARGE PLATE

PLATE, neutral lock

1шт.

657169R1

PIN, 1/4 x 2 slt spring

1шт.

12

68378C1

COVER

shift handle top

1шт.

13

529490R1

LEVER

transmission reverse shift

1шт.

219-53

LUBE NIPPLE,65 Degree Elbow, 3/16" NPTF

FITTING, 3/16 65 deg angle drive type lub

1шт.

13

536795R1

LEVER

transmission reverse shift, tractors w/deluxe cab

1шт.

87415

LUBE NIPPLE,90 Degree, 1/4" NPT x 3/4" L, Drive

NIPPLE, LUBE, 90°, 1/4" NPT x .75" lg, Drive

1шт.

14

529489R1

LEVER

range transmission selector

1шт.

372349R1

SCREW,Hex, 1/4" - 20 x 7/16", W/ Nylon Pellet

w/nylon pellet insert, 1/4-20 x 7/16 hex-hd cap

1шт.

15

397978R2

GRIP

selective transmission shift handle

1шт.

16

393354R91

BALL JOINT

LINK ASSY, upper range transmission selector

2шт.

17

79051R1

LOCK NUT,5/16"-24, G5

NUT, 5/16-24 hex. lock

6шт.

18

397986R1

BOLT (SPREADER),Shldr, Hex, 1/2" - 20 x 1.25"

BOLT, transmission shift shoulder

1шт.

19

397987R1

RING

COLLAR, transmission shift pivot arm

1шт.

20

397978R2

GRIP

range transmission shift handle

1шт.

21

397991R1

SPRING

transmission detent

2шт.

22

398006R1

COVER

shift handle outer

1шт.

23750R1

SCREW

10-24 x 1/2 C-Z slt-truss-hd mach

3шт.

88574

BOLT,Hex, 5/16" - 18 x 1/2", Gr 5, Full Thd

SCREW, 5/16-18 x 1/2 hex-hd cap

1шт.

21410R1

SCREW,FLAT, 1/4" - 20 x 5-1/4"

1/4-20 x 5-1/4 slt-f-hd mach

1шт.

138604

LOCK WASHER,Ext Csk Tooth, 1/4"

WASHER, 1/4 csk ext-tooth lock

1шт.

23

398175R12

TUBE

ASSY, reverse shift

1шт.

19791R1

PIN,1/4" x 1 1/8", Coiled

1шт.

24

397998R1

ROD

ASSY, hi-lo shift link

1шт.

114494

NUT,Jam, 3/8"-24, G5

1шт.

25

398003R1

STEM

ROD ASSY, reverse shift link

1шт.

114494

NUT,Jam, 3/8"-24, G5

1шт.

26

382638R2

BUSHING,19.07mm ID x 22.24mm OD x 19.05mm L

reverse shift tube

2шт.

27

398173R1

SHAFT

ASSY, hi-lo selector drive

1шт.

352221R1

O-RING,0.103" Thk x 0.549" ID, -113, Cl 5, 75 Duro

9/16 x 3/4 x 3/32

1шт.

617937R1

PIN,1/4" x 7/8", Coiled

1шт.

28

403634R1

PIN

1шт.

Выбрано товаров: 52