Запчасти Case IH 1568 (13-26) - SUPERSTRUCTURE, AIR CONDITIONER AND CONNECTIONS (05) - SUPERSTRUCTURE

Схема запчастей Case IH 1568 - (13-26) - SUPERSTRUCTURE, AIR CONDITIONER AND CONNECTIONS (05) - SUPERSTRUCTURE
22
41
29
39
12
5
1
21
18
40
38
26
11
37
31
42
34
18
4
20
2
25
19
16
35
3
36
17
19
15
15
5
12
6
11
20
20
30
33
12
27
6
11
13
8
32
9
24
28
14
23
10
7
15
7
20
FIT
1:1
100%

Артикул

Название

Примечание

Количество

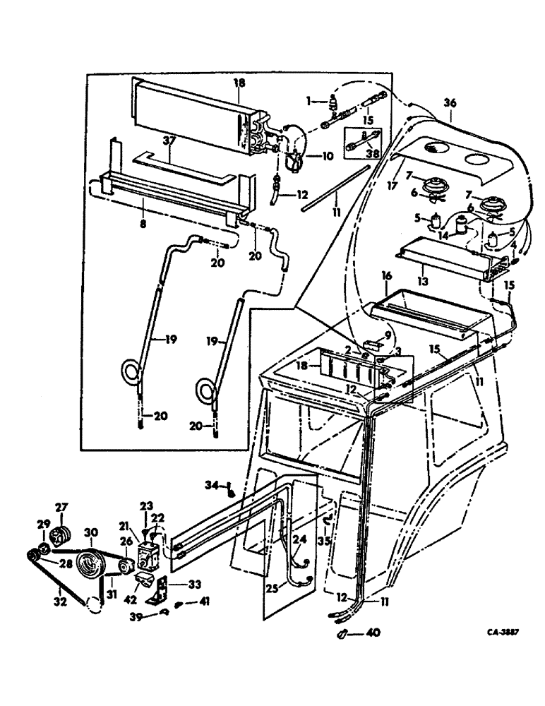
1

539061R2

SWITCH

evaporator low pressure

1шт.

2

1116972

RELAY

ASSY

1шт.

2

1116972GV

RELAY

ASSY

1шт.

3

70500C2

SWITCH

thermostat

1шт.

539810R1

KNOB

switch

1шт.

4

539069R2

SWITCH

condensor high pressure

1шт.

5

117783C1

MOTOR

condensor, Replaces 539047R3

2шт.

402712R1

SLINGER, motor

2шт.

6

539048R1

FIN

FAN, w/screw, 139010, condenser

2шт.

139010

SET SCREW,Hex Soc, 1/4"-28 x 5/16"

SCREW, 1/4-28 x 5/16 hex-soc-hd cup pointed set

2шт.

7

539798R1

CLAMP

ASSY, motor

2шт.

8

539804R1

PAN ASSY, evaporator

1шт.

9

539805R1

PLATE ASSY, switch

1шт.

10

539064R1

VALVE

expansion

1шт.

11

539065R2

HOSE ASSY.,10.32mm ID x 5419.6mm L

HOSE ASSY, cab discharge

1шт.

12

539066R2

A/C HOSE,15.88mm ID x 3644.9mm L

HOSE ASSY, cab suction

1шт.

13

539068R1

CORE

condenser

1шт.

14

539049R1

TANK

RECEIVER, dehydrator

1шт.

15

539067R2

HOSE

ASSY, cab liquid line

1шт.

16

539811R1

CASING ASSY, condenser

1шт.

186493

SCREW, 1/4-20 x 5/8 hex-hd mach w/ext-tooth lockwasher

11шт.

17

539812R1

TOP ASSY, condenser casing

1шт.

18

539059R1

CORE

evaporator

1шт.

19

67191C1

TUBE, condensate 0.437" ID, 0.5" OD, 90" Length

1шт.

20

65062C1

SPRING, condensate tube

1шт.

21

417888C92

COMPRESSOR

ASSY, heavy duty air conditioner, For components see list of parts under details of compressor

1шт.

21

118250C92

AIR COMPRESSOR

A/C

1шт.

21

1924006C2

REMAN-A/C COMPRESSOR

Remanufactured Compressor Assy

1шт.

21

1924007C1

CORE-A/C COMPRESSOR

Return Number, Compressor Assy.

1шт.

180082

BOLT (SPREADER),Hex, 5/16" - 18 x 1 3/8", Gr 5

SCREW, 3/8-16 x 1-3/8 znd hex-hd cap

1шт.

180124

BOLT,Hex, 3/8" - 16 x 1 1/4", Gr 5

SCREW, 3/8-16 x 1-1/4 znd hex-hd cap

3шт.

120382

LOCK WASHER,Helical Spring, 3/8"

WASHER, LOCK, 3/8"

4шт.

21741R1

WASHER

13/32 x 7/8 x 11 ga znd

3шт.

70833C1

SEAL

RING, compressor dust guard

1шт.

22

117827C91

LOCK VALVE

VALVE ASSY, service, discharge, Replaces 302811C91

1шт.

23

117828C91

LOCK VALVE

VALVE ASSY, service, suction, Replaces 302812C91

1шт.

24

NOT USED IN THIS APPLICATION

1шт.

25

NOT USED IN THIS APPLICATION

1шт.

Ref #24 & 25 - replaced by one piece design 539065r2 & 539066r2. dmm 9/2/97 per aj. sb s-2734

1шт.

26

539739R1

CLUTCH

ASSY, electric, 7.34 OD, 1568 tractors

1шт.

26

65338C91

CLUTCH

ASSY, 6.00 OD double row ball bearing electric sheave, 1566 tractor

1шт.

27

ALTERNATOR GENERATOR ASSY, For components see list of parts under details of alternator generator listing, group 8

1шт.

28

537070R1

PULLEY

alternator generator, two groove

1шт.

29

221425R1

FAN

alternator generator

1шт.

30

426291C91

PULLEY

fan and water pump, 1568 tractors

1шт.

31

527621R1

V-BELT,0.38" W x 48.00" L

Compressor drive, 1568 tractors 0.38" W x 48.00" L

1шт.

31

65337C2

V-BELT,0.50" W x 37.63" L

Compressor drive, 1566 tractors 0.50" W x 37.63" L

1шт.

32

537072R91

SET OF BELTS

Fan drive

1шт.

33

539741R2

BRACKET ASSY, freon compressor, 1568 tractors

1шт.

180124

BOLT,Hex, 3/8" - 16 x 1 1/4", Gr 5

SCREW, 3/8-16 x 1-1/4 znd hex-hd cap

3шт.

120394

WASHER,3/8", SAE

WASHER, 13/32 x 13/16 x 16 ga

3шт.

26257R1

SET SCREW

3/8-16 x 3 zn sq-hd cone-pt set

1шт.

124829

JAM NUT,Hex, 3/8" - 16, Gr 5

3шт.

34

537076R1

CLIP, 90 deg twisted, a/c double hose

1шт.

35

66498C1

CLIP

90 deg, a/c double hose

1шт.

36

111276C1

HARNESS ASSY, relay and condenser

1шт.

37

109200C1

SEAL, condensate tray

1шт.

38

TUBE ASSY, switch adaptor, Order 539067R2 hose assy

1шт.

39

539745R1

ANGLE, bracket tie, 1568 tractors

1шт.

180126

BOLT,Hex, 3/8" - 16 x 1 1/2", Gr 5

SCREW, 3/8-16 x 1-1/2 znd hex-hd cap

1шт.

180123

BOLT,Hex, 3/8" - 16 x 1 1/8", Gr 5, Full Thd

SCREW, 3/8-16 x 1-1/8 znd hex-hd cap

1шт.

120382

LOCK WASHER,Helical Spring, 3/8"

WASHER, LOCK, 3/8"

1шт.

120377

NUT,3/8" - 16, Gr 5

2шт.

120394

WASHER,3/8", SAE

WASHER, 13/32 x 13/16 x 16 ga

1шт.

40

537064R1

CLIP, a/c double hose

1шт.

120377

NUT,3/8" - 16, Gr 5

1шт.

180122

BOLT,Hex, 3/8" - 16 x 1", Gr 5

3/8-16 x 1 znd hex-hd cap

1шт.

120382

LOCK WASHER,Helical Spring, 3/8"

WASHER, LOCK, 3/8"

1шт.

41

539746R1

ANGLE, tightener, 1568 tractors

1шт.

42

537073R4

BRACKET

ASSY, freon compressor, 1566 tractors

1шт.

120377

NUT,3/8" - 16, Gr 5

3шт.

124829

JAM NUT,Hex, 3/8" - 16, Gr 5

1шт.

180139

SCREW

3/8-16 x 3 znd hex-hd cap

1шт.

189304

BOLT,Hex, 3/8" - 16 x 3 1/4", Gr 5

SCREW, 3/8-16 x 3-1/4 znd hex-hd cap

2шт.

26257R1

SET SCREW

3/8-16 x 3 znd sq-nk cone-pt set

1шт.

120382

LOCK WASHER,Helical Spring, 3/8"

WASHER, LOCK, 3/8"

4шт.

21741R1

WASHER

13/32 x 7/8 x 11 ga C-Z slot cover

5шт.

113751

GROMMET,1/4" ID x 1" x .062"

rubber

2шт.

Выбрано товаров: 78