Запчасти Case IH 1586 (10-01) - HYDRAULIC, HYDRAULIC POWER SUPPLY, ON CLUTCH HOUSING, 1586 TRACTOR WITH SERIAL NO. 20999 AND BELOW (07) - HYDRAULICS

Схема запчастей Case IH 1586 - (10-01) - HYDRAULIC, HYDRAULIC POWER SUPPLY, ON CLUTCH HOUSING, 1586 TRACTOR WITH SERIAL NO. 20999 AND BELOW (07) - HYDRAULICS
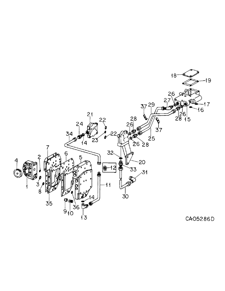
9
26
6
28
5
12
22
2
22
14
18
3
33
7
15
13
35
16
19
26
37
28
4
21
10
26
24
36
29
31
27
17
32
26
1
30
20
28
11
8
34
23
37
25
14
FIT
1:1
100%

Артикул

Название

Примечание

Количество

1

133441C92

PUMP

ASSY, hyd gear, TRW, Optional w/120114C92, Refer to hydraulic pump this group for list of components

1шт.

1

1949302C1

REMAN-HYD PUMP

Reman For New PN 133441C92

1шт.

1

1949303C1

CORE-HYDRAULIC PUMP

Return Number

1шт.

1

120114C92

PUMP, HYDRAULIC

PUMP ASSY, hyd gear, Cessna, Optional w/133441C92, Refer to hydraulic pump this group for list of components

1шт.

1

1949302C1

REMAN-HYD PUMP

1586 INTERNATIONAL DIESEL TRACTOR, PUMP ASSY (1/74-12/79)

1шт.

1

1949302C1

REMAN-HYD PUMP

Return Number

1шт.

1

120114C92GV

PUMP

PUMP ASSY, hyd gear, Cessna, Optional w/133441C92, Refer to hydraulic pump this group for list of components

1шт.

1

1949302C1

REMAN-HYD PUMP

Remanufactured HYDRAULIC PUMP - for N.A. Only

1шт.

1

1949303C1

CORE-HYDRAULIC PUMP

Return No, HYDRAULIC PUMP - for N.A. Only

1шт.

23761R1

SCREW,Hex, 5/16"-18 x 2 5/8", G5

BOLT, 5/16 x 2-5/8 pln type 5

4шт.

382331R1

SEALING WASHER,8.33mm ID x 12.7mm OD x 0.79mm Thk

pump mounting bolts

4шт.

2

21433R1

O-RING,0.103" Thk x 0.674" ID, -115, Cl 6, 90 Duro

11/16 x 7/8 x 3/32 pump pressure port

1шт.

3

372821R1

O-RING,0.103" Thk x 1.049" ID, -121, Cl 5, 75 Duro

1-1/16 x 1-1/4 x 3/32 pump suction port

1шт.

4

405181R1

GEAR

hyd pump drive

1шт.

19258R1

LOCK NUT,1/2"-20, GB

NUT, 1/2-20 znp nylon insert

1шт.

5

VALVE ASSY, multiple control, Refer to multiple control valve this group for list of components

1шт.

6

NOT USED IN THIS APPLICATION

1шт.

7

382336R4

GASKET

multiple control valve plate, hv (Or as required)

1шт.

7

382335R3

GASKET

multiple control valve plate, lt (Or as required)

1шт.

8

21433R1

O-RING,0.103" Thk x 0.674" ID, -115, Cl 6, 90 Duro

11/16 x 7/8 x 3/32 power steering pressure port

1шт.

9

354057R2

VALVE

power steering return check

1шт.

10

382334R1

SPRING

power steering return check

1шт.

11

104811C3

HYD TUBE

TUBE ASSY, super charger LH

1шт.

12

9402788

UNION,7/8"-14, 37 Degree x 7/8"-14, 37 Degree

5/8 C-Z hyd flared tube, 1586, Not required w/104811C3, Serial Range: -12955

1шт.

13

9410978

ELBOW,90 Degree, 7/8"-14, 37 Degree x 7/8"-14, O-Ring

5/8 C-Z hyd fld adj 90D

1шт.

14

364885R1

O-RING,0.097" Thk x 0.755" ID, -910, Cl 6, 90 Duro

5/8 OD tube

2шт.

15

108555C91

VALVE ASSY, manifold relief, 2500 PSI, Refer to manifold relief valve this group for list of components

1шт.

186279

BOLT,Hex, 3/8" - 16 x 3 1/8", Gr 5

SCREW, 3/8-16 x 3-1/8 hex-hd cap

3шт.

179883

BOLT,Hex, 1/2" - 13 x 1 1/4", Gr 5

1шт.

103321

LOCK WASHER,3/8"

WASHER, LOCK, 3/8"

3шт.

16

381884R1

O-RING,0.103" Thk x 0.987" ID, -120, Cl 6, 90 Duro

1 x 1-3/16 x 3/32

1шт.

17

384377R1

O-RING,0.103" Thk x 2.55" ID, -141, Cl 6, 90 Duro

2-5/16 x 2-1/2 x 3/32

1шт.

18

108514C1

COVER

linkage access

1шт.

19

108515C1

GASKET

cover

1шт.

179791

BOLT,Hex, 1/4" - 20 x 1/2", Gr 5

4шт.

20

104573C1

BRACKET

aux valve mounting

1шт.

179841

BOLT,Hex, 3/8" - 16 x 1 1/4", Gr 5

3/8-16 x 1-1/4 hex-hd cap

3шт.

120382

LOCK WASHER,Helical Spring, 3/8"

WASHER, LOCK, 3/8"

3шт.

21

123081C1

COVER

valve mounting bracket

1шт.

22

20947R1

O-RING,0.103" Thk x 0.799" ID, -117, Cl 6, 90 Duro

13/16 x 1 x 3/32

2шт.

23

383219R1

O-RING,0.924" ID x 0.103" Width

15/16 x 1-1/8 x 3/32

1шт.

NLS

NO LONGER SERVICED

4шт.

24

9410204

HYD CONNECTOR,7/8"-14, 37 Degree x 7/8"-14, O-Ring

CONNECTOR, 5/8 C-Z hyd fld short swivel

1шт.

25

139085C1

HYD TUBE

TUBE ASSY, hyd open supply, Replaces 104621C1

1шт.

26

368269R1

O-RING,0.116" Thk x 0.924" ID, -912, Cl 6, 90 Duro

3/4 tube

4шт.

27

9411107

ELBOW,45 Degree, 1 1/16"-12 x 1 1/16"-12, O-Ring

3/4 - 37 deg hyd flared tube adj str thd 45 deg

1шт.

28

9410205

HYD CONNECTOR,1 1/16"-12, 37 Degree x 1 1/16"-12, O-Ring

CONNECTOR, 3/4 C-Z hyd fld short swivel

3шт.

29

104620C2

HYD TUBE

TUBE ASSY, hyd tandem supply

1шт.

30

104629C1

HYD TUBE

TUBE ASSY, aux valve return

1шт.

31

9402867

ELBOW,90 Degree, 1 1/16"-12, 37 Degree x 3/4"-14, NPTF

3/4 C-Z hyd flared tube 90D

1шт.

32

368269R1

O-RING,0.116" Thk x 0.924" ID, -912, Cl 6, 90 Duro

3/4 tube

1шт.

33

9410205

HYD CONNECTOR,1 1/16"-12, 37 Degree x 1 1/16"-12, O-Ring

CONNECTOR, 3/4 C-Z hyd fld short swivel

1шт.

34

104814C1

HYD TUBE

TUBE ASSY, supercharged RH, tractor with two aux. valves

1шт.

34

104813C1

HYD TUBE

TUBE ASSY, supercharged RH, tractor with three aux. valves

1шт.

35

NOT USED IN THIS APPLICATION

1шт.

36

NOT USED IN THIS APPLICATION

1шт.

37

139099C1

CLAMP

tube

2шт.

179803

BOLT,1/4" - 20 x 1 3/4", Gr 5

1шт.

120392

WASHER,1/4", SAE

.281 x .625 x .051

2шт.

9413950

LOCK NUT,1/4"-20, GB

NUT, 1/4 phc p/t lock type 5

1шт.

Выбрано товаров: 60