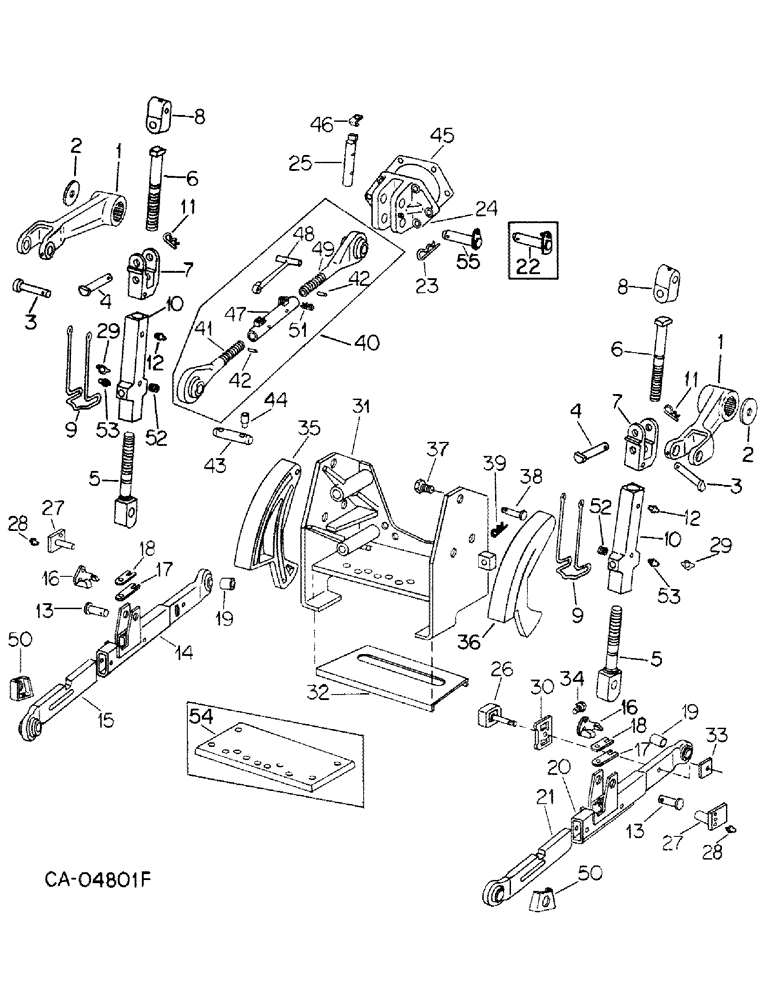
Запчасти Case IH 1586 (09-08) - FRAME, THREE POINT HITCH, TRACTORS WITH DRAFT CONTROL, DRAFT SENSING AND CAM SWAY, LIMITING SYSTEM (12) - FRAME

Схема запчастей Case IH 1586 - (09-08) - FRAME, THREE POINT HITCH, TRACTORS WITH DRAFT CONTROL, DRAFT SENSING AND CAM SWAY, LIMITING SYSTEM (12) - FRAME
35
16
12
33
6
25
35
27
27
46
17
11
13
12
49
5
13
14
29
24
36
18
8
23
41
52
4
47
31
11
15
43
48
37
10
40
17
10
28
54
8
1
45
28
52
19
38
55
9
50
2
21
16
42
7
22
50
9
51
2
34
20
26
30
44
7
53
53
3
3
4
19
42
18
39
6
5
19
1
FIT
1:1
100%

Артикул

Название

Примечание

Количество

1

145655C1

ARM

rockshaft, Replaces 108589C1

2шт.

2

388574R1

WASHER,16.51mm ID x 82.55mm OD x 4.78mm Thk

rockshaft arm retainer

2шт.

271556

WHEEL CYLINDER,Hex, 5/8" - 11 x 1 1/4", Gr 5

SCREW, 5/8-11 x 1-3/4 hex-hd cap

2шт.

3

108590C1

PIN,19.05mm OD x 120.65mm L

headed

2шт.

432-1620

COTTER PIN,1/4" x 1 1/4"

Pin, Split (Cotter), 1/4" x 1 1/4"

2шт.

4

108582C1

PIN

3/4 x 3-3/4 headed

2шт.

27357R1

HEADED PIN,3/4" x 3 3/4"

PIN, 3/4 x 3-3/4 headed

2шт.

5

108583C1

ROD

lower leveling

2шт.

6

108584C1

ROD

upper leveling

2шт.

7

108585C1

YOKE

lift link

2шт.

8

1252115C91

PIVOT

SWIVEL ASSY, lift link

1шт.

1252114C1

BUSHING,19.25mm ID x 25.46mm OD x 23.5mm L

2шт.

86504104

LUBE NIPPLE,1/4" x .56" lg, Drive

FITTING, 1/4 drive-type str lub

2шт.

9

123464C1

CLAMP

BAIL, turnbuckle lock

2шт.

189304

BOLT,Hex, 3/8" - 16 x 3 1/4", Gr 5

3/8-16 x 3-1/4 hex-hd

2шт.

120394

WASHER,3/8", SAE

WASHER, .406 x .812 x .051

4шт.

9411655

LOCK NUT,3/8"-16, GB

NUT, 3/8-16 hex lock

2шт.

10

72877C1

TURNBUCKLE

lift link, Replaces 108588C1, When replacing 108588C1 with 72877C1 furnish one 444693 pipe plug and one 273349 lube fitting

2шт.

576485R1

LOCK PIN,1/4" x 1 1/4", Slotted

2шт.

27357R1

HEADED PIN,3/4" x 3 3/4"

PIN, 3/4 x 3.750 pln hd type 5

2шт.

11

480523R1

HAIR PIN COTTER

quick attachable

2шт.

103397

COTTER PIN,5/32" x 1 1/4"

Pin, Split (Cotter), 5/32" x 1 1/4"

2шт.

12

86504104

LUBE NIPPLE,1/4" x .56" lg, Drive

FITTING, 1/4 drive, type str lub, leveling screw housing

2шт.

13

392915R1

AXLE PIN

PIN, leveling screw housing

2шт.

432-1624

COTTER PIN,1/4" x 1 1/2"

Pin, Split (Cotter), , Used with links 70447C91 and 70448C91 only 1/4" x 1 1/2"

2шт.

13

109088C2

PIN

square neck carriage, leveling screw housing

2шт.

432-1624

COTTER PIN,1/4" x 1 1/2"

Pin, Split (Cotter), , Used with links 109060C91 and 109061C91 1/4" x 1 1/2"

2шт.

14

109060C91

LINK

W/BUSHING, front section lower LH, Replaces link 70447C91, Also furnish pin 109088C2

1шт.

15

398395R3

LINK

ASSY, rear section LH

1шт.

16

398399R1

LATCH

lower link

2шт.

17

382192R1

SPRING

lower link latch

2шт.

18

382193R1

SPRING

stiffener

2шт.

181331

BOLT,Hex, 5/16" - 24 x 1/2", Gr 5

SCREW, 5/16-24 x 1/2 hex-hd cap

2шт.

20126R1

PIN,1/2" x 2", Coiled

2шт.

19

71808C1

BUSHING

front lower link ball

2шт.

557273R1

WASHER

1-1/32 x 2 x 11 ga

2шт.

20

109061C91

LINK

W/BUSHING, front section lower RH, Replaces link 70448C91, Also furnish pin, 109088C2

1шт.

21

398396R3

LINK

ASSY, rear section lower RH

1шт.

22

392208R11

PIN

ASSY, upper link bracket, Start Serial: 16784

1шт.

23

486830R1

COTTER PIN

PIN, quick attachable cot., Replaces 591107R1

1шт.

24

392210R51

BRACKET

ASSY, upper link, Replaces 392210R3 by also ordering pin 392208R11, Start Serial: 16784

1шт.

22390R1

PIN,7/16" x 1 3/4", Coiled

1шт.

570879R1

BOLT,Hex, 5/8" - 11 x 2 1/4", Gr 8

SCREW, 5/8-11 x 2-1/4 hex-hd cap

5шт.

614636R1

SCREW,Hex, 5/8"-11 x 1 7/8", G8, Full Thd

5/8-11 x 1-7/8 hex-hd cap

1шт.

25

NOT USED IN THIS APPLICATION

1шт.

26

224499C3

BUMPER

ASSY, cam, Replaces 70475C2

2шт.

22244R1

LOCK NUT

3/4-10 nylon insert cad type NE

2шт.

27

70461C2

PIN

lower link

2шт.

179885

BOLT,Hex, 1/2" - 13 x 1 1/2", Gr 5

2шт.

103323

LOCK WASHER,1/2"

WASHER, LOCK, 1/2"

2шт.

28

219-8

LUBE NIPPLE,1/4" - 28 NPTF

NIPPLE, LUBE, , Straight, Lower link pin 1/4"-28 NPT x .54" lg

2шт.

29

392181R91

PIN

ASSY, lower link drawbar

2шт.

30

70478C1

SPACER

cat. III

1шт.

31

123120C1

SUPPORT

cam limiter and drawbar, 1586, Start Serial: 10694

1шт.

31

70464C1

SUPPORT, cam limiter and drawbar, 1586, On orders for 70464C1 furnish 123120C1, (1) channel 123121C1 & (2) screw, 271558, Serial Range: -10693

1шт.

67872C1

WASHER

.656 x 1.25 x .25

8шт.

20661R1

BOLT,Hex, 5/8" - 11 x 2", Gr 8

SCREW, 5/8-11 x 2 hex-hd cap type 8

4шт.

27352R1

SCREW,Hex, 5/8"-11 x 7 1/2", G8

BOLT, 5/8 x 7-1/2 pln type 8

4шт.

32

123121C1

CHANNEL

drawbar wear, 1586, Start Serial: 10694

1шт.

271558

HOOD,Hex, 5/8" - 11 x 1 1/2", Gr 5

SCREW, 5/8-11 x 1-1/2 hex-hd cap

4шт.

33

70479C1

SHIM

.067 thick

10шт.

33

70480C1

SHIM

.033 thick

2шт.

34

383261R2

ADJUSTMENT SCREW

draft adjusting

2шт.

114507

JAM NUT,Jam, 5/8"-11, G5

2шт.

35

142583C1

CAM

sway limiter LH, Replaces 70481C1

1шт.

36

142584C1

CAM

sway limiter RH, Replaces 70482C1

1шт.

37

413-1224

BOLT,Hex, 3/4" - 10 x 1-1/2", Gr 5

3/4 x 1-1/2 pln type 5, cam mounting pivot, 1586, Start Serial: 10694

2шт.

87340

LOCK WASHER,Helical Spring, 0.759" ID, CST, ZND

WASHER, LOCK, 3/4"

2шт.

37

70483C1

BOLT, metal coated lock, 1586, Serial Range: -10693

2шт.

38

21670R1

HEADED PIN,3/4" x 2 1/4"

PIN, 3/4 x 2-1/4 headed znd, 1586, Start Serial: 10694

2шт.

38

21377R1

HEADED PIN,3/4" x 2"

PIN, 3/4 x 2 headed znd, 1586, Serial Range: -10693

2шт.

39

407208R1

PACKAGE

QA cotter pin

1шт.

40

1252108C92

KIT

TURNBUCKLE ASSY, upper link, Replaces 108591C91

1шт.

41

1252109C2

LIFT LINK END ASSY

ASSY, LH thread, Replaces 398401R1, On orders for 398401R1 furnish turnbuckle assy, 1252108C92

1шт.

42

19689R1

PIN,1/4" x 1 1/4", Coiled

Use w/turnbuckle 108591C91 1/4" x 1 1/4", Coiled

2шт.

42

30797R1

PIN,M6 x 36, Coiled

6 x 36MM pln coiled spring, Use w/turnbuckle 1252108C92

2шт.

43

392211R2

PIN

upper link implement

1шт.

44

392181R91

PIN

ASSY, upper hitch

2шт.

45

383330R1

GASKET

draft control adj opening cover

1шт.

46

NOT USED IN THIS APPLICATION

1шт.

47

404633R2

TURNBUCKLE

upper link, Use w/turnbuckle 108591C91

1шт.

47

1252111C1

TURNBUCKLE

upper link, Use w/turnbuckle 1252108C92

1шт.

48

1252112C2

LIFT LINK END ASSY

ASSY, RH thread, Replaces 398404R1, On orders for 398404R1 furnish turnbuckle assy, 1252108C92

1шт.

49

108592C2

HANDLE

upper link turnbuckle

1шт.

SB191

HEADED PIN,3/8" x 1 3/4"

PIN, 3/8 x 1-3/4 standard head

1шт.

107763

COTTER PIN,1/8" x 5/8"

PIN, SPLIT (COTTER), 1/8" x 5/8"

1шт.

50

404788R1

SHIELD

linch pin

2шт.

51

517843R1

COTTER PIN

PIN, quick attachable cot.

1шт.

52

444691

PLUG

1/4-18 auto hex-soc-pipe, Used w/turnbuckle 72877C1 only

2шт.

53

219-23

LUBE NIPPLE,1/4" - 18 NPTF

FITTING, 1/4-18 special extra short lub, Used w/turnbuckle 72877C1 only

2шт.

54

70474C1

SUPPORT, drawbar, 1586, Serial Range: -10693

1шт.

55

135663C1

AXLE PIN

PIN ASSY, upper link bracket, Replaces 70804C1, Serial Range: -16783

1шт.

392004R1

SPACER,29.08mm ID x 36.2mm OD x 64.8mm L

lower link hitch point, for use w/category II tools

2шт.

374132R1

PIN

upper link implement, For use w/category II tools

1шт.

398406R1

BUSHING,26.29mm ID x 31.37mm OD x 50.8mm L

upper link rear ball, For use w/category II tools

1шт.

Выбрано товаров: 95