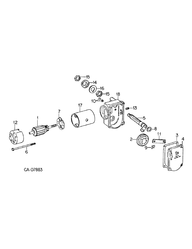
Запчасти Case IH 1586 (13-20) - SUPERSTRUCTURE, REAR WINDOW WIPER MOTOR, TRACTORS WITH CAB (05) - SUPERSTRUCTURE

Схема запчастей Case IH 1586 - (13-20) - SUPERSTRUCTURE, REAR WINDOW WIPER MOTOR, TRACTORS WITH CAB (05) - SUPERSTRUCTURE
6
16
17
11
15
15
2
4
1
5
9
3
8
12
10
13
14
18
7
FIT
1:1
100%

Артикул

Название

Примечание

Количество

391195R92

WIPER MOTOR

MOTOR ASSY, windshield wiper, Consists of ref. nos. 1 thru 48

1шт.

11

534758R1

ARMATURE

ASSY

1шт.

2

299450C91

GEAR

AND DRIVE PLATE ASSY

1шт.

3

299447C1

GASKET

cover

1шт.

4

399482R1

COVER

WIPER

1шт.

5

399485R1

SHAFT

ASSY, pivot

1шт.

6

534760R1

SCREW

2шт.

7

534759R1

WIPER

KIT, brush plate repair, Consists of

1шт.

PLATE ASSY (NSS)

1шт.

BRUSH ASSY (NSS)

4шт.

SCREW (NSS)

2шт.

SPRING (NSS)

2шт.

INSTRUCTION (NSS)

1шт.

8

219699R1

WASHER

bowed

1шт.

9

85037R1

CLIP

link spring

1шт.

10

178992

NUT

no. 6-NF mach screw type 1

2шт.

11

399483R1

LINK

connecting

1шт.

12

CAP ASSY, commutator end, Not serviced separately, Order motor assy 391195R92

1шт.

13

399489R1

SCREW,Hdls, 1/4" - 28 x 3/4"

set-armature end play

1шт.

14

399490R1

SPACER

outer

1шт.

15

299460C1

NUT

mounting stud

2шт.

16

299459C1

GASKET

1шт.

17

CYLINDER, Not serviced separately, Order motor assy 391195R92

1шт.

18

HOUSING, Not serviced separately, Order motor assy 391195R92

1шт.

Выбрано товаров: 24