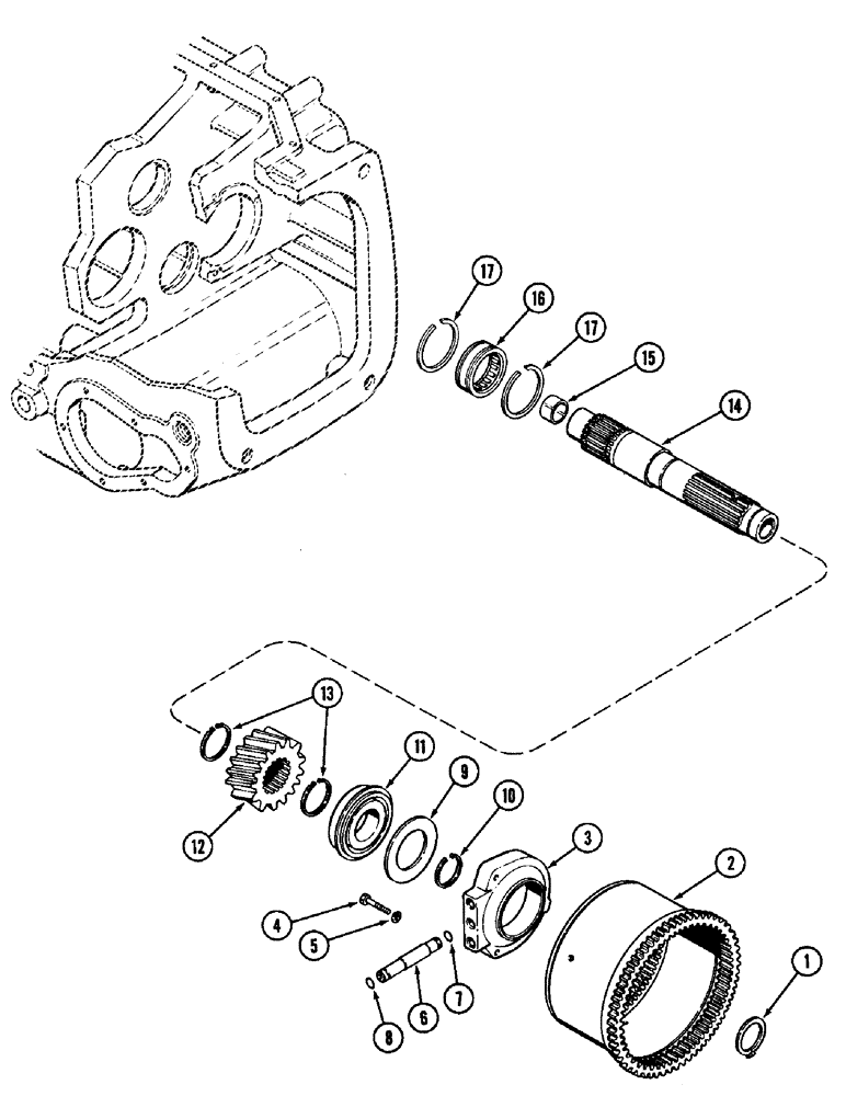
Запчасти Case IH 1896 (6-176) - POWER SHIFT TRANSMISSION, PLANETARY OUTPUT (06) - POWER TRAIN

Схема запчастей Case IH 1896 - (6-176) - POWER SHIFT TRANSMISSION, PLANETARY OUTPUT (06) - POWER TRAIN
17
5
8
10
2
3
4
17
12
1
14
16
13
7
9
15
6
11
FIT
1:1
100%

Артикул

Название

Примечание

Количество

1

A7611

SNAP RING,#175, Ext

Ring, Snap, , hub #175, Ext

1шт.

2

REF

INSTRUCTION

CLUTCH PACK - (C2) and (C3) (See figure 6-172)

1шт.

3

A61676

COVER ASSY

DISTRIBUTOR - oil

1шт.

4

413-632

BOLT,Hex, 3/8" - 16 x 2", Gr 5

- hex, 3/8 NC x 2 inch

3шт.

5

92-6

LOCK WASHER,3/8"

3шт.

6

A153811

TUBE

- oil

3шт.

7

G102845

O-RING,0.07" Thk x 0.489" ID, -14, Cl 6, 90 Duro

- inner, 5/8 inch (16 mm)

3шт.

8

A65918

O-RING,0.551" ID x 0.691" OD

- outer, 11/16 inch (17 mm)

3шт.

9

A64764

GUARD

SHIELD - bearing

1шт.

10

A27089

SNAP RING,2.36mm Thk, Ext

RING - snap, bearing retaining

1шт.

11

A58098

BALL BEARING,1.9685" ID x 4.58" OD x 1.063"

BEARING - ball

1шт.

12

A168023

GEAR

- drive, pinion

1шт.

13

A150927

RING

- snap, gear retaining

2шт.

14

A168494

SHAFT

ASSEMBLY - pinion drive, Includes: Ref. 15

1шт.

Prior to transmission serial no. 16264523.

1шт.

14

A179326

SHAFT

ASSEMBLY - pinion drive, Includes: Ref. 15

1шт.

Transmission serial no. 16264523 and after.

1шт.

15

A156939

BUSHING,31.83mm ID x 35.88mm OD x 19.05mm L

- shaft

1шт.

16

A32751

BEARING ASSY,43.96mm ID x 72mm OD x 26.99mm W

BEARING - roller, planetary shaft rear

1шт.

17

A28153

RING

- snap, bearing retaining

2шт.

Выбрано товаров: 20