Запчасти Case IH 1896 (9-398) - PLATFORM WITH FENDERS AND ROLLBAR, TWO POST ROPS WITHOUT CAB (09) - CHASSIS/ATTACHMENTS

Схема запчастей Case IH 1896 - (9-398) - PLATFORM WITH FENDERS AND ROLLBAR, TWO POST ROPS WITHOUT CAB (09) - CHASSIS/ATTACHMENTS
8
4
15
12
1
21
10
7
17
3
18
22
16
17
2
6
13
11
20
5
23
FIT
1:1
100%

Артикул

Название

Примечание

Количество

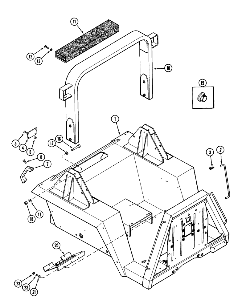
1

F97426

FRAME ASSY

PLATFORM WITH FENDERS - tractor (Welded assembly)

1шт.

2

A143834

HANDLE

- mounting

1шт.

3

121-123

BOLT,Hex Serr, 5/16" - 18 x 3/4"

(Order 113-103 and 195-521) Hex Flg, 5/16"-18 x 3/4", Serr

2шт.

4

A149306

COVER

- rear, fuel tank water trap

1шт.

5

182-516

SCREW,Sl Pan Hd, #10 - 24 x 1/2"

- pan head, No. 10-24 x 1/2 inch

4шт.

6

193-1004

NUT,Keps, #10 - 24, w/ Ext Tooth LW

NUT - Keps, No. 10-24

4шт.

7

F64547

HANDLE

- fender, rear

1шт.

8

182-586

SCREW,Cross Pan Hd, 1/4"-20 x 1 1/4"

BOLT - pan head, 1/4 NC x 1-1/2 inch

2шт.

10

F97422

ROLL

BAR - 2 post ROPS

1шт.

11

A181283

COVER

- rollbar

1шт.

12

187-1900

SELF-TAP SCREW,Hex Washer, 1/4" - 20 x 3/4"

SCREW - indented hex, 1/4 NC x 3/4 inch

4шт.

13

195-133

WASHER,5/16" x 3/4" x .065"

- flat, 5/16 x 3/4 x 1/16 inch (8 x 19 x 2 MM)

4шт.

15

F64504

BUSHING

- harness

2шт.

16

113-718

BOLT,Hex, 3/4" - 10 x 4-1/2", Gr 5

4шт.

17

195-2192

WASHER,13/16" x 2" x .238", HDN

- flat, 13/16 x 2 x 1/4 inch (21 x 51 x 6 MM)

8шт.

18

131-669

LOCK NUT,3/4"-10, GB

NUT - hex lock, 3/4 inch NC

4шт.

20

NSS

NOT SOLD SEPARAT

PANEL - support, column (Reference No. F66067)

1шт.

21

195-102

WASHER,1/4"

- flat, 5/16 x 3/4 x 1/16 inch (8 x 19 x 2 mm)

3шт.

22

192-19

LOCK WASHER,Helical Spring, 0.256" ID, CST, ZND

WASHER, LOCK, 1/4"

3шт.

23

7770

NUT,Hex, 1/4 - 20, Cl 5

1/4"-20, G5

3шт.

Выбрано товаров: 20