Запчасти Case IH 1896 (2-14) - TURBOCHARGER SYSTEM, 6T-590 DIESEL ENGINE (02) - ENGINE

Схема запчастей Case IH 1896 - (2-14) - TURBOCHARGER SYSTEM, 6T-590 DIESEL ENGINE (02) - ENGINE
18
30
1
20
7
9
26
8
25
32
10
33
28
3
15
6
7
5
4
29
24
16
27
17
19
2
14
FIT
1:1
100%

Артикул

Название

Примечание

Количество

1

REF

INSTRUCTION

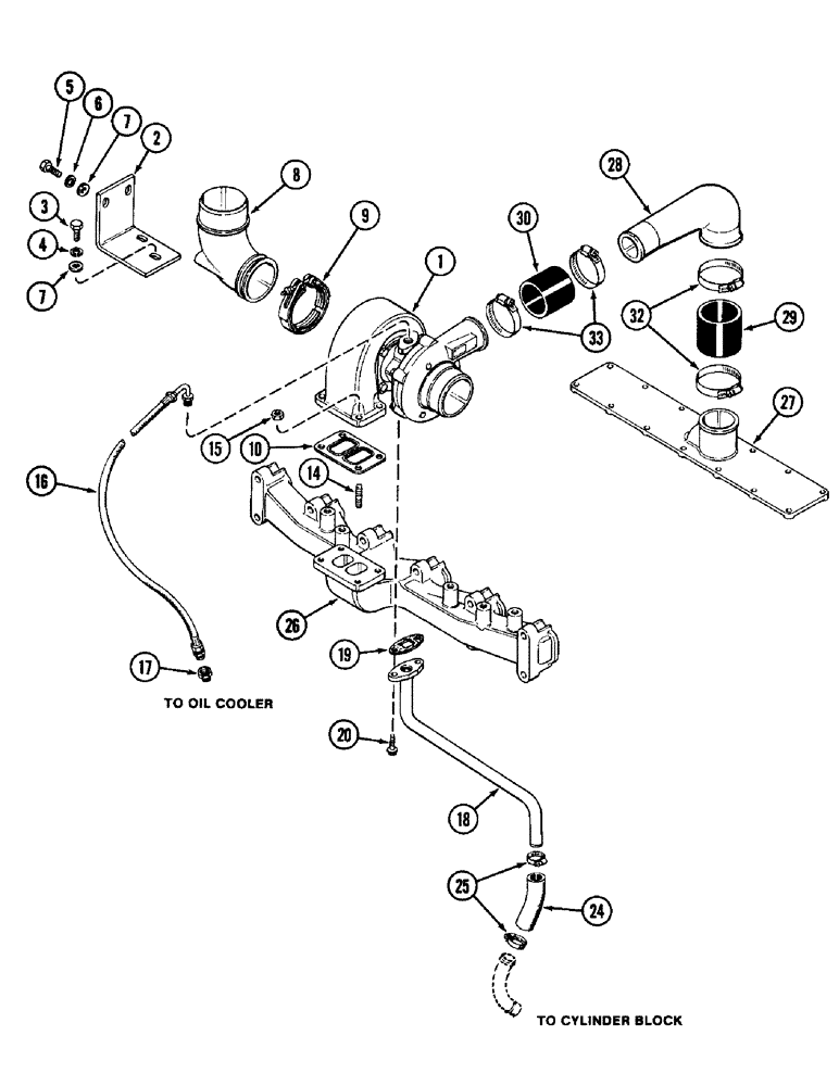
TURBOCHARGER ASSEMBLY - engine (See figure 2-16)

1шт.

2

A172484

BRACKET

- elbow

1шт.

3

814-10025

BOLT,Hex, M10 x 1.5 x 25mm, Cl 8.8, Full Thd

2шт.

4

892-1110

LOCK WASHER,M10

WASHER - lock, M10

2шт.

5

814-10025

BOLT,Hex, M10 x 1.5 x 25mm, Cl 8.8, Full Thd

2шт.

6

892-1110

LOCK WASHER,M10

WASHER - lock, M10

2шт.

7

196-5

WASHER,13/32" x 1 1/16" x .095", HDN

- flat, 13/32 x 1-1/16 x 3/16 inch (10 x 2 7 x 5 mm)

4шт.

8

A173623

ELBOW

- turbocharger exhaust

1шт.

9

A170467

CLAMP,72mm ID

-, Serial Range: elbow-turbocharger

1шт.

10

J901356

GASKET,0.5mm Thk

- mounting, turbocharger

1шт.

14

J905417

STUD

- mounting, turbocharger, M10 x 40 mm

4шт.

15

J901961

NUT

- hex, stud, M10

4шт.

16

J903933

HOSE

ASSEMBLY - oil supply, turbocharger

1шт.

17

A77457

FITTING

CONNECTOR - supply hose

1шт.

18

J905202

TUBE

CONNECTION - oil drain tube

1шт.

19

J901805

GASKET

- drain tube

1шт.

20

J900630

BOLT,Hex Flg, M8 x 20, 8.8, Full Thd

SCREW - hex flanged, M8 x 20 mm

2шт.

24

J903745

LARGE HOSE

HOSE - drain tube

1шт.

25

214-256

HOSE CLAMP,#20, 0.81" - 1.75", Type F Worm

CLAMP - hose, 1-3/16 to 1-3/4 inch

2шт.

26

REF

INSTRUCTION

MANIFOLD - exhaust (See figure 2-18)

1шт.

27

REF

INSTRUCTION

COVER - intake manifold (See figure 2-18)

1шт.

28

J906972

AIR INTAKE TUBE,53.8 - 66.5 mm OD x 198.1, 79.6 mm L

TUBE - air intake

1шт.

29

J904422

HOSE

- intake tube

1шт.

30

J901804

INTAKE AIR HOSE

HOSE - turbocharger intake

1шт.

32

214-260

HOSE CLAMP,#36, 1.81" - 2.75", Type F Worm

2шт.

33

214-258

HOSE CLAMP,#28, 1.31" - 2.25", Type F Worm

2шт.

Выбрано товаров: 26