Запчасти Case IH 1896 (4-090) - A181678 ALTERNATOR (04) - ELECTRICAL SYSTEMS

Схема запчастей Case IH 1896 - (4-090) - A181678 ALTERNATOR (04) - ELECTRICAL SYSTEMS
40
45
5
1
34
41
46
2
7
16
2
28
6
12
20
36
17
9
44
8
32
24
11
33
21
6
35
39
29
3
16
4
7
9
15
23
13
18
19
FIT
1:1
100%

Артикул

Название

Примечание

Количество

A181678

ALTERNATOR

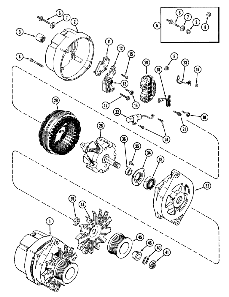
ALTERNATOR ASSEMBLY - 105 ampere, Delco no. 1105560 (JI Case installed) (Order A181766, A164281, J903586 and J903333), Includes: Ref. 2 - 41

1шт.

1

A181766

ALTERNATOR

ALTERNATOR ASSEMBLY - engine (Service only), Includes: Ref. 2 - 41

1шт.

1

87297234

REMAN-ALTERNATOR

Remanufactured Alternator

1шт.

1

87297235

CORE-ALTERNATOR

Return Number

1шт.

1

103808A1GV

ALTERNATOR

Value, 12V, 105A

1шт.

1

103808A1R

REMAN-ALTERNATOR

Remanufactured Alternator, 12 Volt 105 Ampere

1шт.

1

103808A1C

CORE-ALTERNATOR

Return Number

1шт.

1

A163085GV

ALTERNATOR

Value, 12V, 105A

1шт.

1

103807A1R

REMAN-ALTERNATOR

Remanufactured Alternator, 12 Volt 105 Ampere

1шт.

1

103807A1C

CORE-ALTERNATOR

Return Number

1шт.

1

146466C91

ALTERNATOR

Alternator, 12 VOLT, 80 AMP

1шт.

1

104023A1R

REMAN-ALTERNATOR

Remanufactured 12 Volt, 80 Amp Alternator

1шт.

1

104023A1C

CORE-ALTERNATOR

Return Number, 12 Volt, 80 Amp Alternator

1шт.

1

87297234

REMAN-ALTERNATOR

Remanufactured Bosch 12v 95a Alternator

1шт.

1

87297235

CORE-ALTERNATOR

Return Number, Bosch 12 v 95a Alternator

1шт.

2

A48252

FRAME

FRAME ASSEMBLY - slip ring end, Includes: Ref. 3

1шт.

3

A48253

ROLLER BEARING

BEARING - roller

1шт.

4

163-6

SCREW,Hex, #10 - 24 x 1 3/4"

BOLT - hex through, no. 10-24 x 1-3/4 inch

4шт.

5

A47597

TERMINAL CONNECTOR

TERMINAL KIT - battery, Includes: Ref. 6 - 9

1шт.

6

NSS

NOT SOLD SEPARAT

STUD - terminal

1шт.

7

NSS

NOT SOLD SEPARAT

INSULATOR - terminal

1шт.

8

NSS

NOT SOLD SEPARAT

NUT ASSEMBLY - terminal

1шт.

9

NSS

NOT SOLD SEPARAT

NUT ASSEMBLY - terminal

1шт.

11

A45213

REGULATOR

REGULATOR - voltage

1шт.

12

A48256

HOLDER

HOLDER ASSEMBLY - brush, Includes: Ref. 13

1шт.

13

A47987

BRUSH, COMMUTATOR

BRUSH BRUSH - alternator

2шт.

15

A47043

SCREW,#8 - 32 x 21"

SCREW - brush holder, grounded

1шт.

16

A45223

SCREW,Spcl, #8 - 32 x 1 1/8"

SCREW - brush holder, insulated

1шт.

17

A48257

SCREW,#8 - 32 x 1.486"

SCREW - brush holder, retaining

1шт.

18

A48254

DIODE

DIODE - trio

1шт.

19

129-16

NUT,#8-32

NUT, #8-32

3шт.

20

A48255

RECTIFIER

RECTIFIER BRIDGE - alternator

1шт.

21

A45221

SCREW,Hex Wshr Hd, #8 - 32 x 0.99"

SCREW - rectifier bridge attaching

1шт.

22

A47734

CAPACITOR

CAPACITOR - alternator

1шт.

23

A48258

TERMINAL CONNECTOR

TERMINAL - relay

1шт.

24

A45228

SELF-TAP SCREW,Hex Wash Hd, #8-32 x .59", Spc

SCREW - capacitor bracket

2шт.

28

A48250

ROTOR

ROTOR ASSEMBLY - alternator

1шт.

29

A48251

STATOR

STATOR ASSEMBLY - alternator

1шт.

32

A48259

FRAME

FRAME - drive end

1шт.

33

A65781

BALL BEARING,0.6693" ID x 1.5748" OD x 0.4724"

BEARING - ball, drive end

1шт.

34

R15101

PLATE

PLATE - bearing retainer

1шт.

35

A43699

SCREW,Hex, #10 - 24 x 0.52"

SCREW - bearing plate retaining (Order 1-173-210 and 1-195-512)

3шт.

36

A48262

COIL

COLLAR - rotor shaft, inner

1шт.

39

A48260

COLLAR

COLLAR - rotor shaft, outer

1шт.

40

R16171

SPRING WASHER

WASHER - lock, pulley nut

1шт.

41

A25546

NUT

NUT - pulley and fan retaining

1шт.

44

A164281

FAN

FAN - alternator ventilating

1шт.

45

J903586

GROOVED PULLEY

PULLEY - drive

1шт.

46

J903333

RETAINER

RETAINER - pulley

1шт.

Выбрано товаров: 49