Запчасти Case IH 1896 (5-122) - FRONT AXLE AND SUPPORT, MFD TRACTORS (05) - STEERING

Схема запчастей Case IH 1896 - (5-122) - FRONT AXLE AND SUPPORT, MFD TRACTORS (05) - STEERING
5
6
4
4
4
7
8
3
12
5
2
10
9
1
8
6
4
FIT
1:1
100%

Артикул

Название

Примечание

Количество

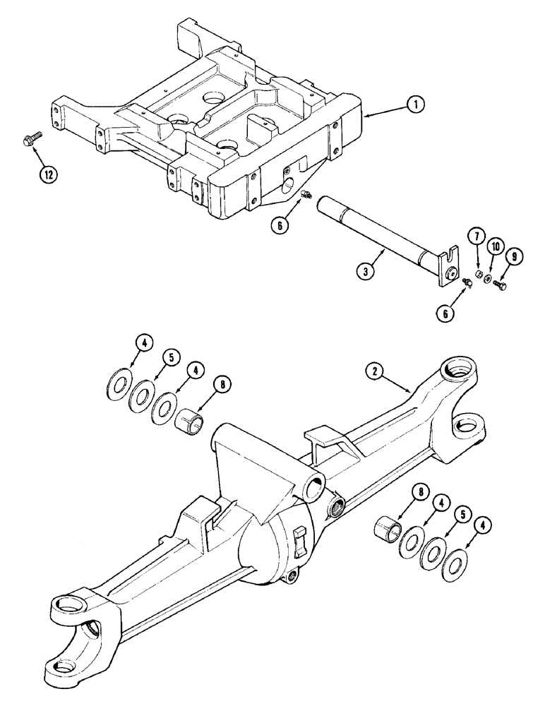
1

A169577

SUPPORT

- front axle

1шт.

2

A169532

AXLE

ASSEMBLY - front (See figure 5-124)

1шт.

3

A169586

PIN

- pivot, front axle

1шт.

4

A177854

WASHER,50.3mm ID x 90mm OD x 1.6mm Thk

thrust

1шт.

5

A177855

SEALING WASHER,50.3mm ID x 90mm OD x 4.9mm Thk

thrust, nylon

2шт.

6

219-55

LUBE NIPPLE,90 Degree Elbow, 1/8" - 27 NPTF

NIPPLE, LUBE, 90º, 1/8" NPT x .84" lg

2шт.

7

A148908

SPACER

- pivot pin

1шт.

8

A177916

BUSHING,50.3mm ID x 64.96mm OD x 50mm L

- pivot pin

2шт.

9

826-12040

BOLT,Hex, M12 x 1.75 x 40mm, Cl 10.9, Full Thd

- hex, M12 x 40 mm

1шт.

10

L30674

WASHER

- pivot bolt (Order A75865)

1шт.

12

A169100

BOLT

- support mounting

16шт.

Выбрано товаров: 11