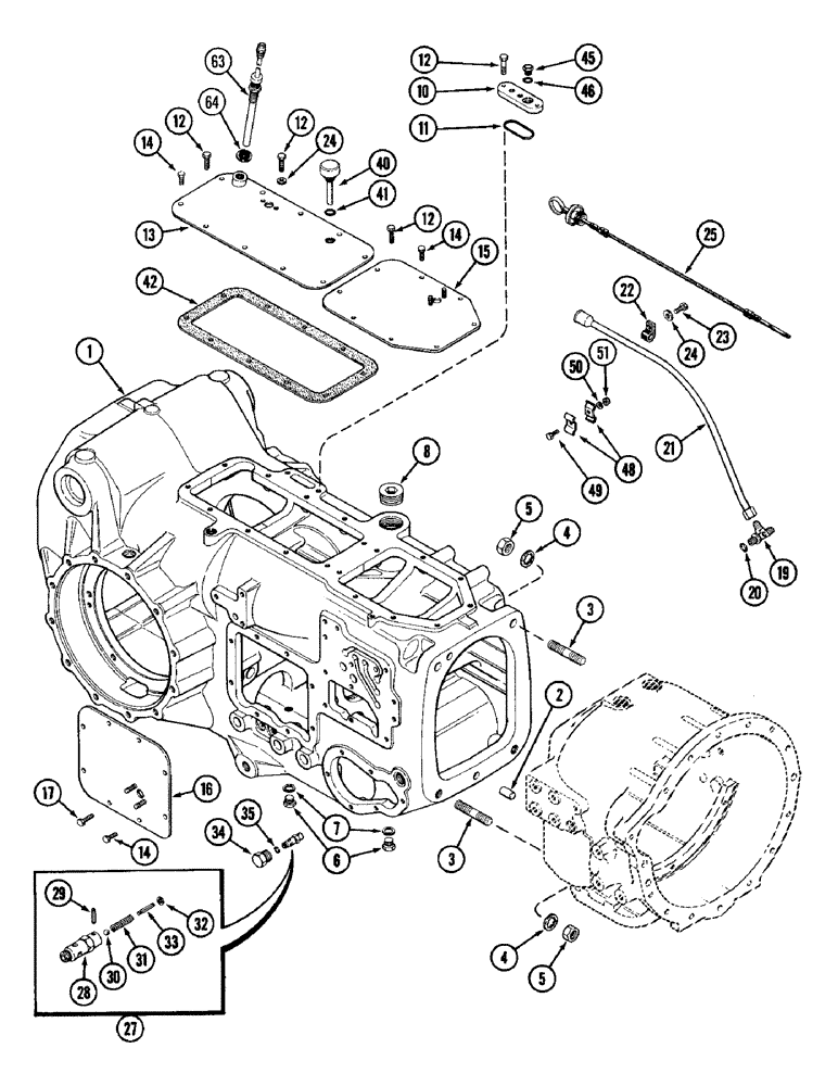
Запчасти Case IH 1896 (6-150) - POWER SHIFT TRANSMISSION, TRANSMISSION HOUSING (06) - POWER TRAIN

Схема запчастей Case IH 1896 - (6-150) - POWER SHIFT TRANSMISSION, TRANSMISSION HOUSING (06) - POWER TRAIN
17
40
64
31
3
41
23
33
15
24
10
4
50
13
48
46
49
11
32
12
14
35
34
42
5
22
63
28
27
45
1
20
2
25
4
12
21
16
51
12
8
29
5
14
3
12
19
30
24
7
6
14
FIT
1:1
100%

Артикул

Название

Примечание

Количество

1

A168111

HOUSING

- transmission

1шт.

2

A28269

PIN

- dowel

2шт.

3

A151866

STUD

- 7/8 NF x 4 inch

2шт.

4

193-75

LOCK WASHER,7/8"

WASHER - internal lock, 7/8 inch

2шт.

5

129-129

NUT,7/8"-14, G5

- hex, 7/8 inch NF

4шт.

6

A140222

PLUG

- drain

2шт.

7

A58608

GASKET

- plug

2шт.

8

221-1097

PLUG

- square socket head, 2 inch pt

1шт.

10

A179657

COVER

- charge pump outlet (Replaces A157626)

1шт.

11

A28318

O-RING,0.139" Thk x 2.484" ID, -230, Cl 5, 75 Duro

- 2-3/4 inch (70 mm)

1шт.

12

13-616

BOLT,Hex, 3/8" - 16 x 1", Gr 5, Full Thd

8шт.

13

A156743

COVER

- transmission top, rear

1шт.

14

13-612

BOLT,Hex, 3/8" - 16 x 3/4", Gr 5, Full Thd

16шт.

15

A179059

COVER

- transmission top, front

1шт.

16

A179060

COVER

- transmission side

1шт.

17

13-616

BOLT,Hex, 3/8" - 16 x 1", Gr 5, Full Thd

6шт.

19

A161146

FITTING

TEE ASSEMBLY - adjustable, dipstick, Includes: Ref. 20

1шт.

20

218-5008

O-RING,0.116" Thk x 0.924" ID, -912, Cl 6, 90 Duro

- 59/64 x 3/4 x 7/64 inch (23 x 19 x 3 mm)

1шт.

21

A144056

TUBE

- dipstick

1шт.

22

49838

CLAMP

CLIP - tube

1шт.

23

113-206

BOLT,Hex, 3/8" - 16 x 3/4", Gr 5, Full Thd

1шт.

24

195-525

WASHER,3/8", SAE

- flat, 13/32 x 13/16 x 1/16 inch (10 x 21 x 2 mm)

4шт.

25

A144055

DIPSTICK

- transmission oil

1шт.

27

A60890

VALVE

ASSEMBLY - relief, lubrication oil, Includes: Ref. 28 - 33

1шт.

28

NSS

NOT SOLD SEPARAT

BODY - relief valve

1шт.

29

138-57

LOCK PIN,1/8" x 3/4", Slotted

PIN, 1/8" x 3/4", Slotted

1шт.

30

211-9

BALL,5/16" Dia

- chrome steel, 5/16 inch (8 mm) Diameter

1шт.

31

A60889

SPRING

- relief valve

1шт.

32

195-6

WASHER,#6

- flat, 5/32 x 5/16 x 1/32 inch (4 x 8 x 1 mm)

1шт.

33

138-96

LOCK PIN,3/16" x 1", Slotted

PIN, 3/16" x 1", Slotted

1шт.

34

A67369

PLUG

- hex, oil relief valve

1шт.

35

218-5008

O-RING,0.116" Thk x 0.924" ID, -912, Cl 6, 90 Duro

- 5/64 x 3/4 x 7/64 inch (23 x 19 x 3 mm)

1шт.

40

A154691

BREATHER

ASSEMBLY - transmission, Includes: Ref. 41

1шт.

41

F62075

O-RING,0.139" Thk x 0.734" ID, -210, Cl 5, 75 Duro

- breather (Order A42597)

1шт.

42

A144226

GASKET

- cover

1шт.

45

214389

PLUG,3/4" - 16 ORB

Assy, 1/2 tube, Includes Ref. 46 Hex Hd, 3/4"-16 ORB

1шт.

48

A169743

CLAMP

- tube

2шт.

49

113-103

BOLT,Hex, 5/16" - 18 x 1", Gr 5

1шт.

50

192-20

LOCK WASHER,Helical Spring, 0.318" ID, CST, ZND

WASHER, LOCK, 5/16"

1шт.

51

9635082

NUT,5/16" - 18, Gr 5

1шт.

63

A158683

TRANSMITTER

SENSOR - speed

1шт.

64

A75995

SEAL

- sensor

1шт.

46

218-5006

O-RING,0.087" Thk x 0.644" ID, -908, Cl 6, 90 Duro

- 41/64 x 13/16 x 3/32 inch (16 x 21 x 2 mm)

1шт.

Выбрано товаров: 43