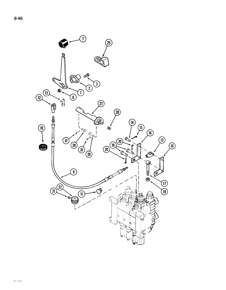
Запчасти Case IH 1896 (8-46) - REMOTE ADD-ON ATTACHMENT, NO. THREE OR NO. FOUR CIRCUIT, WITHOUT LOAD CHECK (08) - HYDRAULICS

Схема запчастей Case IH 1896 - (8-46) - REMOTE ADD-ON ATTACHMENT, NO. THREE OR NO. FOUR CIRCUIT, WITHOUT LOAD CHECK (08) - HYDRAULICS
19
2
13
18
17
16
15
31
22
30
3
28
29
25
12
20
21
6
27
20
31
10
11
7
1
9
14
12
16
FIT
1:1
100%

Артикул

Название

Примечание

Количество

A181930

ATTACHMENT

KIT - hydraulic, remote No.3 or No. 4 'add-on' circuit without load check, Includes: Ref. 1 - 31and 35 to 70 on fig. 8-48

1шт.

1

A141392

LEVER

- remote hand control

1шт.

A67386

KIT

- lever, remote control, Includes: Ref. 2 - 25

1шт.

2

A160500

BUSHING,15.95mm ID x 25.4mm OD x 55.37mm L

BEARING - control lever

1шт.

3

413-412

BOLT,Hex, 1/4" - 20 x 3/4", Gr 5

- hex, 1/4 NC x 3/4 inch, grade 5

2шт.

6

131-1180

LOCK NUT,1/4"-20, GA

NUT, LOCK, 1/4"-20, GA

2шт.

7

A177438

KNOB

- hand lever (Black)

1шт.

9

A177635

CABLE

- control, Serial Range: lever-valve

1шт.

10

A141389

GROMMET

- cable

1шт.

11

A162961

PLUG

- 3/4 inch diameter head

1шт.

11

A67295

PLUG

- 9/16 inch diameter head

2шт.

12

213-1

ADJUSTABLE CLEVIS,#10-32

CLEVIS - rod end, adjustable, No. 10

2шт.

13

A149683

PIN

- spring, 3/16 inch clevis

1шт.

14

1536618C1

PIN

- clevis

1шт.

15

132-7

COTTER PIN,1/16" x 3/4"

Pin, Split (Cotter), 1/16" x 3/4"

2шт.

16

A145598

LEVER

- remote valve bellcrank

2шт.

17

A145597

EYE

- bellcrank pivot

1шт.

18

25-146

JAM NUT,Jam, 3/8"-16, G5

- hex jam, 3/8 inch NC, grade 5

1шт.

19

141-54

CLEVIS PIN,3/8" x 1 1/16"

2шт.

20

132-26

COTTER PIN

Pin, Split (Cotter), 3/32" x 3/4"

2шт.

21

A160814

KNOB

- flow control

1шт.

22

84-21010

SET SCREW,Hex Soc, #10-32 x 5/8"

SCREW - set, hex socket, No. 10-32 x 5/8 inch

1шт.

25

A141542

LEVER

TAB - float lockout

1шт.

27

A162861

QUADRANT

- remote lockout

1шт.

28

A164976

SPRING

- remote lockout

1шт.

29

A67313

PIN

- clevis, quadrant

1шт.

30

A167543

PIN,4.72mm OD x 19.99mm L

- clevis, remote lockout

1шт.

31

132-7

COTTER PIN,1/16" x 3/4"

Pin, Split (Cotter), , Continued on Figure 8-48 1/16" x 3/4"

2шт.

Выбрано товаров: 28