Запчасти Case IH 1896 (8-82) - HITCH CONTROL VALVE, MANIFOLD AND TUBES (08) - HYDRAULICS

Схема запчастей Case IH 1896 - (8-82) - HITCH CONTROL VALVE, MANIFOLD AND TUBES (08) - HYDRAULICS
18
44
32
15
5
10
7
29
28
11
8
30
6
34
2
39
9
12
1
35
24
38
37
33
43
27
4
4
40
23
41
19
13
31
42
14
5
17
26
25
45
21
16
36
3
20
22
FIT
1:1
100%

Артикул

Название

Примечание

Количество

1

NSS

NOT SOLD SEPARAT

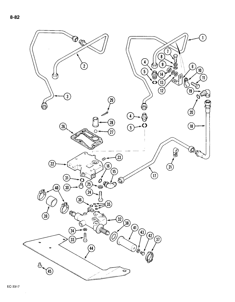
TUBE - manifold to lift cylinder (J I Case installed) (Order Ref. 2 and 3)

1шт.

2

A177608

TUBE

- manifold to lift cylinder, upper half

1шт.

3

A177609

TUBE

- manifold to lift cylinder, lower half

1шт.

4

218-5062

HYD CONNECTOR,7/8"-14, 37 Degree x 7/8"-14, O-Ring

UNION - straight, 5/8 inch tube, 7/8 inch NF, Includes: Ref. 5

2шт.

5

237-6010

O-RING,0.097" Thk x 0.755" ID, -910, Cl 6, 90 Duro

- 5/8 inch O.D. tube, class 6

1шт.

6

A177328

BRACKET

- tube clamp

1шт.

7

13-512

BOLT,Hex, 5/16" - 18 x 3/4", Gr 5

1шт.

8

192-20

LOCK WASHER,Helical Spring, 0.318" ID, CST, ZND

WASHER, LOCK, 5/16"

1шт.

9

95-5

WASHER,3/8" x 7/8" x .083"

- flat, 5/16 inch

1шт.

10

A177329

CLAMP

- tube

1шт.

11

413-616

BOLT,Hex, 3/8" - 16 x 1", Gr 5

1шт.

12

495-21044

WASHER,3/8"

(flat, 7/16 x 1 x 5/64 inch) 3/8"

1шт.

13

492-11038

LOCK WASHER,3/8"

1шт.

14

129-103

NUT,Hex, 3/8" - 16, Gr 5

NUT, 3/8"-16, G5

1шт.

15

A181670

ELBOW,90 Degree, 1 1/16"-12 37 Degree x 7/8"-14, O-Ring

90 degree, 7/8 NF x 1-1/16 inch NF, Includes: Ref. 16

1шт.

16

237-6010

O-RING,0.097" Thk x 0.755" ID, -910, Cl 6, 90 Duro

- 5/8 inch O.D. tube, class 6

1шт.

17

A181635

TUBE

- remote to hitch manifold

1шт.

18

D42600

HOSE

- remote to hitch manifold

1шт.

19

218-5108

ELBOW,90 Degree Elbow, 1-1/16" - 12 Male JIC x 1-1/16" - 12 Male ORB

90º, adjustable, 3/4 inch tube, 1-1/16 inch NF, Incl. Ref. 20

1шт.

20

237-6012

O-RING,0.116" Thk x 0.924" ID, -912, Cl 6, 90 Duro

12-1, 90 Duro, .924 ID x .116" Thk, 3/4 inch O.D. tube, class 6

1шт.

21

515-23190

CLAMP,3/4", Insul, 3/8" Bolt

- medium c1osed, 3/4 inch diameter

1шт.

22

A161770

BODY

MANIFOLD - depth control valve

1шт.

23

221-844

PLUG,Hex Soc, 1/2"-14

- hex socket, 1/2 inch NPT

1шт.

24

413-624

BOLT,Hex, 3/8" - 16 x 1-1/2", Gr 5

- hex, 3/8 NC x 1-1/2 inch, grade 5

5шт.

25

492-11038

LOCK WASHER,3/8"

5шт.

26

A185804

MANIFOLD GASKET

- cover, manifold to transmission case

1шт.

27

211-19

BALL,7/8" Dia

- 7/8 inch, chrome alloy steel, grade 200

1шт.

28

A63458

TUBE

- return oil

1шт.

30

71100209

PLUG,Hex Soc, 3/4"-16 ORB

(1/2" tube), Incl Ref 31 Hex Soc, 3/4"-16 ORB

1шт.

31

237-6008

O-RING,0.087" Thk x 0.644" ID, -908, Cl 6, 90 Duro

8-1, 90 Duro, .644" ID x .087" Thk, 1/2" OD tube

1шт.

32

A143713

VALVE

ASSEMBLY - hitch control (See Figure 8-84)

1шт.

33

13-544

BOLT,Hex, 5/16" - 18 x 2-3/4", Gr 5

4шт.

29

132-54

COTTER PIN,1/8" x 1 3/4"

Pin, Split (Cotter), 1/8" x 1 3/4"

1шт.

34

192-20

LOCK WASHER,Helical Spring, 0.318" ID, CST, ZND

WASHER, LOCK, 5/16"

4шт.

35

A27410

O-RING,0.487" ID x 0.693" OD x 0.103"

- sealing

3шт.

36

A7982

O-RING,0.103" Thk x 0.612" ID, -114, Cl 5, 75 Duro

- 5/8 x 13/16 inch

1шт.

37

A63475

CLAMP,50.29mm ID

- cover

1шт.

38

A65542

GASKET

- cover

1шт.

39

A63472

HOSE

- control valve to linkage housing

1шт.

40

214-24

CLAMP

- 2 inch diameter, type D

2шт.

41

A167785

COVER

- valve spool

1шт.

42

13-46

BOLT,Hex, 1/4" - 20 x 3/8", Gr 5, Full Thd

- hex, 1/4 NC x 3/8 inch, grade 5

1шт.

43

195-1013

SEALING WASHER,0.26" ID x 0.56" OD x 0.04" Thk

- flat, brass, 1/4 x 9/16 inch

1шт.

A67514

KIT- guard, draft control valve, Includes: Ref. 44 and 45

1шт.

44

A162528

GUARD

- valve

1шт.

45

121-107

SERRATED BOLT,Hex, 5/16" - 18 x 1", Gr 5

3шт.

Выбрано товаров: 46