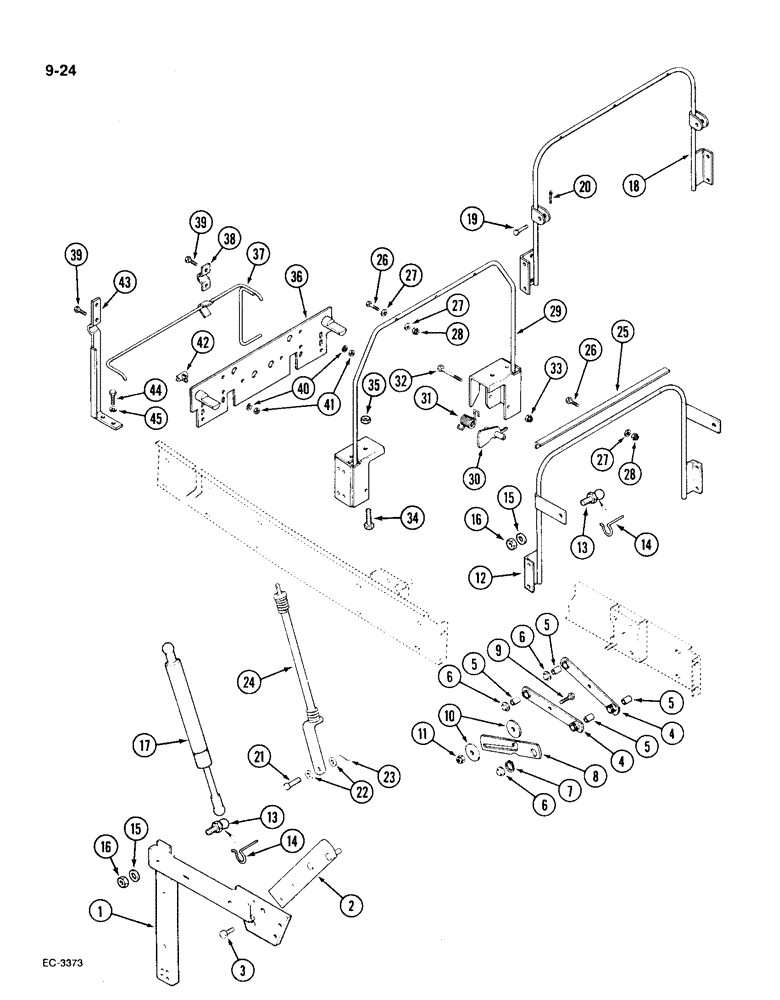
Запчасти Case IH 1896 (9-024) - HOOD SUPPORTS, HINGE AND LATCH (09) - CHASSIS/ATTACHMENTS

Схема запчастей Case IH 1896 - (9-024) - HOOD SUPPORTS, HINGE AND LATCH (09) - CHASSIS/ATTACHMENTS
2
22
21
24
8
38
12
27
15
16
15
41
4
26
31
6
5
11
18
33
6
28
40
32
5
5
25
42
1
34
39
7
13
13
19
35
27
17
30
27
44
20
26
9
14
10
16
6
29
39
14
45
23
43
4
36
5
3
28
37
FIT
1:1
100%

Артикул

Название

Примечание

Количество

1

A185374

SUPPORT

- hood and radiator, left (Replaces A169188)

1шт.

1

A185052

CHANNEL

SUPPORT - hood and radiator, right (Replaces A169187)

1шт.

2

NLS

NO LONGER SERVICED

- hinge support, right

1шт.

2

A147613

BRACKET

- hinge support, left

1шт.

3

121-226

SERRATED BOLT,Hex, 3/8" - 16 x 1"

4шт.

A162510

LINK

ASSEMBLY - hood tilt, Includes: Ref. 4 and 5

4шт.

4

A162511

LINK - hinge

1шт.

5

A59809

BUSHING,12.8mm ID x 15.93mm OD x 25.4mm L

- pivot

2шт.

6

131-425

PUSH-ON NUT,Push, 1/2"

NUT, LOCK, Push, 1/2"

8шт.

7

B18208

SNAP RING,#100, Ext

hood lock lever #100, Ext

1шт.

8

1976741C2

LEVER

- hood lock (Replaces A185252)

1шт.

9

413-620

BOLT,Hex, 3/8" - 16 x 1-1/4", Gr 5

- hex, 3/8 NC x 1-1/4 inch, grade 5

1шт.

10

495-81147

WASHER,0.41" ID x 2" OD x 0.11" Thk

- flat, 13/32 x 2 x 7/64 inch

2шт.

11

131-206

NUT,3/8"-16

NUT - hex elastic, 3/8 inch NC

1шт.

12

A181725

BRACKET

BRACE - hood and cylinder (Current production)

1шт.

13

1536656C1

STUD

- ball (Current production)

4шт.

14

1536655C1

CLIP

- retaining, cylinder end (Current production)

4шт.

15

192-20

LOCK WASHER,Helical Spring, 0.318" ID, CST, ZND

WASHER, LOCK, (Current production) 5/16"

4шт.

16

829-1308

NUT,M8, Cl 10

- hex, 8 mm, Cl 10 (Current production)

4шт.

17

1536643C1

GAS STRUT

CYLINDER ASSEMBLY - spring gas (Current production)

2шт.

18

A166989

BRACE

- hood and cylinder (Early production)

1шт.

19

141-62

CLEVIS PIN,1/4" x 1.219"

PIN - clevis, 1/4 x 1-1/8 inch (Early production)

2шт.

20

32-432

COTTER PIN,1/16" x 2"

PIN, SPLIT (COTTER), (Early production) 1/16" x 2"

2шт.

21

141-63

CLEVIS PIN,1/2" x 1 11/16'"

PIN - clevis, 1/2 x 1-11/16 inch (Early production)

2шт.

22

495-21056

WASHER,1/2"

- flat, 9/16 x 1-3/8 x 3/32 inch (Early production)

4шт.

23

432-820

COTTER PIN,1/8" x 1 1/4"

PIN, SPLIT (COTTER), 1/8" x 1-1/4" (Early production)

2шт.

24

A147817

GAS STRUT,952.5mm Extended, 609.6mm Compressed

ASSEMBLY - hood lift (Early production) (See Figure 9-26)

2шт.

25

A149068

BRACKET

ANGLE - brace (Between brace and hood)

1шт.

26

413-424

BOLT,Hex, 1/4" - 20 x 1-1/2", Gr 5

6шт.

27

495-21031

WASHER,1/4"

- flat, 5/16 x 47/64 x 1/16 inch

6шт.

28

131-1180

LOCK NUT,1/4"-20, GA

NUT, LOCK, 1/4"-20, GA

6шт.

29

A169845

BRACKET

BRACE - hood support, rear

1шт.

30

A147728

TRIGGER

- hood lock

2шт.

31

1978450C2

SPRING

- torsion, hood lock (Replaces A147730)

2шт.

32

413-452

BOLT,Hex, 1/4" - 20 x 3-1/4", Gr 5

2шт.

33

131-1180

LOCK NUT,1/4"-20, GA

NUT, LOCK, 1/4"-20, GA

2шт.

34

413-528

BOLT,Hex, 5/16" - 18 x 1-3/4", Gr 5

- hex, 5/16 NC x 1-3/4 inch, grade 5 (Replaces A145178)

2шт.

35

425-105

NUT,5/16"-18, G5

- hex, 5/16 inch NC, grade 5

2шт.

36

A167531

SUPPORT

- hood, rear

1шт.

37

A176012

HANDLE

- hood release

1шт.

38

A166658

CLAMP

- bushing

2шт.

39

614-10025

BOLT,Hex, M10 x 1.5 x 25mm, Cl 8.8

8шт.

40

892-11010

LOCK WASHER,M10

8шт.

41

825-1410

NUT,M10, Cl 8

8шт.

42

A169954

BUSHING

- hood release

4шт.

43

A166665

BRACKET

BRACE - hood release

2шт.

44

614-12035

BOLT,Hex, M12 x 1.75 x 35mm, Cl 8.8, Full Thd

4шт.

45

892-11012

LOCK WASHER,M12

WASHER, LOCK, M12

4шт.

Выбрано товаров: 48