Запчасти Case IH 1896 (2-14) - TURBOCHARGER SYSTEM, 6T-590 ENGINE (02) - ENGINE

Схема запчастей Case IH 1896 - (2-14) - TURBOCHARGER SYSTEM, 6T-590 ENGINE (02) - ENGINE
7
28
15
17
9
32
25
29
6
4
19
3
27
18
5
1
30
14
20
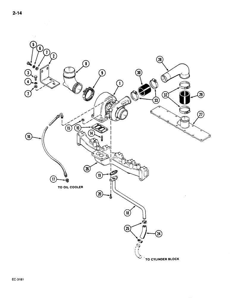
2
8
33
7
10
24
16
26
FIT
1:1
100%

Артикул

Название

Примечание

Количество

1

REF

INSTRUCTION

TURBOCHARGER ASSEMBLY - engine (See Figure 2-16)

1шт.

2

A172484

BRACKET

- elbow

1шт.

3

814-10025

BOLT,Hex, M10 x 1.5 x 25mm, Cl 8.8, Full Thd

- hex, 10 mm x 25 mm, class 8.8

2шт.

4

892-1110

LOCK WASHER,M10

WASHER - lock, 10 mm

2шт.

5

814-10025

BOLT,Hex, M10 x 1.5 x 25mm, Cl 8.8, Full Thd

- hex, 10 mm x 25 mm, class 8.8

2шт.

6

892-1110

LOCK WASHER,M10

WASHER - lock, 10 mm

2шт.

7

895-11010

WASHER,11mm ID x 20mm OD x 2mm Thk

- flat, 11 x 21 x 2 mm

4шт.

8

A173623

ELBOW

- turbocharger exhaust

1шт.

9

A170467

CLAMP,72mm ID

-, Serial Range: elbow-turbocharger

1шт.

10

J901356

GASKET,0.5mm Thk

-, Serial Range: turbocharger-manifold

1шт.

14

J905417

STUD

- turbocharger mounting

4шт.

15

J901961

NUT

- hex, turbocharger mounting

4шт.

16

J909547

HOSE,457.00 mm

Oil Supply, Turbocharger 457.00 mm

1шт.

17

A77457

FITTING

CONNECTOR - female hex, drain tube to filter hose

1шт.

18

J905202

TUBE

- oil drain

1шт.

19

J914388

GASKET

- oil drain tube (Replaces J901805)

1шт.

20

J900630

BOLT,Hex Flg, M8 x 20, 8.8, Full Thd

- hex flange, 8 mm x 20 mm

2шт.

24

J903745

LARGE HOSE

HOSE - turbocharger oil drain

1шт.

25

214-255

HOSE CLAMP,#16, 0.81" - 1.5", Type F Worm

- turbocharger drain hose #16, 0.81/1.50 Type F Worm

2шт.

26

REF

INSTRUCTION

MANIFOLD - exhaust (See Figure 2-18)

1шт.

27

REF

INSTRUCTION

COVER - intake manifold (See Figure 2-18)

1шт.

28

J906972

AIR INTAKE TUBE,53.8 - 66.5 mm OD x 198.1, 79.6 mm L

TUBE - air intake

1шт.

29

J904422

HOSE

- intake tube

1шт.

30

J901804

INTAKE AIR HOSE

HOSE - air intake

1шт.

32

214-261

HOSE CLAMP,#40, 2.06" - 3", Type F Worm

CLAMP - hose retaining

2шт.

33

214-258

HOSE CLAMP,#28, 1.31" - 2.25", Type F Worm

2шт.

Выбрано товаров: 26