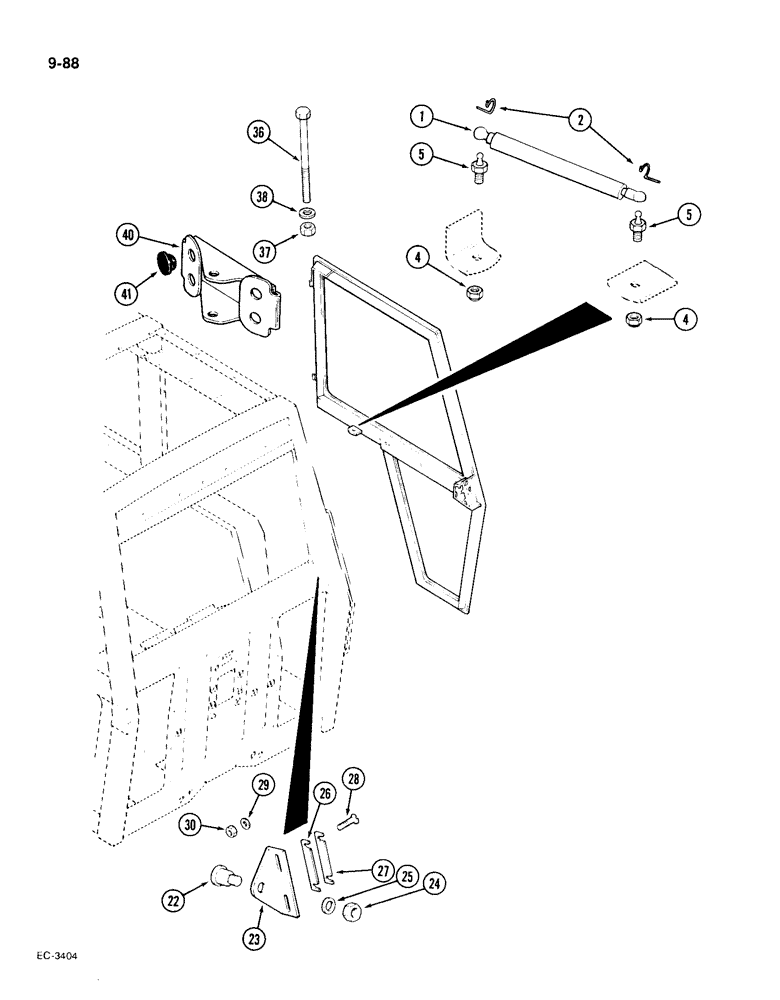
Запчасти Case IH 1896 (9-088) - CAB DOOR, RETAINING PARTS (09) - CHASSIS/ATTACHMENTS

Схема запчастей Case IH 1896 - (9-088) - CAB DOOR, RETAINING PARTS (09) - CHASSIS/ATTACHMENTS
37
4
23
24
30
2
28
38
26
41
29
5
27
22
5
40
36
25
1
4
FIT
1:1
100%

Артикул

Название

Примечание

Количество

1

A185714

GAS STRUT

CYLINDER - spring, door

1шт.

2

3233348R1

CLIP

- retaining

2шт.

4

825-1410

NUT,M10, Cl 8

2шт.

5

3234063R1

BALL STUD,M10 x 1.5

STUD - ball, 13 mm diameter

2шт.

22

F66210

STRIKER PLATE

STRIKER - door latch

1шт.

23

F64301

BRACKET

- striker mounting

1шт.

24

231-1447

NUT,7/16"-14, GB

NUT, LOCK, 7/16"-14, GB

1шт.

25

495-81152

WASHER,.469" x 3/4" x .065"

- flat, 0.469 x 0.75 x 0.065 inch

2шт.

26

F63785

SHIM

- striker bracket, 5/64 inch

1шт.

27

F63786

SHIM

- striker bracket, 3/64 inch

1шт.

28

443-52516

SCREW,Cross Flat Hd, 1/4"-20 x 1", G5

- flat, 1/4 NC x 1 inch, grade 5

2шт.

29

495-11028

WASHER,1/4", SAE

(flat, 9/32 x 5/8 x 1/16") 1/4", SAE

2шт.

30

86625061

NUT,1/4"-20, GB

NUT - hcx lock, 1/4 inch NC

2шт.

36

413-672

BOLT,Hex, 3/8" - 16 x 4-1/2", Gr 5

- hex, 3/8 NC x 4-1/2 inch, grade 5

2шт.

37

131-1306

JAM NUT,Jam, 3/8"-16

NUT - hex jam, 3/8 inch NC

2шт.

38

F64046

WASHER,9.91mm ID x 19.05mm OD x 0.76mm Thk

- thrust

2шт.

40

A176027

DOOR

STOP - door (If fitted)

2шт.

41

A181270

BUMPER

- door stop (If fitted)

8шт.

Выбрано товаров: 0