Запчасти Case IH 1896 (9-122) - WINDSHIELD WIPER, AMERICAN BOSCH (09) - CHASSIS/ATTACHMENTS

Схема запчастей Case IH 1896 - (9-122) - WINDSHIELD WIPER, AMERICAN BOSCH (09) - CHASSIS/ATTACHMENTS
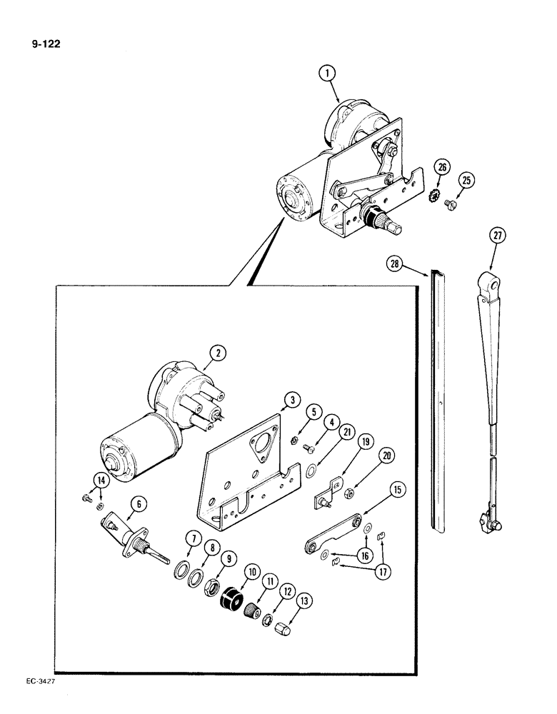
26
4
3
1
5
11
8
20
7
12
21
2
28
14
13
16
9
27
17
15
10
6
25
19
FIT
1:1
100%

Артикул

Название

Примечание

Количество

F96900

MOTOR HOUSING

WIPER ASSEMBLY - windshield, Includes: Ref. 1 - 21

1шт.

See figure 9-124 for optional Robert Bosch wiper assembly.

1шт.

1

F96764

WIPER

ASSEMBLY - windshield (American Bosch), Includes: Ref. 2 - 21

1шт.

2

NSS

NOT SOLD SEPARAT

MOTOR - wiper (Order F96764)

1шт.

3

NSS

NOT SOLD SEPARAT

BRACKET - wiper assembly (Order F96764)

1шт.

4

174-214

SCREW,Sl Rnd Hd, 1/4" - 28 x 5/8"

- round head, 1/4 NF x 5/8 inch

3шт.

5

493-41026

LOCK WASHER,Ext Tooth, 1/4"

WASHER - lock, 1/4 inch

3шт.

D71415

SHAFT

ASSEMBLY - pivot, wiper arm, Includes: Ref. 6 - 13

1шт.

6

NSS

NOT SOLD SEPARAT

SHAFT - wiper, with pivot (Order D71415)

1шт.

7

D71417

SPECIAL WASHER

WASHER - flat, fibre

1шт.

8

D71418

WASHER

- flat, steel

1шт.

9

D71419

NUT

- hex jam, shaft

1шт.

10

D71420

CAP

BOOT - rubber

1шт.

11

D71421

TOOL

DRIVER - knurled, wiper arm

1шт.

12

493-11052

LOCK WASHER,Ext-Int Tooth, 1/2"

WASHER - lock, internal/external tooth, 1/2 inch

1шт.

13

D71422

NUT

- hex, cap

1шт.

14

D71416

SCREW

- shaft assembly

2шт.

15

D71427

LINK,85.85mm L

- connecting

1шт.

16

A22431

WASHER

- link clip, drive arm and shaft

2шт.

17

D71414

CLIP

RETAINER - spring clip, drive arm and shaft

2шт.

19

F64210

LEVER

ARM - drive

1шт.

20

F44452

LOCK NUT

- hex, keps, motor shaft arm

1шт.

21

D71411

WASHER

- wave

1шт.

25

459-1256

SCREW,Slotted Pan Hd, 1/4"-28 x 3/8"

- pan head slotted, 1/4 NF x 3/8 inch

2шт.

26

193-78

LOCK WASHER,3/8"

WASHER - lock, internal/external tooth, 1/4 inch

2шт.

27

A165060

WIPER ARM

ARM - wiper blade, 18 inch (457 mm), black

1шт.

28

A165059

WIPER

BLADE - wiper, 20 inch (508 mm), black

1шт.

Выбрано товаров: 27