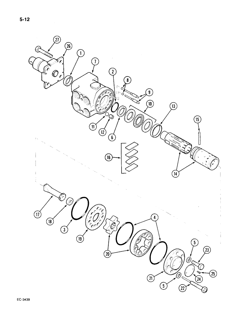
Запчасти Case IH 1896 (5-12) - HYDROSTATIC STEERING PUMP, DANFOSS, TWO WHEEL DRIVE TRACTORS (05) - STEERING

Схема запчастей Case IH 1896 - (5-12) - HYDROSTATIC STEERING PUMP, DANFOSS, TWO WHEEL DRIVE TRACTORS (05) - STEERING
16
6
14
25
5
17
4
3
15
27
18
20
2
10
7
5
21
8
22
12
24
1
11
23
19
26
13
9
FIT
1:1
100%

Артикул

Название

Примечание

Количество

1346047C1

PUMP

ASSEMBLY - steering (Optional to 1978330C1), Includes: Ref. 1 - 26

1шт.

1978329C1

PUMP

- hand, steering, Includes: Ref. 1 - 25

1шт.

3141548R91

SEAL KIT

KIT - service, seals, Includes: Ref. 1 - 6

1шт.

1

NSS

NOT SOLD SEPARAT

SEAL - dust (Order 3141548R91)

1шт.

2

NSS

NOT SOLD SEPARAT

O-RING - sealing (Order 3141548R91)

1шт.

3

NSS

NOT SOLD SEPARAT

O-RING - sealing (Order 3141548R91)

1шт.

4

NSS

NOT SOLD SEPARAT

O-RING - sealing (Order 3141548R91)

2шт.

5

NSS

NOT SOLD SEPARAT

WASHER - flat, (Order 3141548R91)

7шт.

6

NSS

NOT SOLD SEPARAT

RING - kin (Order 3141548R91)

1шт.

7

NSS

NOT SOLD SEPARAT

HOUSING - steering pump (Order 1978329C1)

1шт.

8

211-204

BALL

- 3/16 inch, grade 25, chrome alloy steel

2шт.

9

1971684C1

BUSHING

- with pin

2шт.

10

1272808C1

NEEDLE BEARING

- needle bearing

1шт.

11

1272794C1

BALL

- steel, 8.5 mm diameter

1шт.

12

1272793C1

BUSHING

- threaded

1шт.

13

1272795C1

O-RING,39.6mm ID x 41mm OD x 4.5mm

- sealing

1шт.

14

NSS

NOT SOLD SEPARAT

SPOOL - complete with sleeve

1шт.

15

1272796C1

CROSS PIN

1шт.

16

N14219

SET OF PARTS

KIT - cross springs

1шт.

17

1272797C1

SHAFT

- cardan

1шт.

18

1346244C1

SPACER

- pump

1шт.

19

1272803C1

PLATE

- distributor

1шт.

20

1346241C1

PINION

GEAR - rotor, complete

1шт.

21

1272805C1

COVER

- end

1шт.

22

1346247C1

SCREW,Hex, M8 x 1 x 46.50mm, W/ Pin

BOLT - hex special, with pin

1шт.

23

3112278R1

BOLT

- hex, 8 mm x 45 mm

6шт.

24

NSS

NOT SOLD SEPARAT

PLATE - name (Order 1978329C1)

1шт.

25

NSS

NOT SOLD SEPARAT

SCREW - drive (Order 1978329C1)

2шт.

26

1335974C1

STEERING COLUMN

COLUMN ASSEMBLY - steering pump

1шт.

27

413-644

BOLT,Hex, 3/8" - 16 x 2-3/4", Gr 5

- hex, 3/8 NC x 2-3/4 inch, grade 5 (See Figure 5-02)

4шт.

Выбрано товаров: 30