Запчасти Case IH 2090 (5-194) - FRONT AXLE, UNIVERSAL JOINT AND STUB AXLE, MFD TRACTORS (CONTD) (05) - STEERING

Схема запчастей Case IH 2090 - (5-194) - FRONT AXLE, UNIVERSAL JOINT AND STUB AXLE, MFD TRACTORS (CONTD) (05) - STEERING
20
33
2
17
4
30
34
18
28
5
16
22
11
10
31
23
27
24
35
21
36
29
26
9
3
32
12
19
FIT
1:1
100%

Артикул

Название

Примечание

Количество

A156672

SHAFT

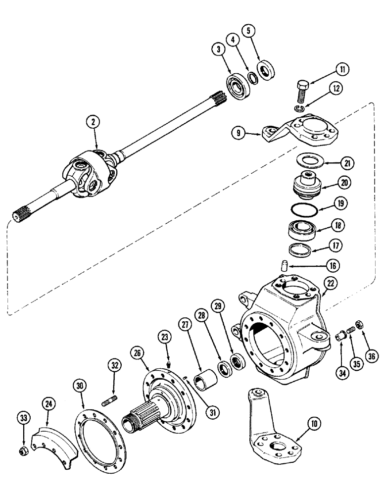
AXLE ASSEMBLY - MFD front, Includes: Ref. 2 - 36, 1 - 32 on Figure 5-188, 2 - 30 on Figure 5-190, 3 - 33 on Figure 5-192 and 2 - 32 on Figure 5-196

1шт.

2

REF

INSTRUCTION

UNIVERSAL JOINT - MFD front axle, See Figure 5-198

2шт.

3

S400372

BEARING ASSY

BEARING - axle housing ball (Carraro no. 26032)

2шт.

4

A48041

CIRCLIP,41.5mm ID x 2.5mm Thk

RING - bearing to housing retaining (Carraro no. 24800)

2шт.

5

A48040

OIL SEAL

- axle housing oil (Carraro no. 25210)

2шт.

9

A48052

ARM

- steering, upper (Carraro no. 107742)

2шт.

10

A48053

ARM

- steering, lower right (Carraro no. 110363)

1шт.

10

A48054

ARM

- steering, lower left (Carraro no. 110360)

1шт.

11

A48165

BOLT

- steering arms, hex, full thread, M20 x 55 mm (Carraro no. 21225)

16шт.

12

892-1120

LOCK WASHER,M20

WASHER - lock, (Carraro no. 22867) M20

16шт.

16

K260249

DOWEL

- steering arms (Carraro no. 88408)

8шт.

17

K956994

PLUG

CUP - axle pivot pin grease (Carraro no. 108541)

4шт.

18

A48046

TAPERED BEARING,110mm OD x 42.25mm

BEARING - axle pivot (Carraro no. 27376)

4шт.

19

S5747

O-RING,0.103" Thk x 3.737" ID, -154, Cl 5, 75 Duro

- bearing pivot pin (Carraro no. 28510)

4шт.

20

A48045

PIN

- axle bearing (Carraro no. 107721)

4шт.

21

A48047

- bearing, 1.00 mm (Carraro no. 107722)

1шт.

21

A48048

SHIM

- bearing, 3.00 mm (Carraro no. 107723)

1шт.

21

A48049

SHIM

- bearing, 5.00 mm (Carraro no. 107724)

1шт.

22

A48050

CAP

- axle housing end, right (Carraro no. 107250)

1шт.

22

A48051

CAP

- axle housing end, left (Carraro no. 107251)

1шт.

23

A48146

BREATHER

- stub axle (Carraro no. 108045)

2шт.

24

A48100

GUARD

SHIELD - breather protective (Carraro no. 107716)

2шт.

26

A48097

SHAFT

AXLE - stub (Carraro no. 107616), Includes: Ref. 27

2шт.

27

A48157

BUSHING

- stub axle (Carraro no. 109979) (Order A156575)

1шт.

28

A48094

OIL SEAL

- stub axle oil (Carraro no. 25355)

2шт.

29

A48095

SEAL

- stub axle dust (Carraro no. 107754)

2шт.

30

A48099

RING

- deflector (Carraro no. 109421)

2шт.

31

A48101

PLUG

- stub axle drain (Carraro no. 97952)

2шт.

32

A48098

STUD

- stub axle to cap (Carraro no. 80576)

24шт.

33

A48147

NUT

- hex lock, M16 (Carraro no. 22418)

24шт.

34

K260154

STOP

- axle (Carraro no. 101040)

4шт.

35

K956931

BOLT

- axle stop (Carraro no. 21520)

4шт.

36

K956932

JAM NUT

- axle stop (Carraro no. 22132)

4шт.

Выбрано товаров: 33