Запчасти Case IH 2090 (5-202) - STEERING TIE RODS, STANDARD AND LONG AXLE WITH 110 INCH (2 794MM) WHEEL BASE (05) - STEERING

Схема запчастей Case IH 2090 - (5-202) - STEERING TIE RODS, STANDARD AND LONG AXLE WITH 110 INCH (2 794MM) WHEEL BASE (05) - STEERING
6
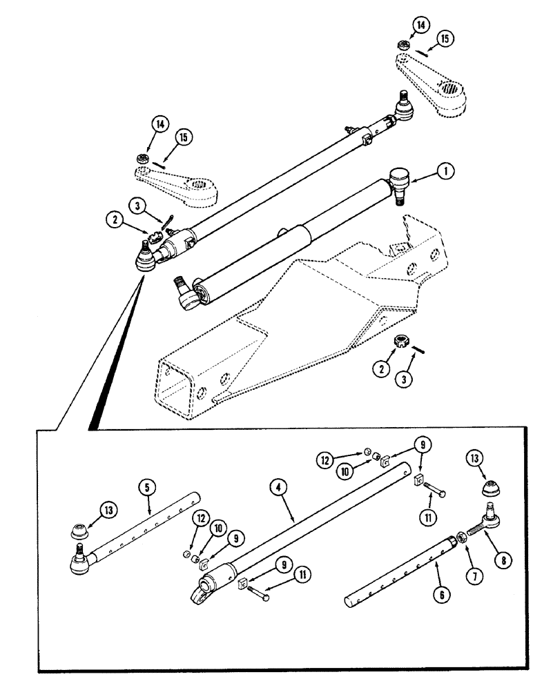
11
3
12
2
10
9
11
14
4
9
9
10
2
13
13
3
1
12
14
15
8
7
5
15
FIT
1:1
100%

Артикул

Название

Примечание

Количество

1

REF

INSTRUCTION

CYLINDER - steering, See Figure 5-172

1шт.

2

25-1314

SLOTTED NUT,7/8"-14, G5

NUT - hex slotted, 7/8 inch NF

2шт.

3

132-337

COTTER PIN,1/8" x 1 3/4"

PIN, SPLIT (COTTER), 1/8" x 1 3/4"

2шт.

4

A149033

TUBE

- tie rod

1шт.

5

A160197

ROD

END - tie rod, right

1шт.

6

A143876

ROD

END - tie rod, left

1шт.

7

F22580

NUT

- tie rod, lock

1шт.

8

A162214

BALL

JOINT - end ball, left

1шт.

9

A43369

CLAMP

- tie rod

4шт.

10

A145846

SPACER

- tie rod clamp, 3/8 x 3/4 x 9/16 inch (10 x 19 x 14 mm)

2шт.

11

26-648

BOLT,Hex, 3/8" - 16 x 3", Gr 8

- hex, 3/8 NC x 3 inch (Grade 8)

2шт.

12

131-52

NUT,3/8"-16, GC

NUT - hex ESNA lock, 3/8 inch

2шт.

13

A160642

COVER

- dust

2шт.

14

129-610

SLOTTED NUT,5/8"-18, G5

2шт.

15

132-49

COTTER PIN,1/8" x 1 1/8"

Pin, Split (Cotter), 1/8" x 1 1/8"

2шт.

Выбрано товаров: 15