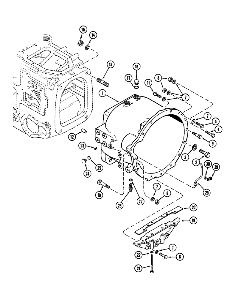
Запчасти Case IH 2090 (6-208) - POWER SHIFT TRANSMISSION, CLUTCH HOUSING (06) - POWER TRAIN

Схема запчастей Case IH 2090 - (6-208) - POWER SHIFT TRANSMISSION, CLUTCH HOUSING (06) - POWER TRAIN
12
2
6
22
20
17
7
8
14
23
7
9
16
15
8
11
7
10
5
29
28
27
30
4
3
19
24
1
7
21
26
13
25
FIT
1:1
100%

Артикул

Название

Примечание

Количество

1

A142019

HOUSING

- clutch

1шт.

Seal To Engine With Gasket Eliminator

1шт.

2

26-1240

BOLT,Hex, 3/4" - 10 x 2-1/2", Gr 8

- hex, 3/4 NC x 2-1/2 inch (Grade 8)

2шт.

3

A34651

LOCK WASHER

- external Shakeproof, 3/4 inch

2шт.

4

26-840

BOLT,Hex, 1/2" - 13 x 2-1/2", Gr 8

- hex, 1/2 NC x 2-1/2 inch (Grade 8)

1шт.

5

26-832

BOLT,Hex, 1/2" - 13 x 2", Gr 8

- hex, 1/2 NC x 2 inch (Grade 8)

1шт.

6

26-826

BOLT,Hex, 1/2" - 13 x 1-5/8", Gr 8

- hex, 1/2 NC x 1-5/8 inch (Grade 8)

1шт.

7

A34650

LOCK WASHER

- external Shakeproof, 1/2 inch

12шт.

8

25-168

NUT,1/2"-13, G5, Hvy

- hex, 1/2 inch NC

3шт.

9

A149765

STEP BOLT

BOLT - dowel, hex, 1/2 NC x 2-7/16 inch

1шт.

10

A149764

STEP BOLT

BOLT - dowel, hex, 1/2 NC x 2-7/16 inch

1шт.

11

166-88

12 PT SCREW,Flg, 1/2" - 13 x 1 3/4", Gr 8

BOLT - ferry head, 1/2 NC x 1-3/4 inch (Grade 8)

2шт.

12

A28269

PIN

- dowel

2шт.

13

A151866

STUD

- 7/8 NF x 4 inch

4шт.

14

193-16

LOCK WASHER,Ext Tooth, 7/8"

WASHER - external Shakeproof, 7/8 inch

4шт.

15

129-129

NUT,7/8"-14, G5

- hex, 7/8 inch NF

4шт.

16

218-5158

PLUG,Hex Hd, 1 1/16"-12 ORB

Assy - (C1) and (C4) pressure inlets, Includes: Ref. 17 Hex Hd, 1 1/16"-12 ORB

2шт.

17

218-5008

O-RING,0.116" Thk x 0.924" ID, -912, Cl 6, 90 Duro

- 3/4 x 59/64 x 7/64 inch (19 x 23 x 3 mm)

1шт.

19

A144906

PLATE

- flywheel housing seal

1шт.

20

A152424

GASKET

- plate (Replaces A76249)

1шт.

21

113-258

BOLT,Hex, 3/8" - 16 x 6", Gr 5

2шт.

22

92-6

LOCK WASHER,3/8"

2шт.

23

221-11

PLUG,Sq Hd, 1/8"-27

- pipe, square head, 1/8 inch

1шт.

24

214389

PLUG,3/4" - 16 ORB

Assy, Includes Ref. 25 Hex Hd, 3/4"-16 ORB

1шт.

25

218-5346

O-RING,0.116" Thk x 0.863" ID, -911, Cl 6, 90 Duro

- 55/64 x 1-3/32 x 7/64 inch (22 x 28 x 3 mm)

1шт.

26

218-674

FITTING,Blkhd, 3/4"-16, 37 Degree x 3/4"-16, 37 Degree

- bulkhead, 1/2 tube x 3/4-16 inch (Lubrication tube)

1шт.

28

A153947

TUBE

- clutch lubrication

1шт.

29

49838

CLAMP

- tube

1шт.

30

R12644

BUSHING

SPACER - clamp

1шт.

27

218-5006

O-RING,0.087" Thk x 0.644" ID, -908, Cl 6, 90 Duro

- 41/64 x 13/16 x 5/64 inch (16 x 21 x 2 mm)

1шт.

Выбрано товаров: 30