Запчасти Case IH 2090 (6-238) - MECHANICAL SHIFT TRANSMISSION, TRANSMISSION HOUSING (06) - POWER TRAIN

Схема запчастей Case IH 2090 - (6-238) - MECHANICAL SHIFT TRANSMISSION, TRANSMISSION HOUSING (06) - POWER TRAIN
16
11
5
8
45
7
26
3
29
13
46
18
10
24
38
22
49
5
36
4
27
23
14
3
17
20
12
50
6
2
26
4
9
21
37
44
25
15
47
43
18
18
48
1
27
19
FIT
1:1
100%

Артикул

Название

Примечание

Количество

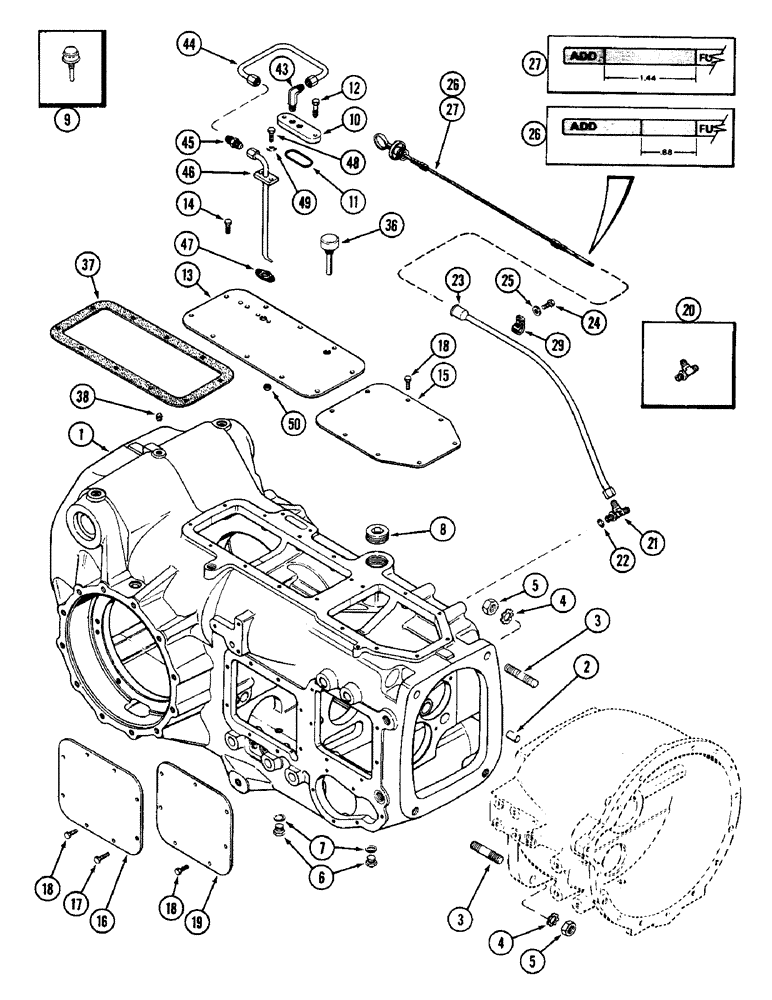
1

A144314

HOUSING

- transmission

1шт.

2

A28269

PIN

- dowel

2шт.

3

A151866

STUD

- 7/8 NF x 4 inch

4шт.

4

193-16

LOCK WASHER,Ext Tooth, 7/8"

WASHER - external Shakeproof, 7/8 inch

4шт.

5

129-129

NUT,7/8"-14, G5

- 7/8 inch NF

4шт.

6

A140222

PLUG

- drain

2шт.

7

A58608

GASKET

- plug

2шт.

8

221-97

DRAIN PLUG,Sq Soc, 2"-11 1/2, NTPF

PLUG - square socket head, 2 inch PT

1шт.

9

REF

INSTRUCTION

BREATHER - transmission case (Order A154691, A144226 and 221-4012)

1шт.

10

A157626

PLATE

COVER - charge pump outlet (Replaces A144463)

1шт.

11

A28318

O-RING,0.139" Thk x 2.484" ID, -230, Cl 5, 75 Duro

- 2-1/2 x 2-3/4 x 1/8 inch (63 x 61 x 3 mm)

1шт.

12

113-207

BOLT,Hex, 3/8" - 16 x 1", Gr 5

2шт.

13

A157223

PLATE

COVER - transmission top, rear (Replaces A144227)

1шт.

14

113-2225

BOLT,Hex, 3/8" - 16 x 1-3/8", Gr 5

4шт.

15

A140989

COVER

- transmisison top, front

1шт.

16

A144538

COVER

- transmission side

1шт.

17

113-208

BOLT,Hex, 3/8" - 16 x 1-1/4", Gr 5

3шт.

18

113-207

BOLT,Hex, 3/8" - 16 x 1", Gr 5

23шт.

19

A140915

COVER

- transmission range side

1шт.

20

A151314

FITTING

CONNECTOR - 3 way (Prior to transmission serial no. 10211449)

1шт.

21

A161146

FITTING

CONNECTOR - 4 way (Transmission serial no. 10211449 and after)

1шт.

22

218-5008

O-RING,0.116" Thk x 0.924" ID, -912, Cl 6, 90 Duro

- 59/64 x 3/4 x 7/64 inch (23 x 19 x 3 mm)

1шт.

23

A144056

TUBE

- dipstick

1шт.

24

113-206

BOLT,Hex, 3/8" - 16 x 3/4", Gr 5, Full Thd

1шт.

25

195-525

WASHER,3/8", SAE

- 13/32 x 13/16 x 1/16 inch (10 x 21 x 2 mm)

1шт.

26

A154744

DIPSTICK

- transmission oil, 27.68 inch long (Prior to transmission serial no. 10204527) (Painted green)

1шт.

27

A144055

DIPSTICK

- transmission oil, 29.02 inch long (Transmission serial no. 10204527 and after)

1шт.

29

49838

CLAMP

CLIP - dipstick tube

1шт.

36

A154691

BREATHER

- transmission oil

1шт.

37

A144226

GASKET

- cover

1шт.

38

221-1012

DRAIN PLUG,Sq Hd, 1/4"-18 NPTF

PLUG - square head, 1/4 inch PT (In old breather hole)

1шт.

43

218-1084

ELBOW,90 Degree, 3/4"-16, 37 Degree x 1/2"-12 NPTF, XLG

- 90 degree (Transmission serial no. 16208654 and after)

1шт.

44

A165325

PIPE

TUBE - spiral bevel supply (Transmission serial no. 16208654 and after)

1шт.

45

A160216

FITTING

VALVE - check, lube tube (Transmission serial no. 16208654 and after)

1шт.

46

A165324

PIPE

TUBE - spiral bevel lube (Transmission serial no. 16208654 and after)

1шт.

47

A38212

GASKET

- lube tube (Transmission serial no. 16208654 and after)

1шт.

48

13-516

BOLT,Hex, 5/16" - 18 x 1", Gr 5

(Transmission S/N 16208654 and after) Hex, 5/16"-18 x 1", G5, Full Thd

2шт.

49

92-5

LOCK WASHER,5/16"

(Transmission serial no. 16208654 and after) 5/16"

2шт.

50

9635082

NUT,5/16" - 18, Gr 5

- hex, 5/16 inch NC (Transmission serial no. 16208654 and after)

2шт.

Выбрано товаров: 39