Запчасти Case IH 2090 (6-240) - TRANSMISSION COVERS AND HARDWARE, TRACTORS WITHOUT HITCH (06) - POWER TRAIN

Схема запчастей Case IH 2090 - (6-240) - TRANSMISSION COVERS AND HARDWARE, TRACTORS WITHOUT HITCH (06) - POWER TRAIN
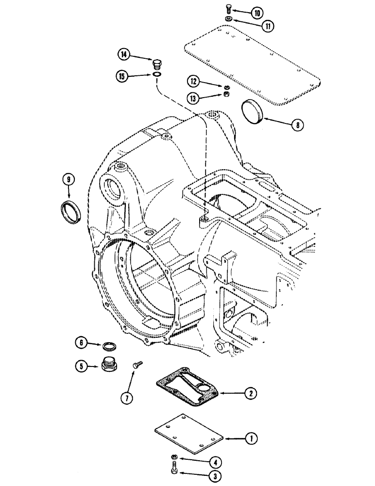
12
9
4
10
1
3
15
6
2
14
8
13
7
11
5
FIT
1:1
100%

Артикул

Название

Примечание

Количество

1

A162800

PLATE

COVER - manifold opening (Replaces A141724)

1шт.

2

A64014

GASKET

- cover

1шт.

3

113-208

BOLT,Hex, 3/8" - 16 x 1-1/4", Gr 5

5шт.

4

192-21

LOCK WASHER,3/8"

WASHER, LOCK, 3/8"

5шт.

5

A63498

PLUG

- sensing lever opening

1шт.

6

A63447

GASKET

- plug

1шт.

7

113-2247

PREV TORQUE BOLT,Locking, 3/8"-16 x 1", G5, Full Thd

BOLT - hex lock, 3/8 x 1 inch (Bracket holes)

2шт.

8

41-1058

PLUG,Cup, 3 5/8"

- cup, 3-5/8 inch diameter (92 mm) (Right opening for rockshaft)

1шт.

9

41-1054

PLUG,Cup, 3 3/8"

- cup, 3-3/8 inch diameter (86 mm) (Left opening for rockshaft)

1шт.

10

113-207

BOLT,Hex, 3/8" - 16 x 1", Gr 5

(In top cover) Hex, 3/8"-16 x 1", G5, Full Thd

2шт.

11

195-1021

WASHER

- 25/64 x 7/8 x 1/16 inch brass (10 x 22 x 2 mm)

2шт.

12

192-21

LOCK WASHER,3/8"

WASHER, LOCK, 3/8"

2шт.

13

129-103

NUT,Hex, 3/8" - 16, Gr 5

NUT, 3/8"-16, G5

2шт.

14

86512512

PLUG,7/8" - 14 ORB

Assy, Incl. Ref. 15 Hex Hd, 7/8"-14 ORB

1шт.

15

237-6010

O-RING,0.097" Thk x 0.755" ID, -910, Cl 6, 90 Duro

- 3/4 x 61/64 x 3/32 inch (19 x 24 x 2 mm)

1шт.

Выбрано товаров: 15