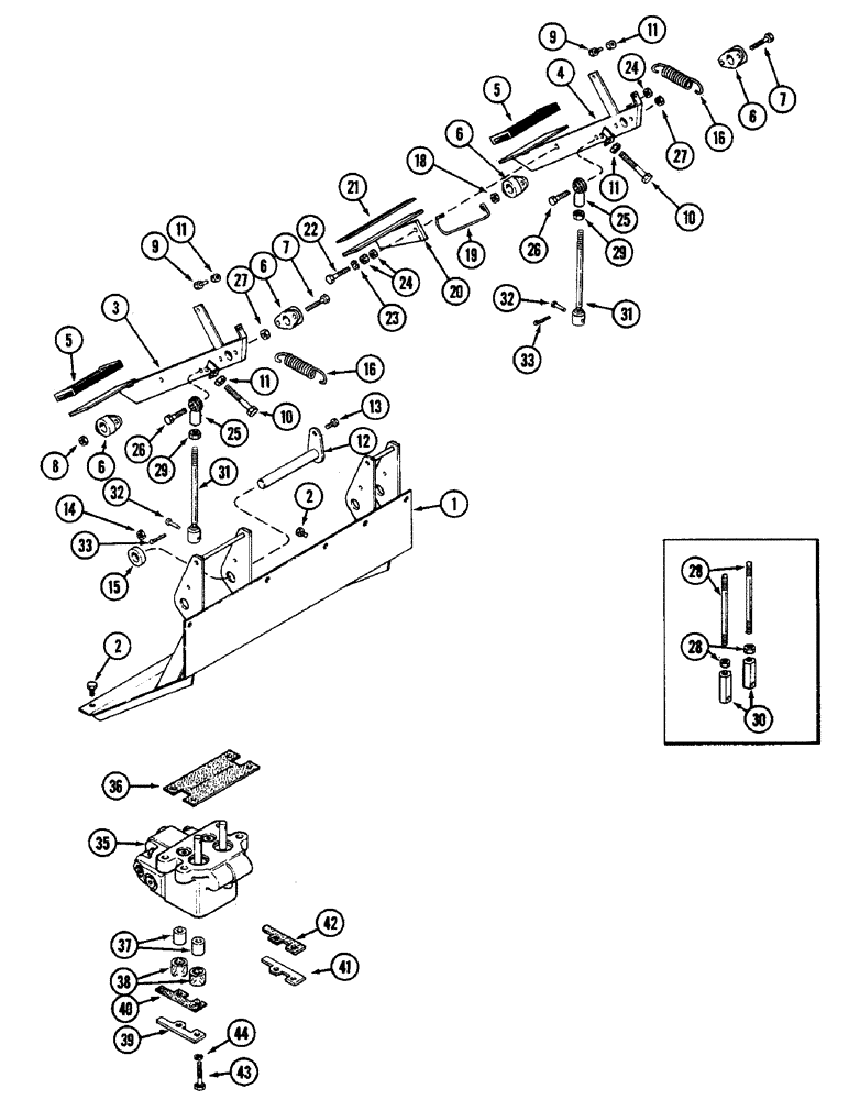
Запчасти Case IH 2090 (7-324) - BRAKE PEDALS AND VALVE (07) - BRAKES

Схема запчастей Case IH 2090 - (7-324) - BRAKE PEDALS AND VALVE (07) - BRAKES
29
14
26
24
32
29
37
33
7
6
19
25
22
41
26
35
24
44
30
20
28
11
10
3
33
6
31
5
27
28
9
10
39
7
6
38
42
23
32
15
16
11
13
11
27
16
12
5
18
6
31
11
43
9
4
8
21
40
2
2
25
1
36
FIT
1:1
100%

Артикул

Название

Примечание

Количество

1

A143559

BRACKET

COVER - brake and clutch

1шт.

2

113-205

BOLT,Hex, 3/8" - 16 x 5/8", Gr 5

8шт.

2

187-1332

SELF-TAP SCREW,Hex Washer, 3/8" - 16 x 5/8"

BOLT - hex special, 3/8 NC x 5/8 inch (If equipped)

8шт.

3

A147562

PEDAL

- brake, right

1шт.

4

A147563

PEDAL

- brake, left

1шт.

5

F9197

PAD

TREAD - nonskid, pedal

2шт.

6

A77310

SUPPORT,0.754" ID x 1.375" OD x 0.81"

- pedal

4шт.

7

113-122

BOLT,Hex, 5/16" - 18 x 1-1/2", Gr 5

4шт.

8

131-1281

LOCK NUT,Jam, 5/16"-18

NUT - hex lock, 5/16 inch NC

4шт.

9

113-113

BOLT,Hex, 5/16" - 18 x 7/8", Gr 5

(Upper stop) Hex, 5/16"-18 x 7/8", G5, Full Thd

2шт.

10

113-119

BOLT,Hex, 5/16" - 18 x 2-3/4", Gr 5

(Lower stop) Hex, 5/16"-18 x 2 3/4", G5

2шт.

11

425-145

JAM NUT,Jam, 5/16"-18, G5

4шт.

12

A59452

SHAFT

- pedal pivot

1шт.

13

113-113

BOLT,Hex, 5/16" - 18 x 7/8", Gr 5

1шт.

14

425-145

JAM NUT,Jam, 5/16"-18, G5

8шт.

15

A149212

BUSHING

SPACER - pedal bearings

1шт.

16

A160874

SPRING

- pedal return (Replaces A147565)

2шт.

18

195-521

WASHER,5/16", SAE

- 11/32 x 11/16 x 1/16 inch (9 x 17 x 2 mm)

4шт.

19

A147975

SPRING

- brake interlock pedal

1шт.

20

A147500

PEDAL

- interlock

1шт.

21

A143553

TREAD

- nonskid, pedal

1шт.

22

113-235

BOLT,Hex, 3/8" - 16 x 1-3/4", Gr 5, Full Thd

1шт.

23

A10454

WAVE WASHER

- spring, interlock pedal

1шт.

24

129-103

NUT,Hex, 3/8" - 16, Gr 5

NUT, 3/8"-16, G5

3шт.

25

A32398

BALL JOINT

ROD END - female, 3/8 inch (10 mm) (Replaces A67310)

2шт.

26

113-209

BOLT,Hex, 3/8" - 16 x 1-1/2", Gr 5

2шт.

27

87016560

JAM NUT,Jam, 3/8"-16, G5

2шт.

28

A67314

ROD

- brake (Order Ref. 31)

2шт.

29

129-123

NUT,3/8"-24, G5

4шт.

30

A67315

CONNECTOR, ELEC

CONNECTOR - brake rod to valve (Order Ref. 31)

2шт.

31

A160653

ROD

ASSEMBLY - brake (Replaces A67314 and A67315)

2шт.

32

A67313

PIN

- clevis, brake connector

2шт.

33

132-329

COTTER PIN,1/16" x 3/4"

1/16" x 3/4"

2шт.

35

REF

INSTRUCTION

VALVE - brake, See Figure 7-330

1шт.

36

A143549

GASKET

- valve to cab platform

1шт.

37

A143554

BUSHING

SPACER - valve to cab platform

4шт.

38

A149954

GASKET

- rubber, valve spacer

4шт.

39

A149944

PLATE

ASSEMBLY - valve retaining, right, Includes: Ref. 40

1шт.

40

A149943

GASKET

- brake valve spacer

1шт.

41

A149946

PLATE

ASSEMBLY - valve retaining, left, Includes: Ref. 42

1шт.

42

A149945

GASKET

- brake valve spacer

1шт.

43

113-219

BOLT,Hex, 3/8" - 16 x 2", Gr 5

4шт.

44

192-21

LOCK WASHER,3/8"

WASHER, LOCK, 3/8"

4шт.

Выбрано товаров: 0