Запчасти Case IH 2090 (7-340) - G105178 POWER BRAKE VALVE (CONTD) (07) - BRAKES

Схема запчастей Case IH 2090 - (7-340) - G105178 POWER BRAKE VALVE (CONTD) (07) - BRAKES
21
8
33
7
17
30
25
34
23
11
14
15
36
6
28
39
24
10
13
17
37
3
27
16
38
1
31
5
12
2
16
40
9
26
32
35
FIT
1:1
100%

Артикул

Название

Примечание

Количество

1

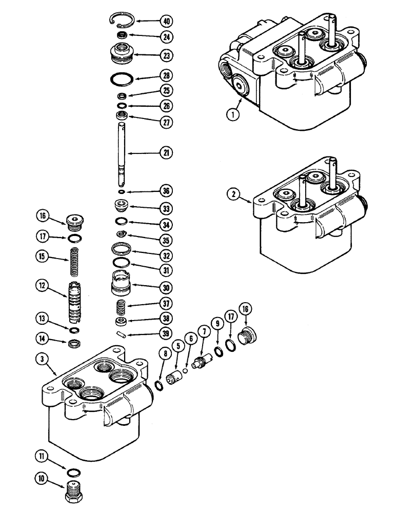
G105178

VALVE

ASSEMBLY - power brake (Replaces G103198) (Tractor P.I.N. 9916383 and after), Includes: Ref. 2 - 40, 2 - 51 on Figure 7-336 and 53 - 67 on Figure 7-338

1шт.

2

G103199

VALVE

ASSEMBLY - master cylinder, Includes: Ref. 3 - 40

1шт.

3

G103200

BODY

- valve

1шт.

G101156

VALVE

ASSEMBLY - check differential lock, Includes: Ref. 5 - 9

1шт.

5

G101069

SEAT

- differential lock

1шт.

6

211-257

BALL,1/4" Dia

(6 mm) 1/4" Dia

1шт.

7

G101068

RETAINER

- ball, differential lock

1шт.

8

A8613

O-RING,0.426" ID x 0.566" OD

- retainer (Order N8538)

1шт.

9

D26872

O-RING

- valve (Order A18414)

1шт.

10

A59948

PLUG

- reducer

2шт.

12

G102283

SPOOL

ASSEMBLY - boost, Includes: Ref. 13 & 14

2шт.

13

A28090

O-RING,0.301" ID x 0.441" OD x 0.07"

-011, 70 Duro, .301" ID x .070" Thk

1шт.

14

A59951

RING

- sealing, 9/16 x 41/64 x 1/16 inch (14 x 16 x 2 mm)

1шт.

15

A59950

SPRING

- boost spool, 7/16 OD x 1-3/4 inch free length (11 x 44 mm)

2шт.

16

71100209

PLUG,Hex Soc, 3/4"-16 ORB

Assy, Incl Ref 17 Hex Soc, 3/4"-16 ORB

3шт.

G101064

PISTON

AND SEAL ASSEMBLY - master cylinder (Order components), Includes: Ref. 21 - 39

2шт.

21

G101059

PIN,9.53mm OD x 110.62mm L

- piston

1шт.

G101063

STOP

ASSSEMBLY - piston, Includes: Ref. 23 - 28

1шт.

23

NSS

NOT SOLD SEPARAT

STOP - piston

1шт.

24

G101066

SEAL,9.52mm ID x 14.45mm OD x 2.74mm Thk

- brake

1шт.

25

G101070

RING

- backup, 27/64 x 15/32 x 3/64 inch (11 x 12 x 1 mm)

1шт.

26

A30825

O-RING,0.364" ID x 0.504" OD x 0.07"

- 3/8 x 1/2 x 1/16 inch (10 x 13 x 2 mm) (Order N8539)

1шт.

27

G101065

SEAL RETAINER

- retainer

1шт.

28

G106482

O-RING,0.07" Thk x 1.176" ID, -25, Cl 6, 90 Duro

- piston

1шт.

G101062

PISTON

ASSEMBLY - brake, Include: Ref. 30 - 32

1шт.

30

NSS

NOT SOLD SEPARAT

PISTON - brake (Reference no. G103500)

1шт.

31

A15888

O-RING,0.801" ID x 0.941" OD x 0.07"

- 13/16 x 15/16 x 1/16 inch (21 x 24 x 2 mm)

1шт.

32

G101302

RING

- seal, 1-1/16 x 1-9/64 x 5/64 inch (27 x 29 x 2 mm)

1шт.

33

G101060

WASHER

- seal

1шт.

34

G102845

O-RING,0.07" Thk x 0.489" ID, -14, Cl 6, 90 Duro

- 9/16 x 11/16 x 1/16 inch (14 x 17 x 2 mm)

1шт.

35

G10659

SNAP RING,#31, Ext

Ring, Snap, #31, Ext

1шт.

36

A27880

O-RING,0.07" Thk x 0.18" ID, -8, Cl 5, 75 Duro

- 3/16 x 5/16 x 1/16 inch (5 x 8 x 2 mm)

1шт.

37

G101303

SPRING

- piston return, 27/64 OD x 39/64 inch free length (11 x 16 mm)

1шт.

38

G101067

RETAINER

- spring

1шт.

39

G101304

PIN

- spring retainer

1шт.

40

A32181

SNAP RING,1.375", Int, #137

Ring, Snap, , piston ring 1.375", Int, #137

2шт.

11

218-5006

O-RING,0.087" Thk x 0.644" ID, -908, Cl 6, 90 Duro

- 41/64 x 13/16 x 3/32 inch (16 x 21 x 2 mm)

2шт.

17

218-5006

O-RING,0.087" Thk x 0.644" ID, -908, Cl 6, 90 Duro

- 41/64 x 13/16 x 3/32 inch (16 x 21 x 2 mm)

1шт.

Выбрано товаров: 38