Запчасти Case IH 2090 (8-374) - HYDRAULICS, GEAR AND PISTON PUMP ASSEMBLY, PRIOR TO TRANSMISSION SERIAL NUMBER 16210895 (CONTD) (08) - HYDRAULICS

Схема запчастей Case IH 2090 - (8-374) - HYDRAULICS, GEAR AND PISTON PUMP ASSEMBLY, PRIOR TO TRANSMISSION SERIAL NUMBER 16210895 (CONTD) (08) - HYDRAULICS
7
12
18
10
26
30
25
27
8
5
13
19
17
6
28
15
14
1
3
9
29
2
FIT
1:1
100%

Артикул

Название

Примечание

Количество

A163166

PUMP

ASSEMBLY - complete, hydraulic (Transmission serial no. 10265818 through 16210894), Includes: Ref. 1 - 30, 2 - 25 on Figure 8-372, 31 - 59 on Figure 8-376, 1 - 41 on Figure 8-378 and 1 - 22 on Figure 8-380

1шт.

1346425C1

REMAN-HYD PUMP

2090 PRIOR TO TRANSMISSION SERIAL NUMBER 16210895, Hydraulic Transmission Serial no. 10265818 though 16210894 (1/79-12/83), Reman for New PN A163166

1шт.

1346426C1

CORE-HYDRAULIC PUMP

Return Number

1шт.

A160318

PUMP

ASSEMBLY - gear and piston (Prior to transmission serial no. 10265818) (Order A163166), Includes: Ref. 1 - 30, 2 - 25 on Figure 8-372, 31 - 59 on Figure 8-376, 1 - 41 on Figure 8-378 and 1 - 22 on Figure 8-380

1шт.

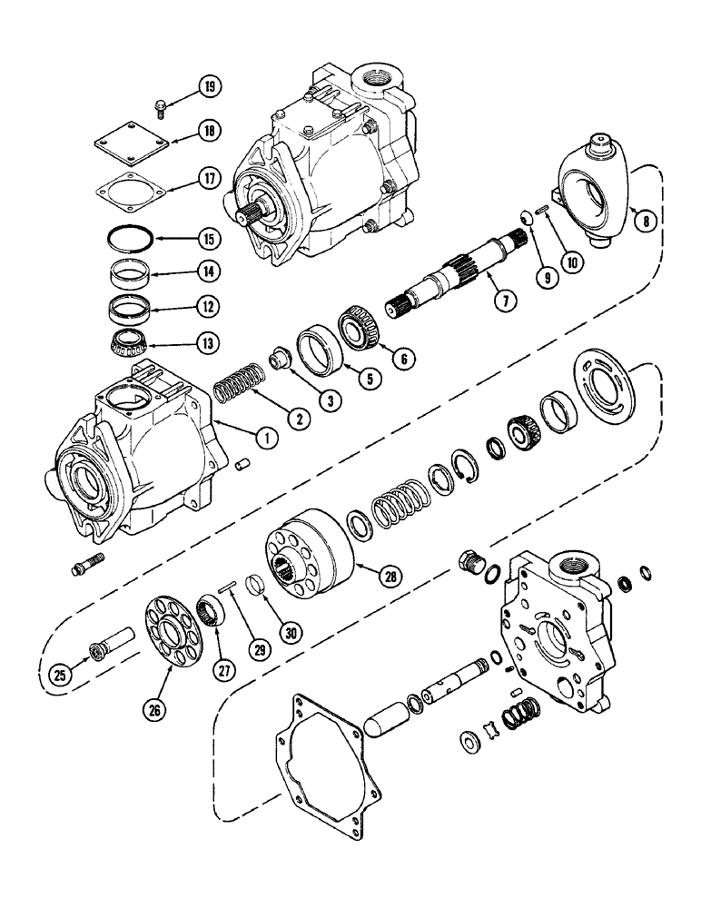
1

A47278

HOUSING

- piston pump

1шт.

2

A47281

SPRING

- housing

1шт.

3

A47282

PLUG

SEAT - spring

1шт.

5

D59595

TAPERED BEARING

CUP - bearing

1шт.

6

A31272

ROLLER BEARING,1" ID x 0.8125"

CONE - bearing, 1 inch ID (25 mm)

1шт.

7

A47289

SHAFT

- drive, piston pump

1шт.

8

A47284

YOKE

- swing

1шт.

9

A47283

SEAT

- spherical

1шт.

10

138-88

LOCK PIN,3/16" x 1/2", Slotted

PIN, 3/16" x 1/2", Slotted

1шт.

12

D29267

BEARING CUP,1.98" OD x 0.42"

CUP - bearing, 1-63/64 inch OD (50 mm)

1шт.

13

D53168

TAPERED BEARING

CONE - bearing

1шт.

14

A47286

SPACER

- yoke bearing

2шт.

15

S5730

O-RING,0.103" Thk x 2.05" ID, -137, Cl 5, 75 Duro

- cover

2шт.

A47287

KIT

- yoke bearing shim, Includes: Ref. 17

1шт.

17

NSS

NOT SOLD SEPARAT

SHIM - 0.003 inch (0.076 mm) (3 in kit)

1шт.

17

NSS

NOT SOLD SEPARAT

SHIM - 0.005 inch (0.127 mm) (2 in kit)

1шт.

17

NSS

NOT SOLD SEPARAT

SHIM - 0.010 inch (0.254 mm) (2 in kit)

1шт.

18

A47288

COVER

- housing

2шт.

19

121-3

SERRATED BOLT,Hex, 1/4" - 20 x 1/2", Gr 5

8шт.

25

A47334

PACKAGE

KIT - piston, Includes: 9 pistons and 9 shoes

1шт.

26

A47292

PLATE

- piston pump shoe

1шт.

27

A47293

WASHER

- spherical

1шт.

28

A47295

BLOCK

- cylinder

1шт.

29

A47296

PIN

- cylinder block

3шт.

30

A47297

SNAP RING,7.11mm Thk, Int

- pin

1шт.

A47567

KIT

- seal and gasket, complete pump, See Figure 8-372

1шт.

Выбрано товаров: 30