Запчасти Case IH 2090 (8-392) - REMOTE HYDRAULICS, CONTROL LINKAGE, ONE CIRCUIT SYSTEM (08) - HYDRAULICS

Схема запчастей Case IH 2090 - (8-392) - REMOTE HYDRAULICS, CONTROL LINKAGE, ONE CIRCUIT SYSTEM (08) - HYDRAULICS
13
9
21
14
17
33
35
34
11
10
2
5
1
26
16
22
32
15
12
27
8
4
13
17
3
6
20
7
9
25
31
30
FIT
1:1
100%

Артикул

Название

Примечание

Количество

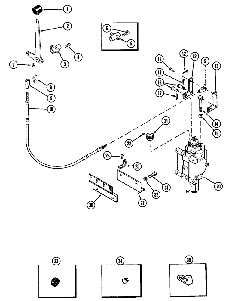
1

A139945

KNOB

- hand lever

1шт.

2

A141393

LEVER

- hand

1шт.

3

A160500

BUSHING,15.95mm ID x 25.4mm OD x 55.37mm L

BEARING - lever (Replaces A141371)

1шт.

4

113-3

BOLT,Hex, 1/4" - 20 x 3/4", Gr 5

(Used with A160500 bearing) Hex, 1/4"-20 x 3/4", G5, Full Thd

2шт.

5

A141371

BEARING

- pivot, hand lever (Order A160500)

1шт.

6

113-2

BOLT,Hex, 1/4" - 20 x 5/8", Gr 5

(Used with A141371 bearing) Hex, 1/4"-20 x 5/8", G5, Full Thd

2шт.

7

113-1180

NUT - hex lock, 1/4 inch NC

2шт.

8

A149683

PIN

- yoke, spring

1шт.

9

213-1

ADJUSTABLE CLEVIS,#10-32

YOKE - cable (Replaces A141286)

2шт.

10

A141402

CABLE

- control, lever to valve, 57"

1шт.

11

A67313

PIN

- bellcrank

2шт.

12

132-329

COTTER PIN,1/16" x 3/4"

1/16" x 3/4"

2шт.

13

A145598

LEVER

- bellcrank

2шт.

14

A145597

EYE

- bellcrank pivot

1шт.

15

25-146

JAM NUT,Jam, 3/8"-16, G5

- hex jam, 3/8 inch NC

1шт.

16

141-54

CLEVIS PIN,3/8" x 1 1/16"

2шт.

17

132-320

COTTER PIN,3/32" x 3/4"

PIN, SPLIT (COTTER), 3/32" x 3/4"

2шт.

20

REF

INSTRUCTION

VALVE ASSEMBLY - remote, single section, See Figure 8-430

1шт.

21

A160814

KNOB

- flow control (Replaces A145805)

1шт.

22

178-1108

SET SCREW,Hex Soc, #10-32 x 5/8"

SCREW - socket head cone point, no. 10-32 x 5/8 inch

1шт.

25

A64179

INDEX

- flow control knob

1шт.

26

187-1037

SELF-TAP SCREW,Slotted Pan Hd, #8 x 3/8"

SCREW - round head self tapping, no. 8 x 3/8 inch

2шт.

27

A145804

BRACKET

- index support

1шт.

30

A145021

PLATE

- anchor, control cable

1шт.

31

113-208

BOLT,Hex, 3/8" - 16 x 1-1/4", Gr 5

2шт.

32

95-6

WASHER,3/8"

- 7/16 x 1 x 5/64 inch

2шт.

33

A141389

GROMMET

- cable (In cab floor)

1шт.

34

A67295

PLUG

- cable retaining, 9/16 inch diameter head (14 mm)

1шт.

34

A162961

PLUG

- cable retaining, 3/4 inch diameter head (19 mm)

1шт.

35

A141542

LEVER

TAB - float lock-out (In console cover)

1шт.

Выбрано товаров: 30