Запчасти Case IH 2090 (2-16) - INTAKE AND EXHAUST MANIFOLD, 504BD DIESEL ENGINE (02) - ENGINE

Схема запчастей Case IH 2090 - (2-16) - INTAKE AND EXHAUST MANIFOLD, 504BD DIESEL ENGINE (02) - ENGINE
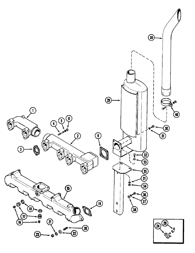
9
19
5
33
37
6
39
1
31
24
2
17
32
29
36
31
22
35
38
3
40
34
4
16
15
26
30
18
20
21
23
FIT
1:1
100%

Артикул

Название

Примечание

Количество

1

A138481

MANIFOLD

- exhaust, rear section

1шт.

2

A67359

MANIFOLD

exhaust, front section

1шт.

3

A58666

MANIFOLD GASKET

-, Serial Range: manifold-head

6шт.

4

A140924

STUD

- manifold to head, 3/8 x 2-5/8"

12шт.

5

192-21

LOCK WASHER,3/8"

WASHER, LOCK, 3/8"

12шт.

6

131-903

NUT,3/8"-16

NUT - hex Seez-Pruf, 3/8 inch NC

12шт.

9

L14218

MANIFOLD GASKET

-, Serial Range: muffler-manifold

1шт.

15

A154446

MANIFOLD

ASSEMBLY - intake (Replaces A66099), Includes: Ref. 16 - 18

1шт.

Plugged on the end where the 3" hole is. If lookung for manifold where the hole is open - part number is A154447.

1шт.

16

221-1849

PLUG

- socket head, 1/8 inch PT, intake manifold

1шт.

17

L10283

PLUG

- heater hole, intake manifold

2шт.

18

A20916

MANIFOLD GASKET

GASKET - plug, intake manifold

2шт.

19

A58662

MANIFOLD GASKET

- manifold to head, intake

6шт.

20

A59077

STUD

- manifold to head, 3/8 NC x 1-13/16 inch, intake

12шт.

21

192-21

LOCK WASHER,3/8"

WASHER, LOCK, , Intake manifold 3/8"

12шт.

22

195-525

WASHER,3/8", SAE

- 13/32 x 13/16 x 1/16 inch (10 x 21 x 2 mm), intake manifold

12шт.

23

25-166

NUT,3/8"-16, G5, Hvy

- hex, 3/8 inch NC, intake manifold

12шт.

24

A154782

SWITCH

- air restriction indicator (Replaces A137280), intake manifold

1шт.

26

221-1401

ELBOW,45º, 1/8"-27, NPT

- 45 degree, 1/8 inch PT, intake manifold

1шт.

29

A160176

MUFFLER

- exhaust, vertical type

1шт.

30

113-207

BOLT,Hex, 3/8" - 16 x 1", Gr 5

Vertical type muffler Hex, 3/8"-16 x 1", G5, Full Thd

4шт.

31

192-21

LOCK WASHER,3/8"

WASHER, LOCK, , Vertical type muffler 3/8"

6шт.

32

113-208

BOLT,Hex, 3/8" - 16 x 1-1/4", Gr 5

Vertical type muffler Hex, 3/8"-16 x 1 1/4", G5, Full Thd

2шт.

33

195-525

WASHER,3/8", SAE

- 13/32 x 13/16 x 1/16 inch (10 x 21 x 2 mm), vertical type muffler

4шт.

34

129-103

NUT,Hex, 3/8" - 16, Gr 5

NUT, , Vertical type muffler 3/8"-16, G5

2шт.

35

A143531

SUPPORT

- muffler, vertical type

1шт.

36

113-424

BOLT,Hex, 1/2" - 13 x 1", Gr 5, Full Thd

Vertical type muffler Hex, 1/2"-13 x 1", G5, Full Thd

2шт.

37

192-23

LOCK WASHER,1/2"

WASHER, LOCK, , Vertical type muffler 1/2"

2шт.

38

195-106

WASHER,1/2"

- 9/16 x 1-3/8 x 7/64 inch (14 x 35 x 3 mm), vertical type muffler

2шт.

39

A143234

CABLE EXTENSION

EXTENSION - exhaust pipe, vertical type muffler

1шт.

40

A147114

CLAMP

ASSEMBLY - extension, Includes: bolt, nut and lock washer, vertical type muffler

1шт.

A161210

CAP

rain for export only

1шт.

Выбрано товаров: 32