Запчасти Case IH 2090 (8-454) - REMOTE HYDRAULICS, REMOTE CYLINDER, HOSES AND COUPLINGS (08) - HYDRAULICS

Схема запчастей Case IH 2090 - (8-454) - REMOTE HYDRAULICS, REMOTE CYLINDER, HOSES AND COUPLINGS (08) - HYDRAULICS
3
22
2
31
2
32
8
4
23
4
33
24
9
30
25
20
14
5
21
5
3
15
10
11
FIT
1:1
100%

Артикул

Название

Примечание

Количество

REF

INSTRUCTION

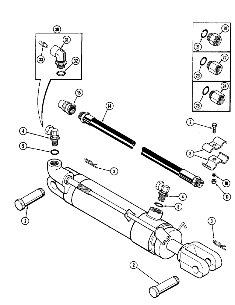
CYLINDER - hydraulic, See Figure 8-458

1шт.

2

A27347

PIN

- cylinder retaining

2шт.

3

A29054

HAIR PIN COTTER

- internal hair

2шт.

4

218-5201

90 ELBOW,90 Degree, 7/8"-14 O-Ring x 1/2" NPSM Fem

ASSEMBLY - 90 degree, Includes: Ref. 5

2шт.

5

237-6010

O-RING,0.097" Thk x 0.755" ID, -910, Cl 6, 90 Duro

- 3/4 x 27/32 x 3/32 inch (19 x 21 x 2 mm)

1шт.

8

A27440

CLAMP

- hose

2шт.

9

113-102

BOLT,Hex, 5/16" - 18 x 3/4", Gr 5

Hex, 5/16"-18 x 3/4", G5, Full Thd

1шт.

10

92-5

LOCK WASHER,5/16"

1шт.

11

9635082

NUT,5/16" - 18, Gr 5

1шт.

14

A135006

HYDRAULIC HOSE,0.50" ID x 106.00", SAE 100R1 per SAE 100 R1

0.50" ID x 106.00", SAE 100R1 per SAE 100 R1

1шт.

14

A135007

HYDRAULIC HOSE,0.50" ID x 118.00", SAE 100R1 per SAE 100 R1

0.50" ID x 118.00", SAE 100R1 per SAE 100 R1

1шт.

15

REF

INSTRUCTION

COUPLING - male, See Figure 8-456

1шт.

A135687

ADAPTER

KIT - coupling (J I Case Implement hose), hydraulic, Includes: Ref. 20 & 21

1шт.

20

NSS

NOT SOLD SEPARAT

ADAPTER - 7/8-14 male x 7/8-18 inch female (Reference no. A135005), hydraulic hose

1шт.

21

237-6010

O-RING,0.097" Thk x 0.755" ID, -910, Cl 6, 90 Duro

- 3/4 x 27/32 x 3/32 inch (19 x 21 x 2 mm), hydraulic hose adapters

1шт.

A135688

ADAPTER

KIT - coupling (John Deere Implement hose), hydraulic, Includes: Ref. 22 & 23

1шт.

22

NSS

NOT SOLD SEPARAT

ADAPTER - 7/8-14 male x 3/4-16 inch female (Reference no. A135673), hydraulic hose

1шт.

23

237-6010

O-RING,0.097" Thk x 0.755" ID, -910, Cl 6, 90 Duro

- 3/4 x 27/32 x 3/32 inch (19 x 21 x 2 mm), hydraulic hose adapters

1шт.

24

218-5095

ADAPTER,7/8" - 14 ORB x 1/2" NPT

ASSEMBLY - coupling, 7/8-14 male x 1/2 inch PT female (International Harvester Implement hoses), hydraulic

1шт.

25

237-6010

O-RING,0.097" Thk x 0.755" ID, -910, Cl 6, 90 Duro

- 3/4 x 27/32 x 3/32 inch (19 x 1 x 2 mm), hydraulic hose adapters

1шт.

30

A65953

HYDRAULIC VALVE

ATTACHMENT - cylinder return flow regulator (Order A56954), Includes: Ref. 31 - 33

1шт.

31

A65955

ELBOW,90 Degree, 7/8"-14" O-Ring x 1/2" NPT Fem

ASSEMBLY - 90 degree, cylinder return flow regulator, Includes: Ref. 32

1шт.

32

237-6010

O-RING,0.097" Thk x 0.755" ID, -910, Cl 6, 90 Duro

- 3/4 x 27/32 x 3/32 inch (19 x 21 x 2 mm), cylinder return flow regulator

1шт.

33

A57369

SPOOL

- regulator, cylinder return flow

1шт.

Выбрано товаров: 24