Запчасти Case IH 2090 (8-466) - HITCH ROCKSHAFT AND PISTON, TRANSMISSION SERIAL NUMBER 10132155 AND AFTER (08) - HYDRAULICS

Схема запчастей Case IH 2090 - (8-466) - HITCH ROCKSHAFT AND PISTON, TRANSMISSION SERIAL NUMBER 10132155 AND AFTER (08) - HYDRAULICS
17
29
22
38
44
3
9
22
27
48
12
50
7
4
28
5
24
49
36
13
19
30
1
35
46
39
21
18
47
2
10
6
20
41
37
14
25
45
8
40
18
26
50
23
11
17
FIT
1:1
100%

Артикул

Название

Примечание

Количество

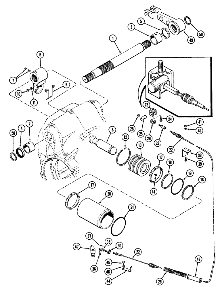
1

A160733

ROCKSHAFT

- lift arm, hitch

1шт.

2

A141198

BUSHING,60.47mm ID x 65.24mm OD x 50.93mm L

- right hand, 2-3/8 x 2-9/16 x 2 inch (50 x 65 x 51 mm)

1шт.

3

A141199

BUSHING,70mm ID x 74.8mm OD x 51mm L

- left hand, 2-3/4 x 2-15/16 x 2 inch (70 x 75 x 51 mm)

1шт.

4

A32304

OIL SEAL,60.33mm ID x 85.8mm OD x 11.91mm Thk

- oil, right hand, 2-3/8 x 3-3/8 x 15/32 inch (50 x 86 x 11 mm)

1шт.

5

A32305

OIL SEAL,69.85mm ID x 92.2mm OD x 11.91mm Thk

- oil, left hand, 2-3/4 x 3-5/8 x 15/32 inch (70 x 92 x 12 mm)

1шт.

6

A161618

ARM

- rockshaft to piston rod (Replaces A139100)

1шт.

7

84-88

SET SCREW,Hex Soc, 1/2"-20 x 1/2"

SCREW - socket head cup point set, 1/2 inch NF

2шт.

8

A139101

ROD

- piston

1шт.

9

A60497

SPRING

-, Serial Range: rod-arm

1шт.

10

13-616

BOLT,Hex, 3/8" - 16 x 1", Gr 5, Full Thd

2шт.

11

95-6

WASHER,3/8"

- 7/16 x 1 x 5/64 inch (11 x 25 x 2 mm)

2шт.

12

A32292

CIRCLIP

RING - snap, cylinder liner

1шт.

13

A34270

PISTON

- rockshaft, used without safety valve

1шт.

13

A164774

PISTON

- rockshaft, used with safety valve

1шт.

14

A164785

VALVE

- thermal safety, used with A164774 piston

1шт.

17

A32219

RING,126.62mm ID x 133.35mm OD x 15.88mm Thk

- wear, piston

2шт.

18

A32293

RING,121.94mm ID x 133.93mm OD x 2.97mm Thk

- backup, piston seal

2шт.

19

A32294

O-RING,4.725" ID x 5.275" OD x 0.275"

- piston seal, 4-3/4 x 5-1/4 x 1/2 inch (121 x 133 x 6 mm)

1шт.

20

A147755

SLEEVE

LINER - cylinder

1шт.

21

A32295

O-RING,5.725" ID x 6.275" OD x 0.275"

- liner seal, 5-3/4 x 6-1/4 x 1/4 inch (146 x 159 x 6 mm)

1шт.

22

A160763

CABLE

- follow-up, sensing

1шт.

23

A160706

ROCKSHAFT

YOKE -, Serial Range: cable-rockshaft

1шт.

24

113-2248

PREV TORQUE BOLT,Locking, 3/8"-16 x 1 1/8", G8

BOLT - hex lock, 3/8 NC x 1-1/8 inch (Grade 8)

1шт.

25

A160719

PIN

- swivel, yoke

1шт.

26

A160718

CLIP

- hold down

1шт.

27

A160720

YOKE

END - cable adjusting

1шт.

28

131-1180

LOCK NUT,1/4"-20, GA

NUT, LOCK, 1/4"-20, GA

1шт.

29

A147550

SPRING

- cable

1шт.

30

A149090

WASHER

- spring

1шт.

35

213-1

ADJUSTABLE CLEVIS,#10-32

YOKE - cable

2шт.

36

141-51

CLEVIS PIN,3/16" x .580"

PIN - yoke, 3/16 inch

2шт.

37

132-7

COTTER PIN,1/16" x 3/4"

Pin, Split (Cotter), 1/16" x 3/4"

2шт.

38

A160326

BRACKET

- upper, cable anchor (Replaced A149610)

1шт.

39

13-612

BOLT,Hex, 3/8" - 16 x 3/4", Gr 5, Full Thd

2шт.

40

92-6

LOCK WASHER,3/8"

2шт.

41

25-106

NUT,3/8"-16, G5

- hex, 3/8 inch NC

2шт.

44

A139883

BRACKET

- lower, cable anchor

1шт.

45

113-2247

PREV TORQUE BOLT,Locking, 3/8"-16 x 1", G5, Full Thd

BOLT - hex lock, 3/8 NC x 1 inch

2шт.

46

195-1021

WASHER

- brass, 25/64 x 7/8 x 1/16 inch (10 x 22 x 2 mm)

2шт.

47

A149586

LEVER

- follow-up, sensing linkage, See Figure 8-464

1шт.

48

A160833

GUIDE

- spring (Replaces A160313)

1шт.

49

REF

INSTRUCTION

ARM - lift, rockshaft to draft arm, See Figure 9-482

2шт.

50

A32300

SNAP RING,#225, 2.174", Ext

RING - snap, lift arm

2шт.

Выбрано товаров: 43