Запчасти Case IH 2090 (8-476) - DEPTH AND POSTION CONTROL VALVE, PRIOR TO TRANSMISSION SERIAL NUMBER 10240474 (08) - HYDRAULICS

Схема запчастей Case IH 2090 - (8-476) - DEPTH AND POSTION CONTROL VALVE, PRIOR TO TRANSMISSION SERIAL NUMBER 10240474 (08) - HYDRAULICS
6
23
13
8
41
7
37
16
42
18
25
40
21
27
6
30
35
36
29
43
28
4
24
12
3
20
1
17
26
31
11
22
10
2
9
5
15
FIT
1:1
100%

Артикул

Название

Примечание

Количество

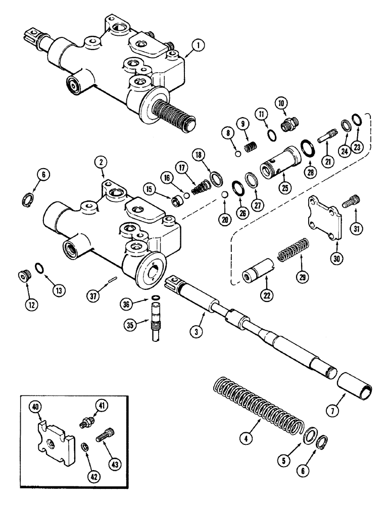
1

A143714

VALVE

ASSEMBLY - control, Includes: Ref. 2 - 43

1шт.

2

NSS

NOT SOLD SEPARAT

BODY - valve (Order A143714)

1шт.

3

NSS

NOT SOLD SEPARAT

SPOOL - control (Order A143714) (Reference no. A32363)

1шт.

4

A58366

SPRING

- return

1шт.

5

A58365

WASHER

- spring retainer

1шт.

6

A35094

SNAP RING,#81, Ext

Ring, Snap, #81, Ext

2шт.

7

A160367

BUSHING

SPACER - spool stop

1шт.

8

211-12

BALL,7/16 Dia

- check valve, 7/16 inch (11 mm) diameter

1шт.

9

A61510

SPRING

- check valve, 21/32 inch (17 mm) free length

1шт.

10

218-5057

HYD CONNECTOR,9/16" - 18 JIC x 9/16" - 18 ORB

CONECTOR ASSEMBLY - straight, 3/8 tube x 9/16-18 inch, Incl. Ref. 11

1шт.

11

218-5005

O-RING,0.078" Thk x 0.468" ID, -906, Cl 6, 90 Duro

6-1, 90 Duro, .468" ID x .078" Thk (12 x 16 x 2 mm)

1шт.

12

9625178

PLUG,9/16" - 18 ORB

Assy, Incl. Ref. 13 Hex Soc, 9/16"-18 ORB

1шт.

13

218-5005

O-RING,0.078" Thk x 0.468" ID, -906, Cl 6, 90 Duro

6-1, 90 Duro, .468" ID x .078" Thk (12 x 16 x 2 mm)

1шт.

15

L10120

SEAT

- ball, load check

1шт.

16

211-12

BALL,7/16 Dia

- load check, 7/16 inch (11 mm) diameter

1шт.

17

A57166

SPRING

- load check

1шт.

18

A35547

RING

- seal

1шт.

20

211-13

BALL,1/2" Dia

(13 mm) 1/2" Dia

1шт.

21

A149766

ADJUSTMENT SCREW,3/8" - 24 x 0.75"

SCREW - adjusting

1шт.

22

A149767

PISTON

- lowering poppet

1шт.

23

A17526

O-RING,0.614" ID x 0.754" OD x 0.7"

- 5/8 x 3/4 x 1/16 inch (16 x 19 x 2 mm)

1шт.

24

A34493

RING,16.33mm ID x 19.02mm OD x 1.25mm Thk

- backup

1шт.

25

A149768

SLEEVE

- lowering poppet

1шт.

26

A15888

O-RING,0.801" ID x 0.941" OD x 0.07"

- 13/16 x 15/16 x 1/16 inch (21 x 24 x 2 mm)

1шт.

27

A149775

RING

WASHER - backup

1шт.

28

A35104

O-RING,0.103" Thk x 0.862" ID, -118, Cl 5, 75 Duro

- sleeve

1шт.

29

A149794

SPRING

- poppet, 1-29/32 inch (48 mm) free length

1шт.

30

A143712

COVER

- valve

2шт.

31

166-26

12 PT SCREW,Flg, 5/16" - 18 x 1", Gr 8

BOLT - ferry head, 5/16 NC x 1 inch

4шт.

35

A161270

SCREW,5/8" - 11 x 2 3/16"

- throttle

1шт.

36

A40109

O-RING,0.07" Thk x 0.364" ID, -12, Cl 6, 90 Duro

- 3/8 x 1/2 x 1/16 inch (10 x 13 x 2 mm)

1шт.

37

138-39

LOCK PIN,3/32" x 5/8", Slotted

PIN, (2 x 16 mm) 3/32" x 5/8", Slotted

1шт.

40

A162629

COVER

- valve

1шт.

41

A161928

VALVE

- thermal safety

1шт.

42

A148875

WASHER,8.2mm ID x 12.7mm OD x 0.86mm Thk

- hardened, 5/16 x 1/2 x 1/32 inch (8 x 13 x 1 mm)

4шт.

43

166-26

12 PT SCREW,Flg, 5/16" - 18 x 1", Gr 8

BOLT - ferry head, 5/16 NC x 1 inch

4шт.

Выбрано товаров: 36